Запчасти Case 1825 (9-04) - LOADER LIFT FRAME (09) - CHASSIS/ATTACHMENTS

Схема запчастей Case 1825 - (9-04) - LOADER LIFT FRAME (09) - CHASSIS/ATTACHMENTS
14
15
12
1
5
16
17
12
11
3
12
11
4
6
11
5
18
2
11
13
9
8
7
10
12
5
FIT
1:1
100%

Артикул

Название

Примечание

Количество

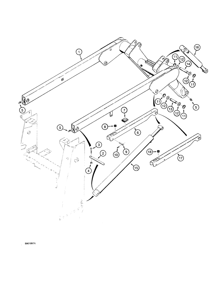
1

H673989

ARM ASSY.

FRAME - loader lift

1шт.

2

D138891

PIN,25.4mm OD x 149mm L

- loader lift frame and lift, Serial Range: cylinders-chassis

4шт.

3

426-636

BOLT,Hex, 3/8" - 16 x 2-1/4", Gr 8

- hex, 3/8 NC x 2-1/4 inch, Grade 8

4шт.

4

232-4116

NUT,3/8"-16, GC

NUT, LOCK, 3/8"-16, GC

4шт.

5

219-86

LUBE NIPPLE,1/8" NPTF

FITTING - grease, straight, self-tap 1/8 PT x 5/8 inch

4шт.

6

H438090

SUPPORT

STRUT - lift frame support, Serial Range: -JAF0096313

1шт.

7

D79692

PAD

- strut, lift arm

1шт.

8

H438045

GROMMET

- strut, use with H438090 strut

1шт.

9

D134253

PIN

- strut lock

1шт.

10

136-159

HAIR PIN COTTER,Int, 3/16 x .080"

PIN, SPLIT (COTTER), Int, 3/16 x .080"

1шт.

11

100-1687

SNAP RING,#87, Ext

Ring, Snap, , Pin (Replaces D71829) #87, Ext

8шт.

12

H437175

WASHER

- flat, hardened

8шт.

13

D138889

PIN,69.98mm OD x 160mm L

- lift cylinder to loader lift frame

2шт.

14

D138888

PIN,22.22mm OD x 114.6mm L

- bucket tilt cylinder to loader lift frame

2шт.

15

D136838

CYLINDER ASSY.

CYLINDER ASSEMBLY - lift, parts list Fig. 8-26

2шт.

16

D136128

CYLINDER

ASSEMBLY - bucket tilt, parts list Fig. 8-30, order 104517A1 See Fig. 8-32

2шт.

17

119142A1

BAR

STRUT - lift frame support JAF0096313 to

1шт.

Use only with 104516A1 lift cylinder with the 1-3/8 inch dia rod

1шт.

18

49566

GROMMET

- strut (use with 119142A1 strut)

1шт.

Выбрано товаров: 19