Запчасти Case 1825 (4-26) - HORN (04) - ELECTRICAL SYSTEMS

Схема запчастей Case 1825 - (4-26) - HORN (04) - ELECTRICAL SYSTEMS
9
18
19
6
13
2
5
2
4
1
3
1
15
7
12
17
14
20
16
8
7
11
10
FIT
1:1
100%

Артикул

Название

Примечание

Количество

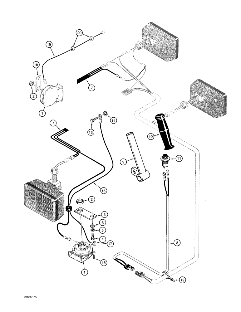
1

D123205

HORN

- 12 volt

1шт.

2

L30866

LOCK NUT

- horn

1шт.

3

D122734

SUPPORT

BRACKET - horn mounting

1шт.

4

413-824

BOLT,Hex, 1/2" - 13 x 1-1/2", Gr 5

1шт.

5

80679

LOCK WASHER,1/20.507 CST ZND

WASHER, LOCK, 1/2"

1шт.

6

195-533

WASHER,1/2", SAE

- flat, 17/32 x 1-1/16 x 3/32 inch

1шт.

7

D134075

HARNESS

- horn and lamps

1шт.

8

D134076

HARNESS

- horn button

1шт.

9

H674464

CONTROL LEVER

LEVER - control, loader, used on models with horn only, right-hand side

1шт.

10

D128268

HANDLE

GRIP - right-hand control lever

1шт.

11

D141486

SWITCH

- button, horn (replaces D91440)

1шт.

12

L18337

CABLE TIE,9.95"-12.1" lg

STRAP - tie, 15 inch, nylon

1шт.

13

413-510

BOLT,Hex, 5/16" - 18 x 5/8", Gr 5

- hex, 5/16 NC x 5/8 inch

1шт.

14

193-1009

NUT,Keps, w/LW, 5/16"-18

- hex, with external tooth lock washer, 5/16 inch NC

1шт.

15

D134077

ELECTRICAL WIRE

WIRE - ground

1шт.

16

440-1108

SCREW,Cross Pan Hd, #10-24 x 1/2"

- machine, pan head Phillips, No. 10 NC x 1/2 inch

1шт.

17

193-1004

NUT,Keps, #10 - 24, w/ Ext Tooth LW

NUT - hex, with external tooth lock washer, No. 10 NC

1шт.

18

113590A1

BRACKET

- mounting, horn

1шт.

19

111161A1

ELECTRICAL WIRE

WIRE - horn

1шт.

20

H439303

CLIP

- wire

2шт.

Выбрано товаров: 0