Запчасти Case 1825B (2-12) - FRONT GEAR COVER (02) - ENGINE

Схема запчастей Case 1825B - (2-12) - FRONT GEAR COVER (02) - ENGINE
3
26
5
2
7
8
19
24
17
9
13
21
27
4
16
14
22
20
18
12
10
6
1
25
15
23
11
2
FIT
1:1
100%

Артикул

Название

Примечание

Количество

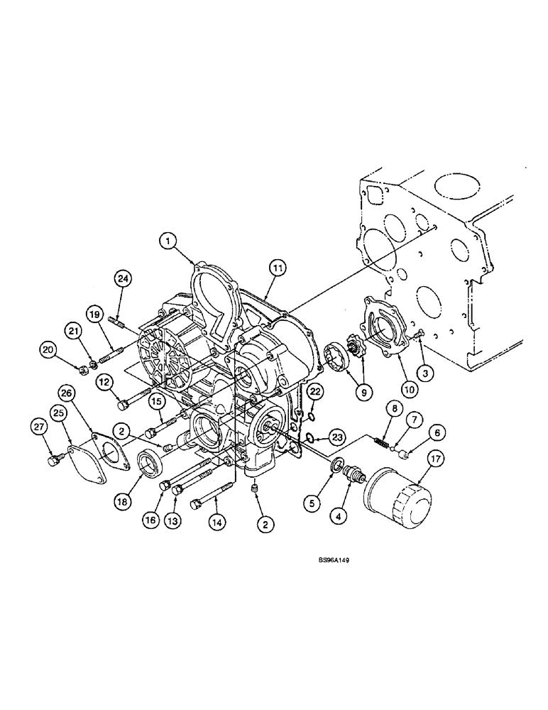
125265A1

HOUSING

COVER ASSY, Incl. Ref. 1 - 10

1шт.

1

NSS

NOT SOLD SEPARAT

COVER

1шт.

2

200400A1

PLUG

2шт.

3

125274A1

SCREW,Sl Flat Hd

5шт.

4

1959196C1

FITTING

ADAPTER

1шт.

5

126124A1

WASHER

1шт.

6

125269A1

SEAT/SLOT

1шт.

7

125270A1

BALL

1шт.

8

125268A1

SPRING

1шт.

9

125271A1

HYDRAULIC PUMP

1шт.

10

125273A1

COVER

1шт.

11

125276A1

GASKET

cover

1шт.

12

126125A1

CAPTIVE WASHER SCREW

with lock washer

3шт.

13

126126A1

BOLT,Hex

with lock washer

6шт.

14

126127A1

CAPTIVE WASHER SCREW

with lock washer

2шт.

15

125277A1

BOLT,Hex

with lock washer

1шт.

16

125278A1

BOLT,Hex

with lock washer

1шт.

17

125282A1

ENGINE OIL FILTER

1шт.

18

125280A1

OIL SEAL

1шт.

19

125279A1

STUD

STUD

1шт.

20

1959205C1

NUT

1шт.

21

221638A1

SPRING WASHER

lock, Replaces 1959206C1

1шт.

22

125281A1

O-RING

2шт.

23

1959201C1

O-RING

2шт.

24

1959319C1

BOLT

Replaces 1959481C1

2шт.

25

125283A1

PLATE

PLATE

1шт.

26

125284A1

GASKET

plate

1шт.

27

1959319C1

BOLT

2шт.

Выбрано товаров: 28