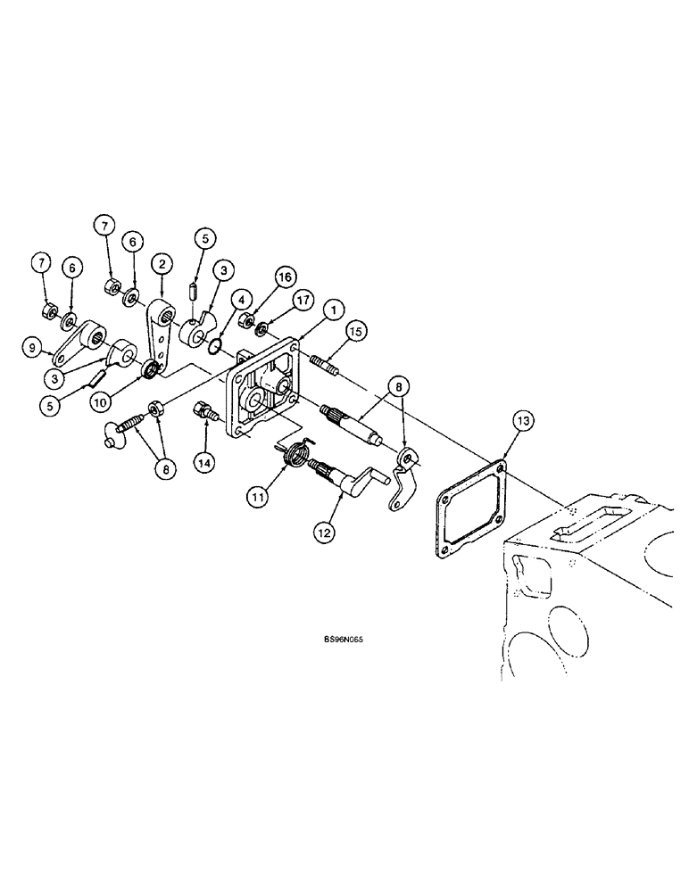
Запчасти Case 1825B (3-16) - SPEED CONTROL PLATE (03) - FUEL SYSTEM

Схема запчастей Case 1825B - (3-16) - SPEED CONTROL PLATE (03) - FUEL SYSTEM
7
12
8
8
1
10
15
2
9
17
3
4
16
6
6
11
14
5
5
13
7
3
FIT
1:1
100%

Артикул

Название

Примечание

Количество

125535A1

LARGE PLATE

PLATE, LARGE ASSY, Incl. Ref. 1 - 12

1шт.

1

NSS

NOT SOLD SEPARAT

PLATE

1шт.

2

125536A1

LEVER

1шт.

3

125537A1

LEVER

2шт.

4

1285697C1

O-RING

1шт.

5

1959337C1

PIN

2шт.

6

125538A1

WASHER

2шт.

7

125539A1

SPECIAL NUT

2шт.

8

125542A1

LEVER

LEVER

1шт.

P/N 125542A1 is a shaft and lever assembly only. The other parts are a nut, Case P/N 1959205C1 and an adjusting screw, Kubota P/N 16241-57632, Case P/N 406598A1.

1шт.

9

125546A1

LEVER

1шт.

10

125547A1

OIL SEAL

SEAL

1шт.

11

125548A1

SPRING

1шт.

12

125549A1

SHAFT

1шт.

13

125550A1

GASKET

plate

1шт.

14

1959319C1

BOLT

2шт.

15

1959319C1

BOLT

Replaces 1959481C1

2шт.

16

1959205C1

NUT

2шт.

17

221638A1

SPRING WASHER

lock, Replaces 1959206C1

2шт.

Выбрано товаров: 19