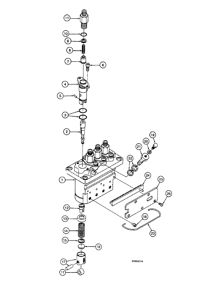
Запчасти Case 1825B (3-20) - FUEL INJECTION PUMP (03) - FUEL SYSTEM

Схема запчастей Case 1825B - (3-20) - FUEL INJECTION PUMP (03) - FUEL SYSTEM
24
5
20
8
3
23
2
7
11
26
16
17
15
17
9
21
13
18
14
22
19
6
1
25
12
10
4
FIT
1:1
100%

Артикул

Название

Примечание

Количество

197421A1

FUEL INJECTION PUMP

ASSY, Incl. Ref. 1 - 26

1шт.

1

NSS

NOT SOLD SEPARAT

HOUSING

1шт.

2

197439A1

FUEL SYSTEM INJECTOR

4шт.

3

129395A1

O-RING

8шт.

4

129392A1

FLANGE

FLANGE

4шт.

5

129394A1

PIN

4шт.

6

129396A1

SCREW

8шт.

7

129386A1

HYDRAULIC VALVE

check

4шт.

8

129387A1

SPRING

4шт.

9

129388A1

GASKET

4шт.

10

129390A1

O-RING

4шт.

11

129389A1

FITTING

4шт.

12

129407A1

SLEEVE

4шт.

13

129401A1

SEAT/SLOT

4шт.

14

129400A1

SPRING

4шт.

15

129402A1

SEAT/SLOT

4шт.

16

129403A1

ADJUSTING PLATE

Shim adjusting

4шт.

17

129397A1

HEATED GLASS

4шт.

18

129398A1

PIN

4шт.

19

129410A1

SCREW

1шт.

20

129411A1

GASKET

1шт.

21

197442A1

SCREW

1шт.

22

129409A1

GASKET

2шт.

23

129399A1

PIN

PIN

1шт.

24

129404A1

SUPPORT

1шт.

25

197441A1

PLATE

1шт.

26

129406A1

SCREW

5шт.

27

197449A1

SPECIAL NUT

nozzle, not illustrated

1шт.

Выбрано товаров: 28