Запчасти Case 1825B (4-24) - HORN, NORTH AMERICA (04) - ELECTRICAL SYSTEMS

Схема запчастей Case 1825B - (4-24) - HORN, NORTH AMERICA (04) - ELECTRICAL SYSTEMS
3
1
19
13
17
11
16
2
6
22
8
7
10
14
18
12
15
20
7
21
5
4
9
FIT
1:1
100%

Артикул

Название

Примечание

Количество

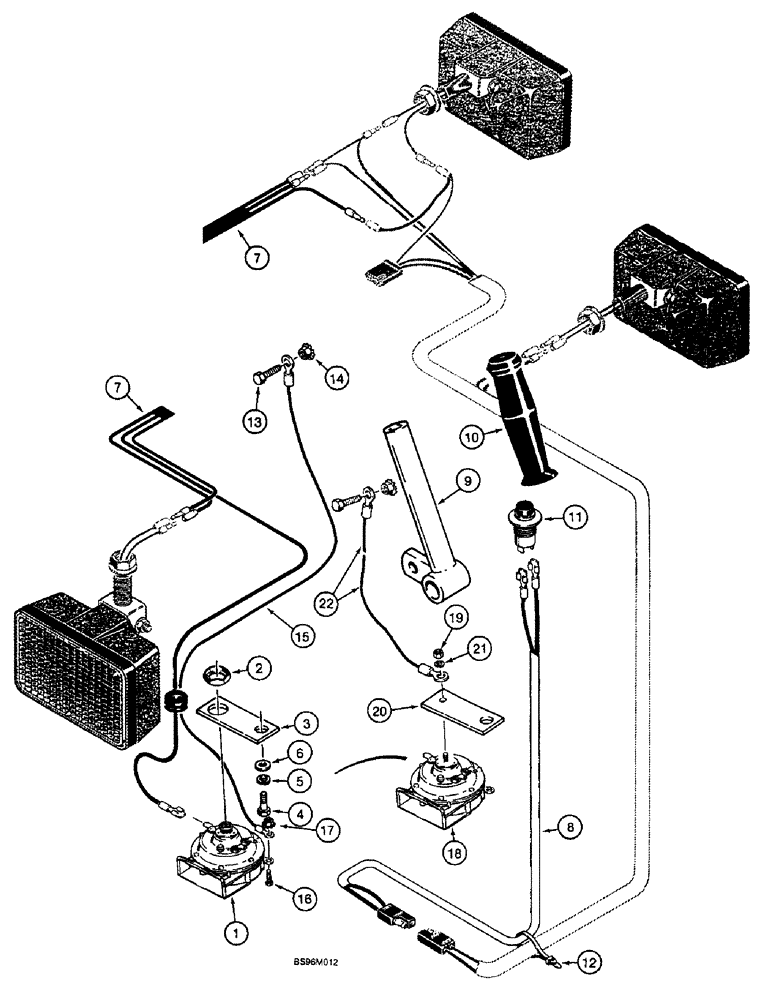
1

D123205

HORN

12 volt, if equipped

1шт.

2

L30866

LOCK NUT

7/8, used with Ref. 1

1шт.

3

D122734

SUPPORT

used with Ref. 1

1шт.

4

413-824

BOLT,Hex, 1/2" - 13 x 1-1/2", Gr 5

1шт.

5

80679

LOCK WASHER,1/20.507 CST ZND

1шт.

6

195-533

WASHER,1/2", SAE

(17/32 x 1-1/16 x 3/32)

1шт.

7

D134075

HARNESS

lamp

1шт.

8

D134076

HARNESS

horn

1шт.

9

H674464

CONTROL LEVER

right-hand

1шт.

10

D133282

HANDLE

GRIP

1шт.

11

D141486

SWITCH

horn

1шт.

12

L18337

CABLE TIE,9.95"-12.1" lg

CABLE STRAP tie, nylon, 15 in

1шт.

13

413-510

BOLT,Hex, 5/16" - 18 x 5/8", Gr 5

1шт.

14

193-1009

NUT,Keps, w/LW, 5/16"-18

with lock washer

1шт.

15

D134077

ELECTRICAL WIRE

WIRE ground, used with Ref. 1

1шт.

16

440-1108

SCREW,Cross Pan Hd, #10-24 x 1/2"

1шт.

17

193-1004

NUT,Keps, #10 - 24, w/ Ext Tooth LW

with lock washer

1шт.

18

254130A1

HORN

12 volt, if equipped

1шт.

19

825-1406

NUT,M6, Cl 8

Used with Ref. 18

1шт.

20

253606A1

SUPPORT

used with Ref. 18

1шт.

21

493-41026

LOCK WASHER,Ext Tooth, 1/4"

Used with Ref. 18

1шт.

22

254251A1

ELECTRICAL WIRE

WIRE ground, used with Ref. 18

1шт.

Выбрано товаров: 22