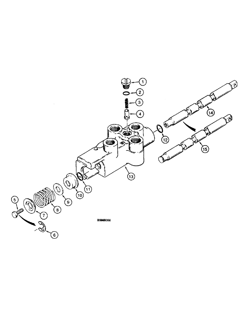
Запчасти Case 1825B (8-16) - VALVE ASSEMBLY, AUXILIARY CONTROL (08) - HYDRAULICS

Схема запчастей Case 1825B - (8-16) - VALVE ASSEMBLY, AUXILIARY CONTROL (08) - HYDRAULICS
5
9
12
14
15
1
10
8
13
2
6
11
3
4
7
FIT
1:1
100%

Артикул

Название

Примечание

Количество

D64670

VALVE

ASSY, control, auxiliary, Incl. Ref. 1 - 15

1шт.

H47506

PLUG

ASSY, Incl. Ref. 1 and 2

1шт.

1

NSS

NOT SOLD SEPARAT

PLUG

1шт.

2

238-7112

O-RING,0.103" Thk x 0.487" ID, -112, Cl 7, 75 Duro

1шт.

3

FH730374

SPRING

1шт.

4

FH730366

PLUNGER

POPPET valve

1шт.

5

H428292

SCREW,1/4" - 20 x 0.972"

1шт.

6

100-3350

SNAP RING,#50, .392" Dia, E-Type

1шт.

7

F59116

WASHER

SEAT

1шт.

8

H220517

SPRING

1шт.

9

H746164

WASHER

1шт.

10

H52902

CAP

RETAINER

1шт.

11

238-5114

O-RING,0.103" Thk x 0.612" ID, -114, Cl 5, 75 Duro

1шт.

12

F37887

O-RING

1шт.

13

NSS

NOT SOLD SEPARAT

BODY

1шт.

14

NSS

NOT SOLD SEPARAT

SPOOL

1шт.

15

NSS

NOT SOLD SEPARAT

SPOOL

1шт.

Выбрано товаров: 17