Запчасти Case 1830 (094) - DRIVE CHAIN AND GEARS (14) - MAIN GEARBOX & DRIVE

Схема запчастей Case 1830 - (094) - DRIVE CHAIN AND GEARS (14) - MAIN GEARBOX & DRIVE
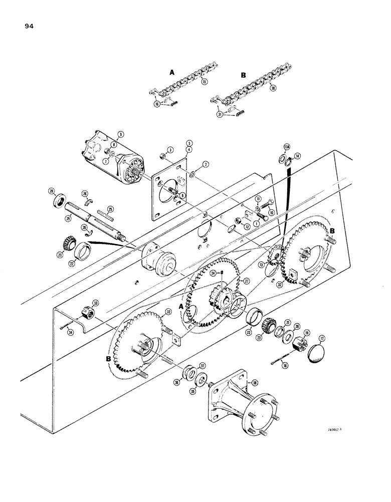
29
26
9
13a
28
32
15
3
17
22
31
32
16
11
36
37
26
33
14
10
25
35
23
12
7
5
8
2
18
4
24
1
23
13
30
27
22
34
21
38
19
20
FIT
1:1
100%

Артикул

Название

Примечание

Количество

1

D60070

STEP BOLT

BOLT special, press-in

8шт.

2

NSS

NOT SOLD SEPARAT

SHIM early production units only, order D65265 plate or D65264 plate for service

2шт.

3

131-916

FLANGE NUT,Flg, 3/8"-16, G5

hex, lock, 3/8" - 16 NC, flanged

8шт.

4

D65265

PLATE

motor mounting, LH

1шт.

5

D65264

PLATE

motor mounting, RH

1шт.

6

164-74

HEX SOC SCREW,Flat Hd, 1/2" - 13 x 1 3/4"

BOLT flat head, socket, 1/2" - 13 NC x 1-3/4"

4шт.

7

195-533

WASHER,1/2", SAE

plain, 1/2"

4шт.

8

131-1116

LOCK NUT,1/2"-13, GB

NUT hex, lock, 1/2" - 13 NC

4шт.

9

REF

INSTRUCTION

MOTOR hydrostatic, parts list Fig. 120 and 122

2шт.

10

113-219

BOLT,Hex, 3/8" - 16 x 2", Gr 5

2шт.

11

195-525

WASHER,3/8", SAE

plain, 3/8"

2шт.

12

25-106

NUT,3/8"-16, G5

hex, 3/4" - 16 NC

2шт.

13

D76460

DRIVE SPROCKET

SPROCKET driver

2шт.

13a

F22171

WASHER

special

2шт.

REF: 13A NO SPLINES - ILLUSTRATION IS INCORRECT.

1шт.

14

B18208

SNAP RING,#100, Ext

2шт.

D59221

CHAIN (CE)

CHAIN drive, No. 50, included Ref.15 and 16.

1шт.

15

NSS

NOT SOLD SEPARAT

CHAIN No. 50

1шт.

16

D66285

CONNECTING LINK

LINK ASSEMBLY link, clip and cotter pins

1шт.

17

F19012

CAP

dust

2шт.

18

132-52

COTTER PIN,1/8" x 1 1/2"

Pin, Split (Cotter), 1/8" x 1 1/2"

2шт.

19

425-1914

SLOTTED NUT,7/8"-14, G5, Thk

NUT, SLOTTED, , Castle 7/8"-14, G5, Thk

2шт.

20

195-49

WASHER

plain, 7/8"

1шт.

21

D60702

SPACER

shaft

2шт.

22

B12408

BEARING CUP,59.156 mm OD x 11.862 mm

CUP bearing, race

4шт.

23

B12409

BEARING, ROLLER,31.763 mm ID x 16.84 mm

BEARING roller, cone

4шт.

24

178-855

SET SCREW,Hex Soc, 3/8"-16 x 1"

SCREW set, socket headless, 3/8" - 16 NC x 1/2"

2шт.

25

D60703

KEY

square

2шт.

26

D60682

SET

SHOULDER cone

4шт.

27

D76463

DRIVE SPROCKET

SPROCKET cluster

2шт.

28

D60701

SEAL

axle

2шт.

29

D60683

SHAFT

cluster sprocket

2шт.

D59222

CHAIN (CE)

CHAIN drive, No. 60H, included Ref. 30 and 31.

4шт.

30

NSS

NOT SOLD SEPARAT

CHAIN drive

1шт.

31

D66286

LINK

ASSEMBLY link, clip and cotter pins

1шт.

32

D88624

DRIVE SPROCKET

SPROCKET driven, axle

4шт.

33

25-1314

SLOTTED NUT,7/8"-14, G5

NUT hex, castle, 7/8" - 14 NF

4шт.

34

132-52

COTTER PIN,1/8" x 1 1/2"

Pin, Split (Cotter), 1/8" x 1 1/2"

4шт.

35

D53273

WASHER,23.02mm ID x 57.15mm OD x 1.41mm Thk

plain, 7/8"

4шт.

36

T40257

WASHER

SPACER 14 gauge, washer

1шт.

37

T40258

WASHER

SPACER 10 gauge, washer

1шт.

38

REF

INSTRUCTION

AXLE ASSEMBLY, see Fig. 96

4шт.

Выбрано товаров: 0