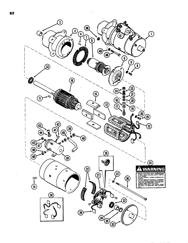
Запчасти Case 1835 (082) - A51910 STARTER, 148B SPARK IGNITION ENGINE (04) - ELECTRICAL SYSTEMS

Схема запчастей Case 1835 - (082) - A51910 STARTER, 148B SPARK IGNITION ENGINE (04) - ELECTRICAL SYSTEMS
FIT
1:1
100%

Артикул

Название

Примечание

Количество

1

A51910

STARTER MOTOR

STARTER engine, new, Prestolite MDU-7116, order: P/N D124795 Fig. 84

1шт.

1

104456A1R

REMAN-STARTER

Remanufactured Starter 12 volt, presto inertia

1шт.

1

104456A1C

CORE-STARTER

Return Number, Starter 12 volt, presto inertia

1шт.

1

A47462

REMAN-STARTER

Starter Assembly, remanufactured, Includes: Ref. 2 thru 45

1шт.

1

A47463

CORE-STARTER

Return Number, starter

1шт.

Use this Return Number for intransit core for credit.

1шт.

2

A25610

HOUSING

HOUSING ASSEMBLY, drive, end, Includes: Ref. 3 and 4

1шт.

3

A25611

BEARING

BEARING armature, shaft

1шт.

4

NSS

NOT SOLD SEPARAT

PIN locating

1шт.

5

A40272

DRIVE

DRIVE ASSEMBLY, starter

1шт.

6

A43257

BUSHING

PLATE ASSEMBLY, intermediate, bearing

1шт.

7

G46910

GASKET

GASKET bearing, plate

1шт.

8

173-221

SCREW,Sl Rnd Hd, #10 - 32 x 7/16"

SCREW round, head, No. 10-32 x 7/16 inch

4шт.

9

92-3

LOCK WASHER,#10

WASHER, LOCK, #10

4шт.

10

A44996

ARMATURE

SPARE PART ARMATURE

1шт.

11

126-112

WOODRUFF KEY,#6, 5/32" x 5/8", HT

WOODRUFF KEY, #6, 5/32" x 5/8", HT

1шт.

12

A25604

PACKAGE

COIL ASSEMBLY, field, Includes: Ref. 13

1шт.

13

NSS

NOT SOLD SEPARAT

BRUSH, order: Ref. 30

2шт.

14

NSS

NOT SOLD SEPARAT

SCREW pole, shoe

4шт.

15

NSS

NOT SOLD SEPARAT

SHOE pole

4шт.

A42078

SPARE PART KIT terminal, field, stud, Includes: Ref.17 and 22

1шт.

17

NSS

NOT SOLD SEPARAT

STUD field, terminal

1шт.

18

NSS

NOT SOLD SEPARAT

WASHER inner, insulating

1шт.

19

NSS

NOT SOLD SEPARAT

BUSHING insulating

1шт.

20

NSS

NOT SOLD SEPARAT

WASHER outer, insulating

1шт.

21

NSS

NOT SOLD SEPARAT

WASHER steel

1шт.

22

NSS

NOT SOLD SEPARAT

INSULATION coil

2шт.

23

192-20

LOCK WASHER,Helical Spring, 0.318" ID, CST, ZND

WASHER, LOCK, 5/16"

1шт.

24

9635082

NUT,5/16" - 18, Gr 5

NUT, 5/16"-18, G5

2шт.

25

182-545

SCREW,Slotted Pan Hd, #8-32 x 5/16"

SCREW pan, head, No. 8-32 x 5/16 inch

1шт.

26

192-16

LOCK WASHER,Helical Spring, #8, 0.17" ID, CST, ZND

Washer, Lock, #8

1шт.

27

A25612

PLATE

PLATE ASSEMBLY, brush carrier, Includes: Ref. 28 and 29

1шт.

28

NSS

NOT SOLD SEPARAT

BRUSH, order: Ref. 30

2шт.

29

A40275

SPRING

KIT spring, brush, set of 4

1шт.

30

A25603

BRUSH SET

SET brush, set of 4

1шт.

A40277

KIT

KIT washer, thrust, Includes: Ref. 32

1шт.

32

NSS

NOT SOLD SEPARAT

WASHER, 1/32 inch (0.8 mm)

4шт.

32

NSS

NOT SOLD SEPARAT

WASHER, 3/64 inch (1 mm)

2шт.

33

A40274

HEAD

HEAD ASSEMBLY, commutator, end, Includes: Ref. 34 and 35

1шт.

34

NSS

NOT SOLD SEPARAT

BUSHING, armature, shaft

1шт.

35

NSS

NOT SOLD SEPARAT

FELT oiler

1шт.

36

A25601

SCREW

BOLT through

2шт.

37

192-19

LOCK WASHER,Helical Spring, 0.256" ID, CST, ZND

WASHER, LOCK, 1/4"

2шт.

38

A43415

SOLENOID

SOLENOID ASSEMBLY, starter, Includes: Ref. 39 thru 42

1шт.

39

192-20

LOCK WASHER,Helical Spring, 0.318" ID, CST, ZND

WASHER, LOCK, 5/16"

3шт.

40

129-122

NUT,5/16"-24, G5

NUT, 5/16"-24, G5

3шт.

41

192-18

LOCK WASHER,Helical Spring, #10, 0.196" ID, CST, ZND

WASHER, LOCK, #10

1шт.

42

129-37

NUT,#10-32

NUT, #10-32

1шт.

43

174-93

SCREW,Sl Rnd Hd, #10 - 32 x 1/4"

SCREW round, head, No. 10-32 x 1/4 inch

2шт.

44

193-99

LOCK WASHER,Int Tooth, #10

WASHER, LOCK, Int Tooth, #10

2шт.

45

G46297

CONNECTOR, ELEC

CONNECTOR CONNECTOR, Serial Range: solenoid-field

1шт.

48

113-213

BOLT,Hex, 3/8" - 16 x 2-1/4", Gr 5

BOLT, Hex, 3/8"-16 x 2 1/4", G5

3шт.

49

192-21

LOCK WASHER,3/8"

WASHER, LOCK, 3/8"

3шт.

50

129-103

NUT,Hex, 3/8" - 16, Gr 5

NUT, 3/8"-16, G5

3шт.

51

321-3709

DECAL

DECAL warning, starter

1шт.

Выбрано товаров: 0