Запчасти Case 1835 (088) - R29870 STARTER, 188 DIESEL ENGINE (04) - ELECTRICAL SYSTEMS

Схема запчастей Case 1835 - (088) - R29870 STARTER, 188 DIESEL ENGINE (04) - ELECTRICAL SYSTEMS
FIT
1:1
100%

Артикул

Название

Примечание

Количество

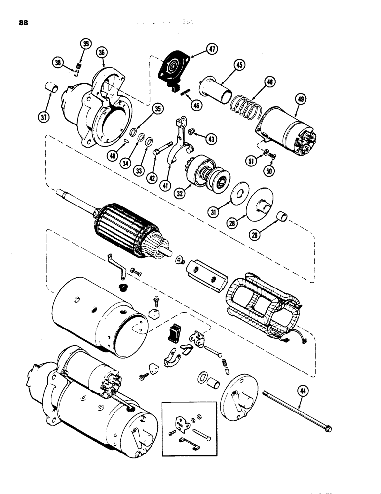
R29870

STARTING MOTOR

STARTER ASSEMBLY, Includes: Ref. 28 thru 51, continued from Fig. 86

1шт.

28

A40215

PLATE ASSY.

PLATE ASSEMBLY, center, bearing, Includes: Ref. 29

1шт.

29

R15038

BUSHING

center

1шт.

31

R15043

WASHER

thrust, center, bearing

1шт.

32

A45565

DRIVE

ASSEMBLY, starter

1шт.

32

87421540

REMAN-STARTER DRIVE

1835 CASE UNI LOADER SKID STEER LOADER, ASSEMBLY, Reman for New PN A45565

1шт.

32

87421541

CORE-STARTER DRIVE

Return Part Number

1шт.

33

R15049

COLLAR

drive, stop

1шт.

34

R15048

RING

snap

1шт.

35

A25385

WASHER

thrust, drive, end

1шт.

36

A44495

LUG

HOUSING ASSEMBLY, drive, end, Includes: Ref. 37 thru 39

1шт.

37

A25387

BEARING

BUSHING armature, shaft

1шт.

38

R15023

WICK

oil

1шт.

39

221-1041

PLUG

slotted, 1/8 inch, PT

1шт.

40

R15041

PIN locating

1шт.

41

A40220

LEVER

shift, drive

1шт.

42

A40520

BOLT

PIVOT shift, lever

1шт.

43

131-4

LOCK NUT,5/16"-18, GB

NUT hex, 5/16 inch, NC

1шт.

44

A25552

BOLT

BOLT through

2шт.

45

A40218

PLUNGER

solenoid

1шт.

46

138-93

LOCK PIN,3/16" x 13/16", Slotted

Pin, 3/16" x 13/16", Slotted

1шт.

47

A40222

BOOT

plunger

1шт.

48

A40221

SPRING

return, plunger

1шт.

49

REF

INSTRUCTION

SOLENOID ASSEMBLY, starter see, Fig. 90

1шт.

50

A42023

SCREW,#10 - 32 x 1/2"

solenoid and connector

3шт.

51

192-19

LOCK WASHER,Helical Spring, 0.256" ID, CST, ZND

WASHER, LOCK, 1/4"

3шт.

The R29870 subs to 104202A2R.

1шт.

This starter changed from a 10 tooth gear to a 9 tooth gear for faster cranking speed. This changed the nose piece in the area of the offset. Megavolt gets more cores in on the 10 tooth gear and the offset is only .050 diff. between the two gears. at times the nose pieces get mixed up and the result is the starter gear won't mesh with the ring gear unless the starter mounting bolts are loose. On 2/26/96 (MEGA-VOLT) is in process of designing a fixture to readily identify the different nose pieces. byTS

1шт.

Выбрано товаров: 0