Запчасти Case 1835 (094) - ALTERNATOR ASSEMBLY (04) - ELECTRICAL SYSTEMS

Схема запчастей Case 1835 - (094) - ALTERNATOR ASSEMBLY (04) - ELECTRICAL SYSTEMS
FIT
1:1
100%

Артикул

Название

Примечание

Количество

1

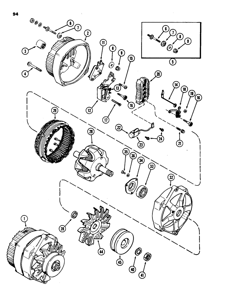
L102693

ALTERNATOR ASSEMBLY, engine, Delco-Remy No. 1103125, order: P/N A47623, A43384 and A51561, used for production only

1шт.

A47623

ALTERNATOR

ALTERNATOR ASSEMBLY, engine, Delco-Remy No. 1103133, order: P/N A46932, Fig. 92, used for repairs only, Includes: Ref. 2 thru 41

1шт.

87297244

REMAN-ALTERNATOR

Remanufactured Alternator, 12 volt, 61 ampere

1шт.

87297245

CORE-ALTERNATOR

Return Number, Alternator, 12 volt, 61 ampere

1шт.

103802A1R

REMAN-ALTERNATOR

Reman For New P/N A47623

1шт.

103802A1C

CORE-ALTERNATOR

Return Number

1шт.

2

A47595

FRAME

FRAME ASSEMBLY, slip, ring, end

1шт.

3

A47578

ROLLER BEARING,0.6694" ID x 0.937" OD x 0.73"

BEARING roller

1шт.

4

163-6

SCREW,Hex, #10 - 24 x 1 3/4"

BOLT through, hex, head, with washer, No. 10-24 x 1-3/4 inch

4шт.

5

A47597

TERMINAL CONNECTOR

KIT terminal, battery, Includes: Ref. 6 thru 9

1шт.

6

NSS

NOT SOLD SEPARAT

STUD terminal

1шт.

7

NSS

NOT SOLD SEPARAT

INSULATOR terminal

1шт.

8

NSS

NOT SOLD SEPARAT

WASHER insulating

1шт.

9

NSS

NOT SOLD SEPARAT

NUT ASSEMBLY, stud

2шт.

11

A45213

REGULATOR

REGULATOR, voltage

1шт.

12

A47042

HOLDER

HOLDER ASSEMBLY, brush, Includes: Ref. 13

1шт.

13

A47987

BRUSH, COMMUTATOR

BRUSH BRUSH holder

2шт.

14

A47045

TERMINAL CONNECTOR

TERMINAL relay

1шт.

15

A47043

SCREW,#8 - 32 x 21"

SCREW brush, holder, grounded

1шт.

16

A45223

SCREW,Spcl, #8 - 32 x 1 1/8"

SCREW brush, holder, insulated

2шт.

17

182-558

SCREW,Slotted Pan Hd, #8-32 x 1 1/4"

SCREW brush, holder, attaching

1шт.

18

A48339

DIODE

DIODE trio

1шт.

19

129-16

NUT,#8-32

NUT, , Trio diode to rectifier bridge #8-32

3шт.

20

A45394

RECTIFIER

RECTIFIER bridge, alternator

1шт.

21

A45221

SCREW,Hex Wshr Hd, #8 - 32 x 0.99"

SCREW attaching, rectifier, bridge

1шт.

22

A45017

CAPACITOR

CAPACITOR rectifier, order: P/N A47734

1шт.

23

A45227

CLAMP

BRACKET mounting, capacitor

1шт.

24

A45228

SELF-TAP SCREW,Hex Wash Hd, #8-32 x .59", Spc

SCREW capacitor, bracket, and lead

2шт.

28

A47047

ROTOR

ROTOR ASSEMBLY, alternator

1шт.

29

A47048

ARMATURE

STATOR ASSEMBLY, alternator

1шт.

32

A47596

FRAME

FRAME, drive, end

1шт.

33

A47579

BALL BEARING,17 mm ID x 40 mm OD x 12 mm

BEARING ball, drive, end

1шт.

34

A44433

PLATE

PLATE retaining, bearing

1шт.

35

173-210

SCREW,Sl Rnd Hd, #10 - 24 x 3/8"

SCREW bearing, plate

3шт.

36

195-512

WASHER,#10

WASHER flat, 7/32 x 7/16 x 1/16 inch (6 x 11 x 2 mm)

3шт.

39

A47577

FRAME

COLLAR rotor shaft

1шт.

40

R16171

SPRING WASHER

WASHER lock, pulley, nut

1шт.

41

A25546

NUT

NUT pulley and fan retaining

1шт.

44

A43384

FAN

FAN ventilating

1шт.

45

A51561

PULLEY

PULLEY drive

1шт.

Выбрано товаров: 0