Запчасти Case 1835 (100) - STARTER, ALTERNATOR, AND MOUNTING (04) - ELECTRICAL SYSTEMS

Схема запчастей Case 1835 - (100) - STARTER, ALTERNATOR, AND MOUNTING (04) - ELECTRICAL SYSTEMS
FIT
1:1
100%

Артикул

Название

Примечание

Количество

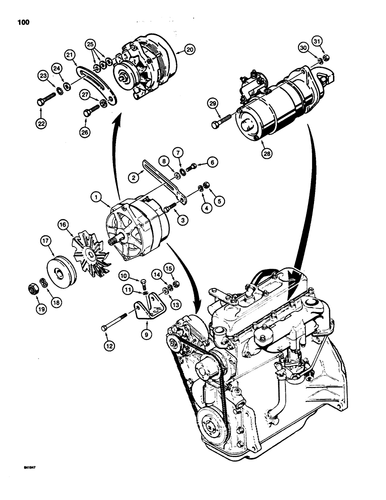
1

A167153

ALTERNATOR

ASSEMBLY, parts list Figure 92, if used

1шт.

2

D56005

STRAP

adjusting, gasoline models

1шт.

3

13-620

BOLT,Hex, 3/8" - 16 x 1-1/4", Gr 5, Full Thd

Gasoline, models Hex, 3/8"-16 x 1 1/4", G5, Full Thd

1шт.

4

92-6

LOCK WASHER,3/8"

gasoline models 3/8"

1шт.

5

25-106

NUT,3/8"-16, G5

hex, 3/8 inch - 16 NC, gasoline models

1шт.

6

814-8025

BOLT,Hex, M8 x 1.25 x 25mm, Cl 8.8, Full Thd

hex, head, plated, 8 mm - 1.25 mm, gasoline models

1шт.

7

193-71

LOCK WASHER,Ext-Int Tooth, 5/16"

WASHER, LOCK, , Gasoline models Ext-Int Tooth, 5/16"

1шт.

8

195-103

WASHER,5/16"

flat, 5/16 inch, plated, gasoline models

1шт.

9

A160391

BRACKET

alternator, mounting

1шт.

10

13-612

BOLT,Hex, 3/8" - 16 x 3/4", Gr 5, Full Thd

1шт.

11

92-6

LOCK WASHER,3/8"

1шт.

12

113-241

BOLT,Hex, 3/8" - 16 x 3", Gr 5

1шт.

13

95-6

WASHER,3/8"

flat, plated 3/8 inch

1шт.

14

192-21

LOCK WASHER,3/8"

WASHER, LOCK, 3/8"

1шт.

15

129-103

NUT,Hex, 3/8" - 16, Gr 5

NUT, 3/8"-16, G5

1шт.

16

REF

INSTRUCTION

FAN ventilating, see Figures 92 and 94

1шт.

17

REF

INSTRUCTION

PULLEY alternator, drive, see Fig 92 and 94

1шт.

18

REF

INSTRUCTION

WASHER lock, pulley nut, see Fig 92 and 94

1шт.

19

REF

INSTRUCTION

NUT retaining, pulley and fan, see Fig. 92 and 94

1шт.

20

L102693

ALTERNATOR ASSEMBLY, parts, list, Fig. 94, if used

1шт.

21

A34705

ADJUSTER

STRAP alternator, adjusting, diesel models

1шт.

22

814-8025

BOLT,Hex, M8 x 1.25 x 25mm, Cl 8.8, Full Thd

plate, 8 mm - 1.25 x 25 mm, diesel models

1шт.

23

193-71

LOCK WASHER,Ext-Int Tooth, 5/16"

WASHER, LOCK, , Diesel models Ext-Int Tooth, 5/16"

1шт.

24

195-103

WASHER,5/16"

flat, 5/16 inch, plated, diesel models

1шт.

25

95-5

WASHER,3/8" x 7/8" x .083"

flat, 5/16 inch, diesel models

3шт.

26

13-630

BOLT,Hex, 3/8" - 16 x 1-7/8", Gr 5

hex, head, 3/8 inch - 16 NC x 1-7/8 inch, diesel models

1шт.

27

92-6

LOCK WASHER,3/8"

diesel models 3/8"

1шт.

28

REF

INSTRUCTION

STARTER engine parts list, Fig. 86 and 89C

1шт.

29

13-636

BOLT,Hex, 3/8" - 16 x 2-1/4", Gr 5

3шт.

30

92-6

LOCK WASHER,3/8"

3шт.

31

25-106

NUT,3/8"-16, G5

hex, 3/8 inch - 16 NC

3шт.

Выбрано товаров: 0