Запчасти Case 1835 (108) - BACKUP ALARM (04) - ELECTRICAL SYSTEMS

Схема запчастей Case 1835 - (108) - BACKUP ALARM (04) - ELECTRICAL SYSTEMS
FIT
1:1
100%

Артикул

Название

Примечание

Количество

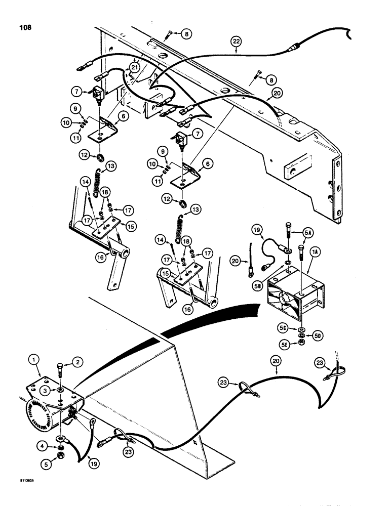
1

D75814

BUZZER

ALARM backup, round type, if used

1шт.

1a

D121972

ALARM

backup, rectangular type, if used

1шт.

2

13-616

BOLT,Hex, 3/8" - 16 x 1", Gr 5, Full Thd

Used with P/N D75814 Hex, 3/8"-16 x 1", G5, Full Thd

2шт.

3

95-6

WASHER,3/8"

flat, 3/8 inch, used with P/N D75814

2шт.

4

92-6

LOCK WASHER,3/8"

used with P/N D75814 3/8"

2шт.

5

25-106

NUT,3/8"-16, G5

hex, 3/8 inch - 16 NC, used with P/N D75814

2шт.

5a

13-512

BOLT,Hex, 5/16" - 18 x 3/4", Gr 5

Used with P/N D121972 Hex, 5/16"-18 x 3/4", G5, Full Thd

4шт.

5b

193-82

LOCK WASHER,Int Tooth, 5/16"

WASHER, LOCK, , Used with P/N D121972 Int Tooth, 5/16"

1шт.

5c

195-21

WASHER,5/16"

- flat, , Used with P/N D121972 5/16"

4шт.

5d

92-5

LOCK WASHER,5/16"

4шт.

5e

9635082

NUT,5/16" - 18, Gr 5

hex, 5/16 inch - 18 NC used with P/N D121972

4шт.

6

D90629

BRACKET

switch, mounting

2шт.

7

D86365

SWITCH

backup alarm

2шт.

8

13-412

BOLT,Hex, 1/4" - 20 x 3/4", Gr 5, Full Thd

2шт.

9

195-18

WASHER,1/4"

flat, 1/4 inch

2шт.

10

92-4

LOCK WASHER,1/4"

WASHER, LOCK, 1/4"

2шт.

11

25-104

NUT,1/4"-20, G5

2шт.

12

D86363

RING

spring

2шт.

13

D90627

SPRING

bar

2шт.

14

132-89

COTTER PIN,3/16" x 3/4"

Pin, Split (Cotter), 3/16" x 3/4"

2шт.

15

D90628

BAR

spring, mounting

2шт.

16

F60581

BOLT

U-BOLT bar, spring, mounting

2шт.

17

92-4

LOCK WASHER,1/4"

WASHER, LOCK, 1/4"

4шт.

18

25-104

NUT,1/4"-20, G5

4шт.

19

D70125

ELECTRICAL WIRE

WIRE 6 inch (152 mm)

1шт.

20

D86438

ELECTRICAL WIRE

WIRE 54 inch (1372 mm)

1шт.

21

D72939

ELECTRICAL WIRE

WIRE 14 inch (356 mm)

2шт.

22

D91859

FUSE

WIRE 20 inch (508 mm), with 14 amp. fuse

1шт.

23

L18337

CABLE TIE,9.95"-12.1" lg

STRAP tie, nylon, 15 inch

3шт.

Выбрано товаров: 0