Запчасти Case 1835B (8-172) - LOADER CONTROL VALVE (08) - HYDRAULICS

Схема запчастей Case 1835B - (8-172) - LOADER CONTROL VALVE (08) - HYDRAULICS
FIT
1:1
100%

Артикул

Название

Примечание

Количество

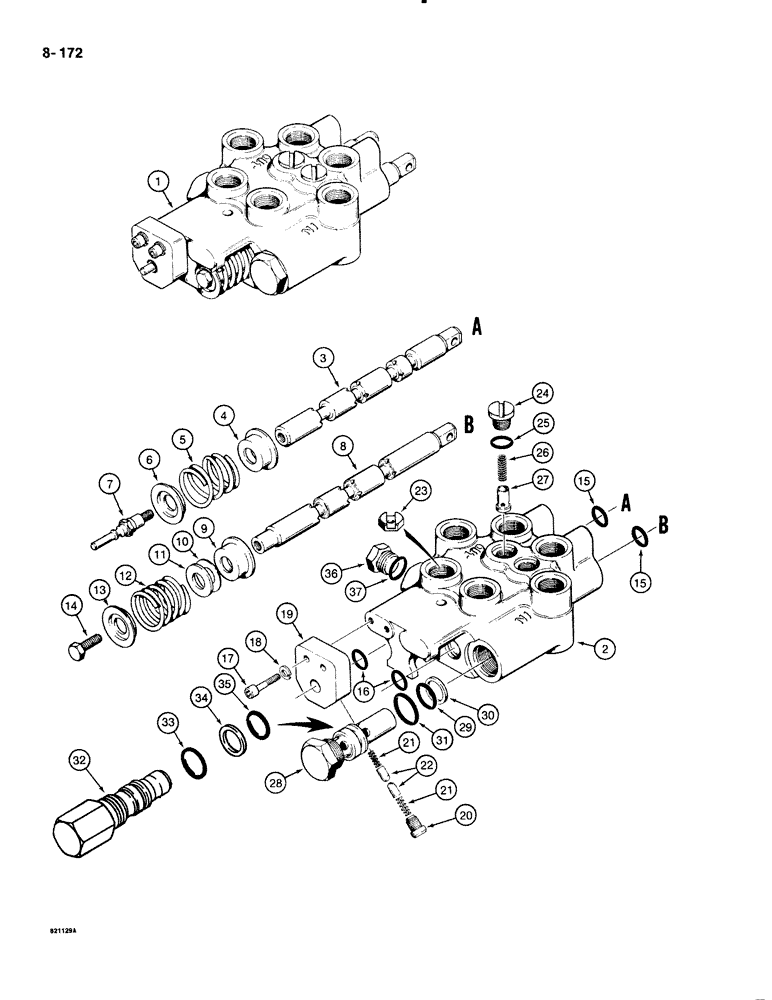
1

D73353

VALVE

CONTROL Loader, 2 Spool, Cessna No. 30572-AAD, if used, for service order D101947 kit, see below

1шт.

1

D130068

VALVE

CONTROL Loader, 2 Spool, Cessna No. 30572-AAL, if used, for service order D101947 kit, see below, Includes: Ref.2-37

1шт.

2

NSS

NOT SOLD SEPARAT

BODY control valve

1шт.

3

NSS

NOT SOLD SEPARAT

SPOOL float, lift

1шт.

4

H138271

WASHER

RETAINER spring

1шт.

5

F59118

SPRING

CENTERING Spool

1шт.

6

F59116

WASHER

SEAT Spring

1шт.

7

H139071

SCREW,1/4" - 20

STUD Spool

1шт.

8

NSS

NOT SOLD SEPARAT

SPOOL Bucket

1шт.

9

H52902

CAP

RETAINER Spring

1шт.

10

F8235

WASHER

.062", 1.575 mm thick

1шт.

11

H746164

WASHER

.156", 3.962 mm thick

1шт.

12

F59118

SPRING

CENTERING Spool

1шт.

13

F59116

WASHER

1шт.

14

H138248

SCREW,1/4" - 20 x 7/16"

CAP Spool End

1шт.

15

F37887

O-RING

Valve Body, 1/8" x 5/8"

2шт.

16

A7982

O-RING,0.103" Thk x 0.612" ID, -114, Cl 5, 75 Duro

Valve Body

2шт.

17

61-416

HEX SOC SCREW,1/4"-20 x 1"

2шт.

18

192-19

LOCK WASHER,Helical Spring, 0.256" ID, CST, ZND

2шт.

19

H125831

BLOCK

Detent

1шт.

20

H424200

PLUG

Detent

1шт.

21

H105049

SPRING

Detent

2шт.

22

H104992

PAWL

DETENT Spool

2шт.

23

D73659

FITTING

PLATE Orifice

1шт.

Ref. 33--part no. should be L33215

1шт.

24

H47506

PLUG

Check, Includes: Ref. 25

2шт.

25

H756783

O-RING,0.103" Thk x 0.487" ID, -112, Cl 6, 90 Duro

Plug

1шт.

26

FH730374

SPRING

Lift Check

2шт.

27

FH730366

PLUNGER

Lift Check

2шт.

D77393

VALVE

RELIEF Loader Control Valve, Cessna No. 32018-MC, used before PIN 9865800, Includes: Ref. 28-31

1шт.

28

NSS

NOT SOLD SEPARAT

RELIEF VALVE Control Valve

1шт.

29

A27365

O-RING,0.103" Thk x 0.75" ID, -116, Cl 5, 75 Duro

Inner

1шт.

Ref #29 - Should be A7982 03/21/96

1шт.

30

G32626

RING

BACKUP Inner O-ring

1шт.

31

A7982

O-RING,0.103" Thk x 0.612" ID, -114, Cl 5, 75 Duro

Outer

1шт.

N9485

VALVE

RELIEF Loader Control Valve, Cessna No. 32068-MB, used on PIN 9865800 and after, Includes: Ref. 32-35

1шт.

32

NSS

NOT SOLD SEPARAT

RELIEF VALVE

1шт.

32

NSS

NOT SOLD SEPARAT

RELIEF VALVE

1шт.

33

L33215

O-RING,0.737" ID x 0.943" OD x 0.103"

O-RING

1шт.

34

N9711

BACK-UP RING,0.688" ID x 0.807" OD x 0.059"

BACKUP

1шт.

35

F10894

O-RING,0.07" Thk x 0.676" ID, -17, Cl 5, 75 Duro

1шт.

36

86512512

PLUG,7/8" - 14 ORB

Incl. Ref. 37

1шт.

37

237-6010

O-RING,0.097" Thk x 0.755" ID, -910, Cl 6, 90 Duro

1шт.

D101947

KIT

KIT two spool loader control valve, Includes D130068 valve and instructions

1шт.

DR101947

REMAN-HYD VALVE

KIT two spool loader control valve, Includes D130068 valve and instructions

1шт.

DC101947

CORE-VALVE HYD

Return Number

1шт.

Выбрано товаров: 46