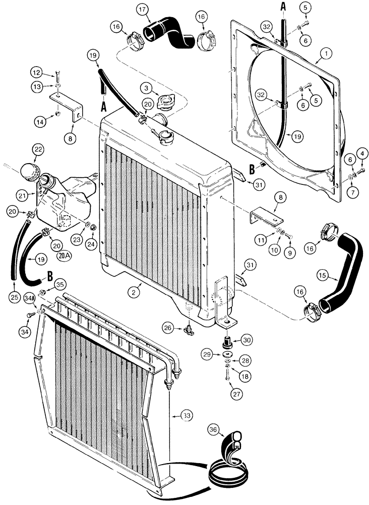
Запчасти Case 1835C (2-02) - RADIATOR, HOSES, SHROUD AND OIL COOLER (02) - ENGINE

Схема запчастей Case 1835C - (2-02) - RADIATOR, HOSES, SHROUD AND OIL COOLER (02) - ENGINE
FIT
1:1
100%

Артикул

Название

Примечание

Количество

1

A184390

SHROUD

radiator

1шт.

2

A190749

RADIATOR

engine cooling

1шт.

3

A170241

RADIATOR CAP

CAP, RADIATOR, Filler, 15 psi

1шт.

4

614-8016

BOLT,Hex, M8 x 1.25 x 16mm, Cl 8.8, Full Thd

hex, full threads, 8-1.25 x 16 mm

6шт.

5

614-8030

BOLT,Hex, M8 x 1.25 x 30mm, Cl 8.8, Full Thd

HH, CL 8.8, M8 x 1.25 x 30

2шт.

6

492-11031

LOCK WASHER,5/16"

WASHER, LOCK, 5/16"

8шт.

7

495-21038

WASHER,5/16"

(flat, 3/8 x 7/8 x 3/32") 5/16"

6шт.

8

H435039

BRACKET

BRACE radiator support

2шт.

9

614-8016

BOLT,Hex, M8 x 1.25 x 16mm, Cl 8.8, Full Thd

hex, full threads, 8-1.25 x 16 mm

2шт.

10

492-11031

LOCK WASHER,5/16"

WASHER, LOCK, 5/16"

2шт.

11

495-21038

WASHER,5/16"

(flat, 3/8 x 7/8 x 3/32") 5/16"

2шт.

12

413-616

BOLT,Hex, 3/8" - 16 x 1", Gr 5

hex, 3/8 NC x 1 inch

2шт.

13

495-11041

WASHER,0.406" ID x 0.812" OD x 0.065" W

flat, (13/32 x 13/16 x 1/16")

2шт.

14

231-5146

FLANGE NUT,3/8"-16

2шт.

15

H437746

RADIATOR HOSE,45.00 mm ID x 199.00 mm, SAE J20 20R4

Lower 45.00 mm ID x 199.00 mm, SAE J20 20R4

1шт.

16

214-1432

HOSE CLAMP,#32, 1.56" - 2.5", Type F Worm

CLAMP, HOSE, , Adjustable #32, 1.56/2.50 Type F Worm

4шт.

17

D139362

HOSE,38.00 mm ID, 45.00 mm ID x 204.00 mm, SAE J20, SAE 20R4 CLASS C or SAE 20R4 CLASS D1 or D2

RADIATOR HOSE, , Upper 38.00 mm ID, 45.00 mm ID x 204.00 mm, SAE J20, SAE 20R4 CLASS C or SAE 20R4 CLASS D1 or D2

1шт.

18

492-11038

LOCK WASHER,3/8"

no longer used 3/8"

2шт.

19

D94979

FUEL HOSE,7.90 mm ID x 1016.00 mm, SAE 30R6 or SAE 30R7

HOSE 7.90 mm ID x 1016.00 mm, SAE 30R6 or SAE 30R7

1шт.

20

A171099

HOSE CLAMP,13.2mm - 15.4mm

CLAMP spring-type, hose

2-3шт.

20a

214-1704

HOSE CLAMP,#04, 0.25" - 0.62", Type M Worm

CLAMP, HOSE, , Adjusting, If used #4, 0.25/0.62 Type M Worm

1шт.

21

A171805

RESERVOIR

coolant recovery

1шт.

22

A184079

CAP

coolant recovery reservoir

1шт.

23

495-21038

WASHER,5/16"

(flat, 3/8 x 7/8 x 3/32") 5/16"

2шт.

24

231-5145

SERRATED NUT,Flg, USR, 5/16"-18

NUT hex serrated flange, 5/16 inch NC

2шт.

25

D128547

HOSE,7.9 mm ID x 300.00 mm, SAE 30R6

Cut from P/N S120317X Bulk Hose 7.9 mm ID x 300.00 mm, SAE 30R6

1шт.

S120317X

HOSE

bulk, 8/5/16 ID x 7620 mm/300 inch long

1шт.

H424101

HOSE,7.90 mm ID x 2300.00 mm, SAE 30R2 Type 1

- Bulk 7.90 mm ID x 2300.00 mm, SAE 30R2 Type 1

1шт.

26

H434809

COCK, DRAIN

VALVE drain

1шт.

27

413-624

BOLT,Hex, 3/8" - 16 x 1-1/2", Gr 5

hex, 3/8 NC x 1-1/2 inch

2шт.

28

495-11041

WASHER,0.406" ID x 0.812" OD x 0.065" W

flat, (13/32 x 13/16 x 1/16")

2шт.

29

D52275

WASHER,9.92mm ID x 31.75mm OD x 2.78mm Thk

flat, special

2шт.

30

D75755

ISOLATOR

INSULATOR rubber

2шт.

31

A173165

SEALING STRIP

fan shroud, radiator

2шт.

32

515-23143

CLAMP,9/16", Insul, 3/8" Bolt

P-type, Coolant recovery hose 9/16", Insul, 3/8" Bolt

2шт.

33

A184084

OIL COOLER

COOLER hydraulic oil

1шт.

34

413-512

BOLT,Hex, 5/16" - 18 x 3/4", Gr 5

hex, 5/16 NC x 3/4 inch

4шт.

34a

495-11034

WASHER,5/16", SAE

5/16" SAE (flat, 11/32 x 11/16 x 1/16")

4шт.

35

231-5145

SERRATED NUT,Flg, USR, 5/16"-18

NUT hex serrated flange, 5/16 inch NC

4шт.

36

D128489

LINING

SEAL rubber, 496 mm/19-1/2 inch long, cut from P/N F43117X bulk seal

4шт.

F43117X

SEAL

formed rubber, adhesive-backed, bulk, 15/9/16 x 31/1-3/16 x 30480 mm/1200 inch long

1шт.

Выбрано товаров: 41