Запчасти Case 1835C (9-10) - LOADER LIFT FRAME (09) - CHASSIS/ATTACHMENTS

Схема запчастей Case 1835C - (9-10) - LOADER LIFT FRAME (09) - CHASSIS/ATTACHMENTS
8
19
13
28
8
27
18
21
5
28
10
19
7
18
14
27
19
8
6
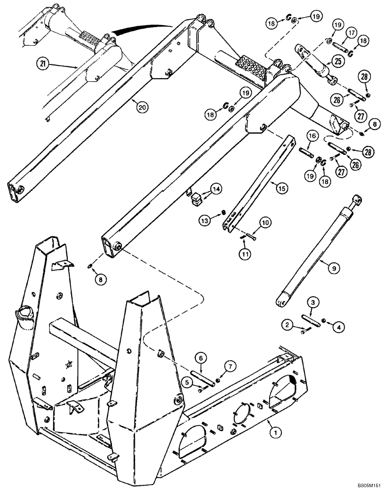
1
11
3
9
19
26
26
16
4
17
2
18
1
15
20
FIT
1:1
100%

Артикул

Название

Примечание

Количество

1

REF

INSTRUCTION

CHASSIS Uni-Loader, see Figure 9-02 - 9-06 for correct chassis and related parts

1шт.

2

426-636

BOLT,Hex, 3/8" - 16 x 2-1/4", Gr 8

hex, 3/8 NC x 2-1/4 inch, grade 8

2шт.

3

D134003

PIN,25.4mm OD x 164mm L

lift, Serial Range: cylinder-chassis

2шт.

4

232-4116

NUT,3/8"-16, GC

NUT, LOCK, 3/8"-16, GC

2шт.

5

426-640

BOLT,Hex, 3/8" - 16 x 2-1/2", Gr 8

hex, 3/8 NC x 2-1/2 inch, grade 8

2шт.

6

D124397

PIN,31.75mm OD x 235mm L

loader lift, Serial Range: frame-chassis

2шт.

7

232-4116

NUT,3/8"-16, GC

NUT, LOCK, 3/8"-16, GC

2шт.

8

219-86

LUBE NIPPLE,1/8" NPTF

FITTING grease, straight, self tapping 1/8 PT x 5/8 inch

4шт.

9

117824A1

CYLINDER,Double Acting, 38.1mm Rod, 679.4mm Stroke

ASSEMBLY, 64/2-1/2 ID x 679 mm/26-3/4 inch stroke, loader lift, see Figure 8-74, Replaces: P/N G110666 cylinder assembly, see Figure 8-72

2шт.

10

D79998

PIN

strut lock

1шт.

11

136-159

HAIR PIN COTTER,Int, 3/16 x .080"

PIN, SPLIT (COTTER), Int, 3/16 x .080"

1шт.

13

248-2198

GROMMET,3/8" ID x 5/8" Groove Dia

rubber, 5/8 inch groove diameter, frame

1шт.

14

D79692

PAD

51 x 51 x 19 mm

2шт.

15

D124937

STRUT

lift frame support

1шт.

16

D137151

PIN,25.4mm OD x 122.6mm L

pivot, 1 x 4-13/16 inch long

2шт.

17

D137594

PIN,25.4mm OD x 134.5mm L

bucket tilt cylinder to loader lift frame

2шт.

18

D25277

SNAP RING,23.5mm ID x 2.62mm Thk

RING snap

8шт.

19

95-81125

WASHER,1 1/16" x 1 3/4" x .065"

flat, 1-1/16 x 1-3/4 x 1/16 inch

8шт.

20

D137166

ARM

FRAME loader lift, no longer available, order P/N 229570A1 frame service kit below

1шт.

229570A1

ARM

KIT loader arm, service, with tabs for auxillary hydraulic flat face couplers, Replaces: P/N H673259 frame

1шт.

21

NSS

NOT SOLD SEPARAT

FRAME loader lift, with tabs for auxiliary hydraulic flat face couplers, service with P/N 229570A1 kit

1шт.

22

D134680

DECAL

Important, Case coupler, English, not shown

1шт.

23

179180A2

DECAL

Case, with stripes, left-hand side, 5 inch/127 mm high, not shown

1шт.

24

179181A2

DECAL

Case, with stripes, right-hand side, 5 inch/127 mm high, not shown

1шт.

25

118110A1

CYLINDER,Double Acting, 31.8mm Rod, 402.6mm Stroke

ASSEMBLY, 65/2-1/2 ID x 403 mm/15-7/8 inch stroke, bucket tilt, see Figure 8-78, Replaces P/N G103407 cylinder assembly, see Figure 8-76

2шт.

25

118110A1R

REMAN-HYD CYLINDER

1835C CASE UNI LOADER SKID STEER LOADER, ASSEMBLY

2шт.

25

118110A1C

CORE-HYD CYLINDER

Return Number

2шт.

26

D55925

PIN,25.4mm OD x 165.1mm L

pivot, loader lift frame and bucket cylinder, for Case coupler and mounting pins see Figure 9-26 and 9-28

4шт.

27

426-636

BOLT,Hex, 3/8" - 16 x 2-1/4", Gr 8

hex, 3/8 NC x 2-1/4 inch, grade 8, if used

4шт.

28

232-4116

NUT,3/8"-16, GC

NUT, LOCK, , If used 3/8"-16, GC

4шт.

B93176 wheel bearing kit consists of: 2 pcs, Ref. 4 cp., 1 Ref. 33 cone and 1 Ref. 34 seal. one kit per wheel

1шт.

Выбрано товаров: 31