Запчасти Case 1835C (2-26) - CAMSHAFT AND ROCKER ARM ASSEMBLY, TMD-20 DIESEL ENGINE (02) - ENGINE

Схема запчастей Case 1835C - (2-26) - CAMSHAFT AND ROCKER ARM ASSEMBLY, TMD-20 DIESEL ENGINE (02) - ENGINE
FIT
1:1
100%

Артикул

Название

Примечание

Количество

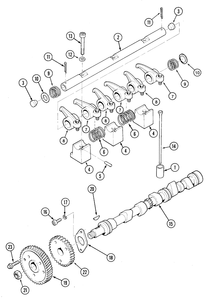
1

1959723C1

TAPPET

valve

6шт.

1959990C1

KIT

rocker arm shaft, Includes: Ref. 2 - 11and P/N 1959725C1

1шт.

1959725C1

SHAFT

ASSEMBLY, rocker arm, Includes: Ref. 2 and 3

1шт.

2

NSS

NOT SOLD SEPARAT

SHAFT rocker, order P/N 1959725C1 shaft assembly

1шт.

3

1959726C1

PLUG

cup, 9/16 inch OD, shaft ends

2шт.

4

1959727C1

SUPPORT

shaft

3шт.

5

1959728C1

PIN

roll, special, front, Serial Range: support-shaft

1шт.

6

1959729C1

SPRING

shaft

2шт.

7

1959730C1

ROCKER ARM

ARM intake rocker

3шт.

8

1959731C1

ROCKER ARM

ARM exhaust rocker

3шт.

9

1959732C1

SPRING

rocker shaft end

2шт.

10

1959733C1

WASHER

flat, special

2шт.

11

432-620

COTTER PIN,3/32" x 1 1/4"

3/32" x 1 1/4"

2шт.

12

1959993C1

WASHER

flat, special, shaft support to cylinder head

3шт.

13

864-8065

HEX SOC SCREW,M8 x 65mm, Cl 8.8

BOLT hex socket, 8-1.25 x 65 mm

3шт.

14

1959736C1

ROD

push

6шт.

15

1959699C1

CAMSHAFT

engine

1шт.

16

864-8016

HEX SOC SCREW,M8 x 16mm, Cl 8.8

SCREW, Hex Soc Hd, M8 x 16, 8.8

2шт.

17

1959846C1

LOCK WASHER

WASHER lock, thrust, Serial Range: plate-crankcase

2шт.

18

1959702C1

PLATE

thrust

1шт.

19

1960007C1

GEAR

camshaft, no longer available, order P/N 243044A1 cam gear and P/N 243043A1 crank gear, see Figure 2-20; Ref. 4

1шт.

19

243044A1

GEAR

camshaft, not shown

1шт.

20

1959704C1

KEY

cam gear

1шт.

21

1960009C1

NUT

hex, special

1шт.

22

1960008C1

GEAR

spur, 34 teeth, injection pump drive

1шт.

23

1960011C1

BOLT,M10 x 1.5 x 25mm

SCREW 12 point flange, 10 x 25 mm

3шт.

Выбрано товаров: 26