Запчасти Case 1835C (3-18) - FUEL SYSTEM, TM-20 GASOLINE ENGINE (03) - FUEL SYSTEM

Схема запчастей Case 1835C - (3-18) - FUEL SYSTEM, TM-20 GASOLINE ENGINE (03) - FUEL SYSTEM
FIT
1:1
100%

Артикул

Название

Примечание

Количество

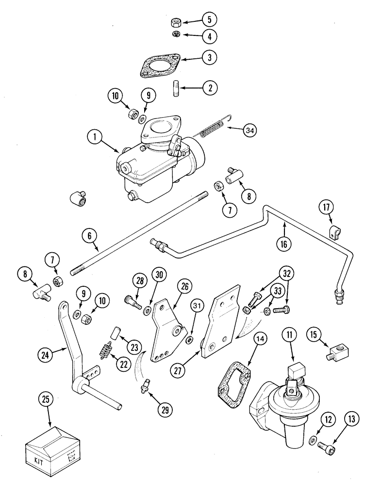
1

A189149

CARBURETOR

gas engine, no longer available, order P/N 1960015C1 carburetor, no repair kit available

1шт.

1

1960015C2

CARBURETOR

gas engine, up-draft, see Figure 3-20, Replaces: P/N A189149 carburetor, Includes: Ref. 1A and 1B

1шт.

1a

B51400

SUPPORT

BRACKET choke cable, not shown

1шт.

1b

B51458

SCREW,#8 - 32 x 0.37"

bracket, not shown

4шт.

2

1959901C1

STUD

carburetor to intake manifold

2шт.

3

39256

GASKET

carburetor, included in gasket kit P/N 1981593C1, see Figure 2-50

1шт.

4

1959994C1

LOCK WASHER

WASHER lock, 10 mm, Serial Range: carburetor-manifold

2шт.

5

825-1410

NUT,M10, Cl 8

Carburetor to manifold M10, Cl 8

2шт.

6

1959904C1

ROD

carburetor control

1шт.

7

425-114

NUT,1/4"-28, G5

2шт.

8

1959905C1

BALL JOINT

JOINT ball, 90°

2шт.

9

194-104

WASHER

WASHER lock, 1/4 inch

2шт.

10

425-114

NUT,1/4"-28, G5

2шт.

1960018C1

KIT

fuel pump replacement, Includes: Ref. 11 - 13

1шт.

11

1959906C1

PUMP

fuel

1шт.

12

1959995C1

WASHER

flat, special, 8 mm

2шт.

13

413-516

BOLT,Hex, 5/16" - 18 x 1", Gr 5

hex, 5/16 NC x 1 inch, if used

2шт.

13

864-8025

HEX SOC SCREW,M8 x 25mm, Cl 8.8

SCREW, , If used Hex Soc Hd, M8 x 25, 8.8

2шт.

14

1959816C1

GASKET

fuel pump

1шт.

15

222-1024

ELBOW,90 Degree, 1/2"-20 Inv Fl x 1/8" NPT

1/2-20 inverted flare x 1/8 inch PT, 90°

1шт.

16

1960010C1

FUEL TUBE

TUBE fuel supply, Serial Range: pump-carburetor

1шт.

17

A38799

CLAMP

P-type, fuel line to cylinder head

1шт.

22

1959911C1

SPRING

governor

1шт.

23

1959913C1

PLUNGER

governor spring

1шт.

24

1959873C1

LEVER

governor shaft assembly, see Figure 2-54 for shaft and actuating parts

1шт.

25

A189179

KIT

service carburetor

1шт.

Part of Carburetor Service Kit P/N A189179, Includes: P/N 138484A1 gasket kit and P/N 138483A1 carburetor kit, and Ref. 2, 4, 5, 14, 15, 18-20, 22A, 24, 26, 28, 29, 31, 32, 36, 38-P/N 13848274A1, 43, 45 and 47 on Figure 3-20

1шт.

1951589C1

LEVER

ASSEMBLY governor, Replaces: P/N 1959910C1 lever and P/N 1959912C1 bracket assembly, Includes: 26 - 34

1шт.

26

A189486

LEVER

governor

1шт.

27

A189487

BRACKET

governor lever

1шт.

28

A189488

STEP BOLT,M10 x 1.5 x 20.25mm

BOLT shoulder, special

1шт.

29

219-11

LUBE NIPPLE,1/4" - 28 NPTF

NIPPLE, LUBE, , Straight, Taper 1/4"-28 NPT x .94" lg

1шт.

30

1981590C1

WASHER

flat, special, outer

1шт.

31

1981591C1

WASHER

flat, special, inner

1шт.

32

614-8045

BOLT,Hex, M8 x 1.25 x 45mm, Cl 8.8, Full Thd

2шт.

33

825-1408

NUT,M8, Cl 8

2шт.

34

1960013C1

SPRING

choke return

1шт.

Выбрано товаров: 37