Запчасти Case 1835C (4-10) - STARTER, GASOLINE MODELS ONLY (04) - ELECTRICAL SYSTEMS

Схема запчастей Case 1835C - (4-10) - STARTER, GASOLINE MODELS ONLY (04) - ELECTRICAL SYSTEMS
FIT
1:1
100%

Артикул

Название

Примечание

Количество

235907A1

STARTING MOTOR

STARTER ASSEMBLY, gasoline engine, Replaces: P/N 1959930C1 starter, Includes: Ref. 1 - 20

1шт.

87297360

REMAN-STARTER

Remanufactured STARTER - For N.A. Only

1шт.

87297361

CORE-STARTER

Return number - For N.A. only

1шт.

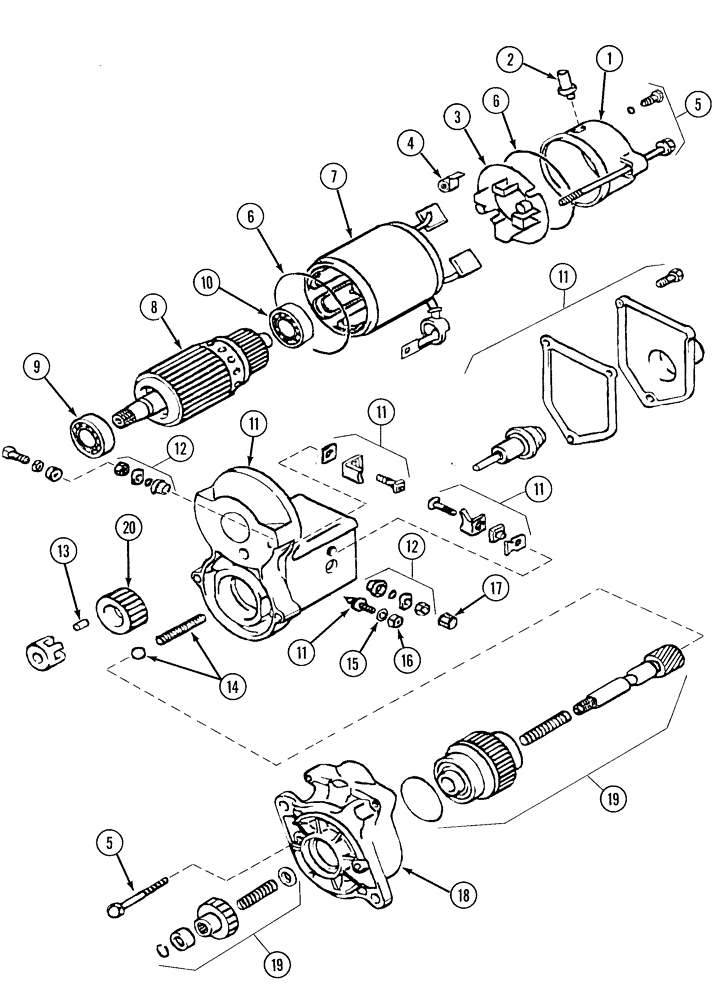
1

252750A1

FRAME

FRAME starter end

1шт.

2

252753A1

BUSHING

BUSHING drain

1шт.

3

252751A1

SUPPORT

HOLDER ASSEMBLY brush

1шт.

4

252752A1

SPRING

SPRING brush

4шт.

5

252756A1

KIT

KIT hardware, starter through bolts and screws with O-rings

1шт.

6

1959597C1

O-RING

O-RING starter

2шт.

7

252745A1

YOKE

UNIVERSAL JOINT YOKE YOKE starter, includes coil and brushes

1шт.

8

252746A1

ARMATURE

ARMATURE starter

1шт.

9

252754A1

BEARING, BALL

BEARING ball

1шт.

10

252755A1

BUSHING

BEARING ball

1шт.

11

252749A1

SWITCH

SWITCH magnetic

1шт.

12

252759A1

KIT

KIT starter, terminal

1шт.

13

1959591C1

ROLLER

ROLLER retainer

5шт.

14

252758A1

KIT

KIT starter end, ball and return spring

1шт.

15

892-11004

LOCK WASHER,M4

WASHER, LOCK, M4

1шт.

16

824-1404

NUT,M4, Cl 5

NUT - hex, 4 mm - 0.7, class 5

1шт.

17

829-1408

NUT,Hex, M8 x 1.25, Cl 10.9

NUT, M8, Cl 10

1шт.

18

252748A1

HOUSING

HOUSING starter

1шт.

19

252747A1

KIT

KIT starter, pinion and clutch, parts not serviced separately

1шт.

20

252757A1

KIT

KIT repair

1шт.

Выбрано товаров: 23