Запчасти Case 1835C (4-14) - FRONT HARNESS AND INSTRUMENT CLUSTER P.I.N. JAF0037367 AND AFTER (04) - ELECTRICAL SYSTEMS

Схема запчастей Case 1835C - (4-14) - FRONT HARNESS AND INSTRUMENT CLUSTER P.I.N. JAF0037367 AND AFTER (04) - ELECTRICAL SYSTEMS
FIT
1:1
100%

Артикул

Название

Примечание

Количество

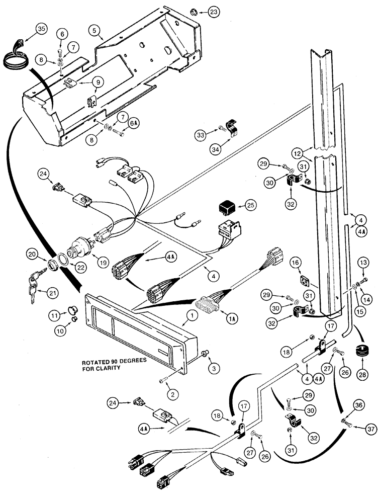
1

H436507

CLUSTER, INSTR.

CLUSTER instrument, 12 pin connector, no longer used, order P/N H438451 cluster and P/N H439038 harness adapter Ref. 1A

1шт.

367530A1R

REMAN-INSTR CLUSTER

1835C P/N H438451 & P/N H439038, P.I.N. JAF0037367 AND AFTER, Reman For New P/N H436507

1шт.

367530A1C

CORE-CLUSTER, INSTR

Return Number

1шт.

1

H438451

CLUSTER, INSTR.

CLUSTER instrument, 10 pin connector

1шт.

367530A1R

REMAN-INSTR CLUSTER

1835C P.I.N. JAF0037367 AND AFTER, Reman For New P/N H438451

1шт.

367530A1C

CORE-CLUSTER, INSTR

Return Number

1шт.

1a

H439038

HARNESS

adapter, 10 to 12 pin connector, if used

1шт.

2

190-103

SCREW,Cross Pan Hd, #10 - 32 x 1"

machine pan, Phillips No. 10 NF x 1 inch

4шт.

3

D122634

ISOLATOR,12.7mm OD x 14.1mm L

RETAINER screw

4шт.

4

H438248

HARNESS

front, with 12 pin connector at cluster, Serial Range: JAF0037367-JAF0037834

1шт.

4a

H439159

HARNESS

front, with 10 pin connector at cluster, Start Serial: JAF0037835

1шт.

5

H674342

PANEL, INSTRUMENTS

PANEL instrument, Replaces: P/N H673414

1шт.

6

413-412

BOLT,Hex, 1/4" - 20 x 3/4", Gr 5

hex, 1/4 NC x 3/4 inch

1-4шт.

6a

413-416

BOLT,Hex, 1/4" - 20 x 1", Gr 5

hex, 1/4 NC x 1 inch

2-3шт.

7

492-11025

LOCK WASHER,1/4"

WASHER, LOCK, 1/4"

3-7шт.

8

495-11028

WASHER,1/4", SAE

(flat, 9/32 x 5/8 x 1/16") 1/4", SAE

3-7шт.

9

131-610

SPRING NUT,U, Ret, 1/4"-20

If used U, Ret, 1/4"-20

3-7шт.

10

353-402

PLUG,Dome, .375" hole, Nylon

If used Dome, .375" hole, Nylon

1шт.

11

353-407

PLUG,Dome, .687" hole, Nylon

button, 11/16 inch

1шт.

12

D139504

COVER

front harness, Serial Range: JAF0037367-JAF0037681

1шт.

13

413-412

BOLT,Hex, 1/4" - 20 x 3/4", Gr 5

hex, 1/4 NC x 3/4 inch, Used with Ref. 12 cover

3шт.

14

492-11025

LOCK WASHER,1/4"

WASHER, LOCK, , Used with Ref. 12 cover 1/4"

3шт.

15

495-11028

WASHER,1/4", SAE

(flat, 9/32 x 5/8 x 1/16"), Used with Ref. 12 cover 1/4", SAE

3шт.

16

131-610

SPRING NUT,U, Ret, 1/4"-20

Used with Ref. 12 cover U, Ret, 1/4"-20

3шт.

17

515-22190

CLAMP,3/4", Insul, 5/16" Bolt

P-type, Front harness 3/4", Insul, 5/16" Bolt

3шт.

18

230-4215

NUT,5/16"-18, GA

NUT hex, self-locking, 5/16 inch NC

3шт.

D134737

IGNITION SWITCH

SWITCH ASSEMBLY, ignition, includes keys, Includes: Ref 19, 20, and all 21's

1шт.

19

NSS

NOT SOLD SEPARAT

SWITCH ignition

1шт.

20

A77314

NUT

hex, special, switch mounting

1шт.

21

A77313

SET OF 2 KEYS

KEYS ignition, set of two; metal without padding

1шт.

21

A77313

SET OF 2 KEYS

KEY, set of two, soft cover on key, if used, not shown

1шт.

22

493-21104

LOCK WASHER,Int Tooth, 1"

WASHER - internal tooth lock, 1 inch

1шт.

23

353-405

PLUG,Dome, .562" hole, Nylon

button, 9/16 inch

1шт.

24

A149802

FUSE

yellow, 20 ampere, used at key switch, Serial Range: JAF0037835-JAF0037835

1шт.

25

D128310

RELAY

30 ampere, Replaces: P/N 1983394C1

1шт.

26

413-520

BOLT,Hex, 5/16" - 18 x 1-1/4", Gr 5

hex, 5/16 NC x 1-1/4 inch, if used

3шт.

27

495-11034

WASHER,5/16", SAE

5/16" SAE (flat, 11/32 x 11/16 x 1/16"), If used

3шт.

28

248-13107

GROMMET,3/4" ID x 1 1/16" Groove Dia, Str Cut

Rubber 3/4" ID x 1 1/16" Groove Dia, Str Cut

1шт.

29

413-512

BOLT,Hex, 5/16" - 18 x 3/4", Gr 5

hex, 5/16 NC x 3/4 inch

3шт.

30

495-11034

WASHER,5/16", SAE

5/16" SAE (flat, 11/32 x 11/16 x 1/16")

3шт.

31

231-5145

SERRATED NUT,Flg, USR, 5/16"-18

NUT hex serrated flange, 5/16 inch NC

3шт.

32

H437729

CLIP

CLAMP harness

3шт.

33

413-412

BOLT,Hex, 1/4" - 20 x 3/4", Gr 5

hex, 1/4 NC x 3/4 inch

1шт.

34

H437729

CLIP

CLAMP harness

1шт.

35

D52412

RUBBER STRIP

TRIM edge, 1270 mm/50 inch long, cut form P/N F42827 bulk trim

1шт.

36

492-11031

LOCK WASHER,5/16"

WASHER, LOCK, , if used 5/16"

2шт.

37

413-510

BOLT,Hex, 5/16" - 18 x 5/8", Gr 5

- hex, 5/16 NC x 5/8 inch, if used

2шт.

F42827

TRIM,2946.4mm L

TRIM edge, bulk, 2946 mm/116 inch long

1шт.

Выбрано товаров: 48