Запчасти Case 1835C (6-16) - TANDEM PUMP LINKAGE, PRIOR TO P.I.N. JAF0037367 (06) - POWER TRAIN

Схема запчастей Case 1835C - (6-16) - TANDEM PUMP LINKAGE, PRIOR TO P.I.N. JAF0037367 (06) - POWER TRAIN
FIT
1:1
100%

Артикул

Название

Примечание

Количество

1

REF

INSTRUCTION

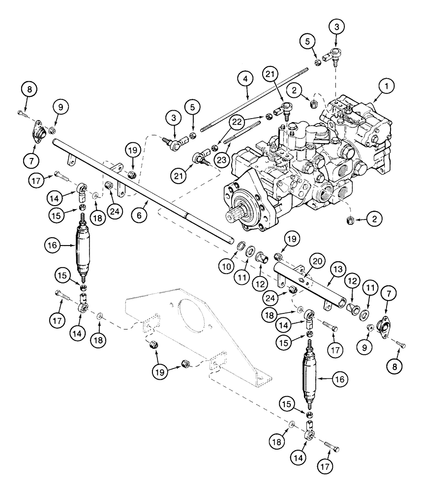
PUMP ASSEMBLY, tandem, see Figure 6-24 - 6-42 for correct assembly and component parts

1шт.

2

231-2446

NUT,3/8"-24, GB

NUT hex, self-locking, 3/8 inch NF

2шт.

3

R47940

BALL JOINT

JOINT ball, 3/8 inch NF, if used

2шт.

3

230425A1

BALL JOINT,3/8" - 24 x 1-3/5"

JOINT ball, with hex slot, 3/8 inch NF, not shown, if used

2шт.

4

D128460

ROD

threaded, left hand control

1шт.

5

425-116

NUT,3/8" - 24, Gr 5

Hex 3/8"-24, G5

2шт.

6

D128458

SHAFT

cross, pump control

1шт.

7

D139039

BEARING ASSY,19mm ID

BEARING flange type, cross shaft mounting

2шт.

8

413-512

BOLT,Hex, 5/16" - 18 x 3/4", Gr 5

hex, 5/16 NC x 3/4 inch

4шт.

9

231-5145

SERRATED NUT,Flg, USR, 5/16"-18

NUT hex serrated flange, 5/16 inch NC

4шт.

10

103-1475

SNAP RING,#75, Ext

Ring, Snap, , Cross shaft to bellcrank (Replaces P/N R39773) #75, Ext

1шт.

11

A30881

SEALING WASHER,19.45mm ID x 31.35mm OD

WASHER special, hardened, flat, spacer

2шт.

12

72323

BUSHING,19.07mm ID x 28.57mm OD x 19.05mm L

nylon

2шт.

13

D128459

CRANKCASE ASSY

BELLCRANK cross shaft

1шт.

14

A32398

BALL JOINT

JOINT ball, female, 3/8 inch NF

4шт.

15

425-116

NUT,3/8" - 24, Gr 5

Hex 3/8"-24, G5

4шт.

16

D66538

SHOCK ABSORBER

ABSORBER shock, pump controls

2шт.

17

413-620

BOLT,Hex, 3/8" - 16 x 1-1/4", Gr 5

hex, 3/8 NC x 1-1/4 inch

4шт.

18

495-11041

WASHER,0.406" ID x 0.812" OD x 0.065" W

flat, (13/32 x 13/16 x 1/16")

4шт.

19

231-5146

FLANGE NUT,3/8"-16

4шт.

20

219-1

LUBE NIPPLE,1/8" - 27 NPTF

FITTING grease, straight, 1/8 PT x 21/32 inch

1шт.

21

R47940

BALL JOINT

JOINT ball, 3/8 inch NF, if used

2шт.

21

230425A1

BALL JOINT,3/8" - 24 x 1-3/5"

JOINT ball, with hex slot, 3/8 inch NF, not shown, if used

2шт.

22

425-116

NUT,3/8" - 24, Gr 5

Hex 3/8"-24, G5

2шт.

23

D127887

ROD

threaded, right-hand control

1шт.

24

231-2446

NUT,3/8"-24, GB

NUT hex, self-locking, 3/8 inch NF

2шт.

Выбрано товаров: 26