Запчасти Case 1835C (6-24) - TANDEM PUMP ASSEMBLY FRONT DRIVE PUMP HOUSING, VALVES AND PLUGS (06) - POWER TRAIN

Схема запчастей Case 1835C - (6-24) - TANDEM PUMP ASSEMBLY FRONT DRIVE PUMP HOUSING, VALVES AND PLUGS (06) - POWER TRAIN
FIT
1:1
100%

Артикул

Название

Примечание

Количество

H672849

PUMP

ASSEMBLY, tandem, Sundstrand No. M91-46209, see Figure 6-24 - 6-42, no longer available, order P/N 127930A1R, Includes: Ref. 1 - 13, Serial Range: -17940460

1шт.

H672996

PUMP

ASSEMBLY, tandem, Sundstrand No. M91-46223, see Figure 6-24 - 6-42, no longer available, order P/N 127930A1R pump for service, Includes: Ref. 1 - 13, Serial Range: 17940460-JAF0013277

1шт.

H673152

PUMP

ASSEMBLY, tandem, Sundstrand No. M91-46262, see Figure 6-24 - 6-42, no longer available, order P/N 127930A1R pump for service, Includes: Ref. 1 - 13, Serial Range: JAF0013278-JAF0037366

1шт.

H673667

PUMP

ASSEMBLY, tandem, Sundstrand No. M91-46262, see Figure 6-24 - 6-42, no longer available, order P/N 127930A1R pump for service, Includes: Ref. 1 - 13, Serial Range: JAF0037367-JAF0118499

1шт.

127930A1

PUMP

ASSEMBLY, tandem, Sundstrand No. M91-46139, see Figure 6-24 - 6-42, order P/N 127930A1R remanufactured pump, service replacement for all pumps, Includes: Ref. 1 - 13, Start Serial: JAF0118500

1шт.

127930A2

PUMP

1шт.

127930A2R

PUMP

Remanufactured PUMP - N.A. Only

1шт.

127930A2C

PUMP

Return No, PUMP - N.A. Only

1шт.

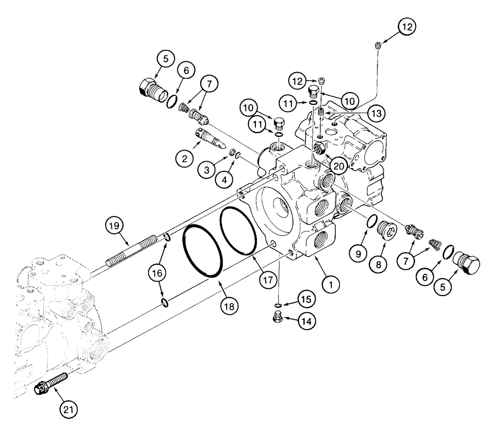
1

NSS

NOT SOLD SEPARAT

HOUSING front drive pump

1шт.

2

N14663

BY-PASS VALVE

VALVE bypass, P/N H672849 pump

1шт.

2

H436008

BY-PASS VALVE

VALVE bypass, P/N's H672996, H673152, H673667, or 127930A1 pump

1шт.

3

S99877

BACK-UP RING,Split, 9.91mm ID x 12.65mm OD x 1.32mm Thk

backup, bypass valve

1шт.

4

238-6012

O-RING,0.07" Thk x 0.364" ID, -12, Cl 6, 90 Duro

Bypass valve -012, 90 Duro, .364" ID x .070" Thk

1шт.

N14667

KIT

VALVE ASSEMBLY, relief, P/N H672849 pump, Includes: Ref. all 5's, 6, and 7

2шт.

H673227

VALVE

ASSEMBLY, relief, P/N's H672996, H673152, H673667, or 127930A1 pump, Includes: Ref. all 5's and 6 - 8

2шт.

5

N14669

PLUG

hex, special, used with P/N N14667 relief valve assembly

1шт.

5

NSS

NOT SOLD SEPARAT

PLUG hex head, special, used with P/N H673227 relief valve assembly

1шт.

6

237-6012

O-RING,0.116" Thk x 0.924" ID, -912, Cl 6, 90 Duro

12-1, 90 Duro, .924 ID x .116" Thk

1шт.

7

NSS

NOT SOLD SEPARAT

VALVE relief, pump

1шт.

8

9841223

PLUG,1-1/16" - 12 ORB

1шт.

9

237-6012

O-RING,0.116" Thk x 0.924" ID, -912, Cl 6, 90 Duro

12-1, 90 Duro, .924 ID x .116" Thk

1шт.

10

76349

PLUG,9/16" - 18 ORB

2шт.

11

237-6006

O-RING,0.078" Thk x 0.468" ID, -906, Cl 6, 90 Duro

6-1, 90 Duro, .468" ID x .078" Thk

1шт.

12

F23137

PLUG

pipe, special

2шт.

13

H435773

PLUG

orifice, P/N H672849 pump, Replaces: P/N N14000 plug

1шт.

13

H436007

PLUG

orifice, 0.062 inch, P/N's H672996, H673152, H673667, or 127930A1 pump

1шт.

140008A1

GASKET KIT

KIT seal, overhaul P/N 127930A1 pump, component parts not serviced separtely

1шт.

REF

INSTRUCTION

PUMP ASSEMBLY, tandem, pump options are P/N's H672849, H672996, H673152, H673667 and H127930A1, Includes: Ref. 14 - 22

1шт.

14

9672438

PLUG,7/16" - 20 ORB

Incl. Ref. 15 Hex Hd, 7/16"-20 ORB

1шт.

15

237-6004

O-RING,0.072" Thk x 0.351" ID, -904, Cl 6, 90 Duro

4-1, 90 Duro, .351" ID x .072" Thk

1шт.

16

A55911

O-RING,0.807" ID

front housing, small, P/N's H672849, H672996 or H673152 pump

2шт.

16

238-6116

O-RING,0.103" Thk x 0.737" ID, -116, Cl 6, 90 Duro

Front housing, small, P/N H673667 or 127930A1 pump -116, 90 Duro, .737" ID x .103" Thk

2шт.

17

238-6240

O-RING,0.139" Thk x 3.734" ID, -240, Cl 6, 90 Duro

Front housing, P/N H672849 pump -240, 90 Duro, 3.734" ID x .139" Thk

1шт.

17

238-6238

O-RING,0.139" Thk x 3.484" ID, -238, Cl 6, 90 Duro

Front housing, P/N's H672996, H673152, H673667, or 127930A1 pump -238, 90 Duro, 3.484" ID x .139" Thk

1шт.

18

D41420

O-RING,0.07" Thk x 3.989" ID, -45, Cl 5, 75 Duro

front housing to rear housing, P/N's H672849, H672996, or H673152 pump, Includes: Ref. 19 - 22

1шт.

18

H437190

O-RING

front housing to rear housing, P/N H673667 or 127930A1 pump

1шт.

19

K608432

STUD,1/2" - 13 x 4-1/2"

lifting bracket

1шт.

20

425-108

NUT,1/2" - 13, Gr 5

NUT, , Hex 1/2"-13, G5

1шт.

21

26044R1

12 PT SCREW,Flg, 1/2" - 13 x 2"

BOLT, 12 Pt Flg, 1/2"-13 x 2"

2шт.

22

NSS

NOT SOLD SEPARAT

BRACKET lifting, not shown

1шт.

Выбрано товаров: 40