Запчасти Case 1835C (6-55) - HYDRAULIC EQUIPMENT PUMP & ADAPTING PARTS (06) - POWER TRAIN

Схема запчастей Case 1835C - (6-55) - HYDRAULIC EQUIPMENT PUMP & ADAPTING PARTS (06) - POWER TRAIN
FIT
1:1
100%

Артикул

Название

Примечание

Количество

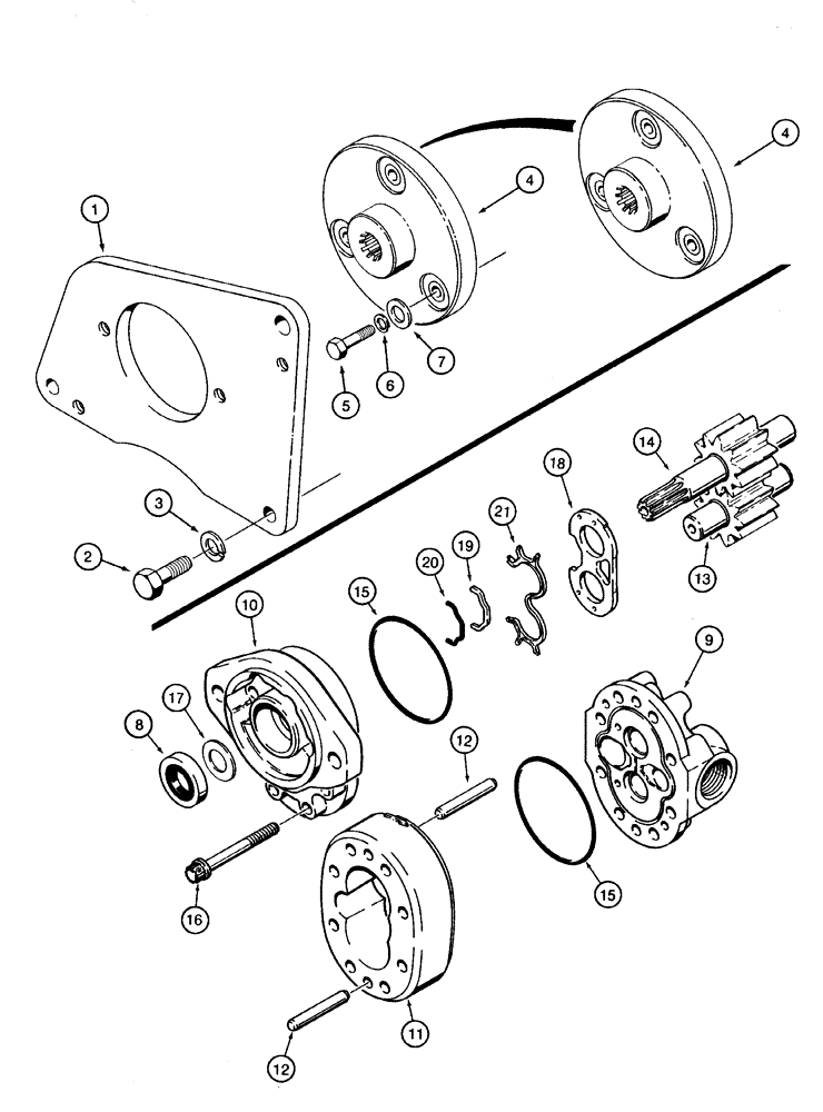
1

D126394

ADAPTER

PLATE adapting

1шт.

2

614-12030

BOLT,Hex, M12 x 1.75 x 30mm, Cl 8.8, Full Thd

BOLT - hex, full threads, 12 - 1.75 x 30 mm

1шт.

3

80679

LOCK WASHER,1/20.507 CST ZND

WASHER, LOCK, 1/2"

1шт.

4

D126367

COUPLING

COUPLING pump, 11 spline, Serial Range: -JAF0130838

1шт.

4

132641A1

SPLINED COUPLING

COUPLING pump, 13 spline, use with P/N 132642A1 pump, Start Serial: JAF0130838

1шт.

5

114-107

BOLT,Hex, 5/16" - 24 x 1-1/2", Gr 5

BOLT hex, 5/16 NF x 1-1/2 inch, used with P/N D126367 coupling

3шт.

5

814-8040

BOLT,Hex, M8 x 1.25 x 40mm, Cl 8.8

BOLT, , Full Thd, used with P/N 132641A1 coupling Hex, M8 x 40, 8.8

3шт.

6

492-11031

LOCK WASHER,5/16"

WASHER, LOCK, , used with P/N D126367 coupling 5/16"

3шт.

6

892-11008

LOCK WASHER,8mm ID

WASHER, LOCK, , Used with P/N 132641A1 coupling M8

3шт.

7

495-21031

WASHER,1/4"

WASHER flat, 5/16 x 3/4 x 1/16 inch, used with P/N D126367 coupling

3шт.

7

495-11034

WASHER,5/16", SAE

WASHER, 5/16" SAE (flat, 11/32 x 11/16 x 1/16"), Used with P/N 132641A1 coupling

3шт.

D126505

PUMP

PUMP ASSEMBLY, hydraulic equipment, no longer available, order P/N 132641A1 coupling, Ref. 4 and P/N 132642A1 pump assembly, Ref. 6 on Figure 8-70; see Figure 8-30 or 8-34 for mounting hardware. Includes: Ref. 8 - 21

1шт.

Identified with 11 splines, 2 ports in port end cover and with 8 housing bolts

1шт.

8

H83733

SEAL

SEAL shaft D126505 EQUIPMENT PUMP

1шт.

Part of Seal Kit, P/N 1272638C2

1шт.

9

H435656

COVER

COVER port end D126505 EQUIPMENT PUMP

1шт.

10

H435657

COVER

COVER drive shaft end, Includes: Ref. P/N N14261 and 1 - 20 D126505 EQUIPMENT PUMP

1шт.

N14261

BODY

HOUSING ASSEMBLY, gear, Includes: Ref. 11 and 12 D126505 EQUIPMENT PUMP

1шт.

11

NSS

NOT SOLD SEPARAT

HOUSING gear D126505 EQUIPMENT PUMP

1шт.

12

71120

VALVE

PIN dowel, gear housing D126505 EQUIPMENT PUMP

2шт.

13

N8888

GEAR

GEAR driven, pump D126505 EQUIPMENT PUMP

1шт.

14

N14262

GEAR

GEAR drive, pump D126505 EQUIPMENT PUMP

1шт.

15

238-5041

O-RING,0.07" Thk x 2.989" ID, -41, Cl 5, 75 Duro

O-RING, -041, 70 Duro, 2.989" ID x .070" Thk, D126505 Equipment Pump

2шт.

Part of Seal Kit, P/N 1272638C2

1шт.

16

166-33

12 PT SCREW,Flg, 5/16" - 18 x 2 3/4", Gr 8

BOLT 12 point flange, 5/16 NC x 2-3/4 inch, grade 8 D126505 EQUIPMENT PUMP

8шт.

17

N13135

WASHER

WASHER special D126505 EQUIPMENT PUMP

1шт.

Part of Seal Kit, P/N 1272638C2

1шт.

18

NSS

NOT SOLD SEPARAT

PLATE wear, pump D126505 EQUIPMENT PUMP

1шт.

Part of Seal Kit, P/N 1272638C2

1шт.

19

NSS

NOT SOLD SEPARAT

RING backup, seal D126505 EQUIPMENT PUMP

1шт.

Part of Seal Kit, P/N 1272638C2

1шт.

20

NSS

NOT SOLD SEPARAT

SEAL pump D126505 EQUIPMENT PUMP

1шт.

Part of Seal Kit, P/N 1272638C2

1шт.

21

NSS

NOT SOLD SEPARAT

RETAINER seal D126505 EQUIPMENT PUMP

1шт.

Part of Seal Kit, P/N 1272638C2

1шт.

1272638C2

SEAL KIT

KIT seal, Includes: Ref. 8, 15 and 17 - 20 D126505 EQUIPMENT PUMP

1шт.

Выбрано товаров: 36