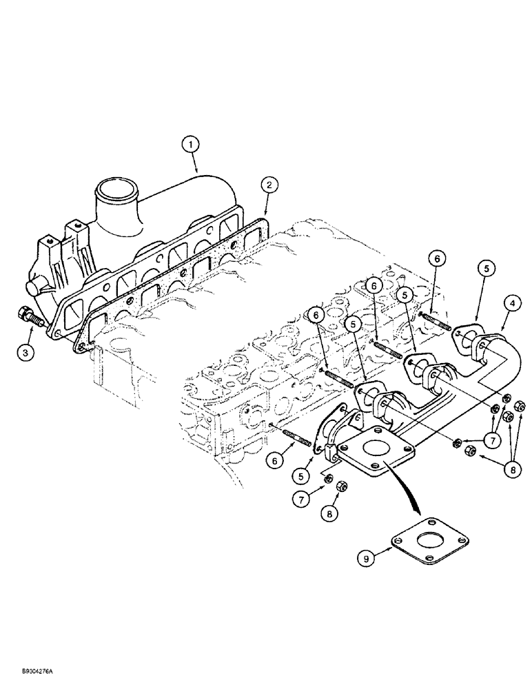
Запчасти Case 1838 (2-06) - INTAKE MANIFOLD AND EXHAUST MANIFOLD, KUBOTA V2203 ENGINE (02) - ENGINE

Схема запчастей Case 1838 - (2-06) - INTAKE MANIFOLD AND EXHAUST MANIFOLD, KUBOTA V2203 ENGINE (02) - ENGINE
3
7
6
9
5
4
1
5
6
2
6
8
6
5
6
8
7
FIT
1:1
100%

Артикул

Название

Примечание

Количество

1

126412A1

TUBE ASSY.

MANIFOLD intake

1шт.

2

126413A1

MANIFOLD GASKET

intake manifold

1шт.

3

1959456C1

BOLT

PLUG gear cover, Replaces: 1959188C1

7шт.

4

126414A1

SUCTION PIPE

MANIFOLD exhaust

1шт.

5

126415A1

MANIFOLD GASKET

exhaust manifold

4шт.

6

1959457C1

STUD

exhaust manifold

8шт.

7

1959162C1

LOCK WASHER

lock

8шт.

8

43362

NUT,M8 x 1.25, Cl 10

M8, Cl 10

8шт.

9

126500A2

GASKET

exhaust manifold to muffler, Replaces: 126500A1

1шт.

Выбрано товаров: 9