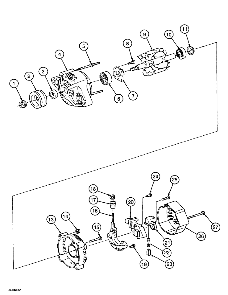
Запчасти Case 1838 (4-02) - ALTERNATOR ASSEMBLY, KUBOTA V2203 ENGINE (04) - ELECTRICAL SYSTEMS

Схема запчастей Case 1838 - (4-02) - ALTERNATOR ASSEMBLY, KUBOTA V2203 ENGINE (04) - ELECTRICAL SYSTEMS
19
13
1
16
10
17
11
23
20
15
7
8
21
22
18
14
27
5
25
4
9
3
26
24
6
2
FIT
1:1
100%

Артикул

Название

Примечание

Количество

133745A1

ALTERNATOR

ASSEMBLY engine, Includes Ref. 1-27

1шт.

133745A1R

REMAN-ALTERNATOR

Remanufactured ALTERNATOR, 12 volt 40 ampere, N.A. Only

1шт.

133745A1C

CORE-ALTERNATOR

Return Number, N.A. Only

1шт.

1

129413A1

FLANGE NUT

hex flange, special

1шт.

2

129634A1

PULLEY

alternator

1шт.

3

129414A1

COLLAR

alternator frame

1шт.

4

138849A1

FRAME

drive end

1шт.

5

129424A1

BOLT

STUD with nut

2шт.

6

129425A1

BEARING, BALL

BEARING ball

1шт.

7

129420A1

IDENTITY PLATE

PLATE retainer

1шт.

8

129422A1

SCREW

BOLT round head, special

4шт.

9

129415A1

ROTOR

alternator

1шт.

10

129417A1

BEARING, BALL

BEARING ball

1шт.

11

129416A1

BEARING COVER

alternator bearing

1шт.

13

129426A1

FRAME

alternator, end

1шт.

14

129457A1

FLANGE NUT

hex flange, special

2шт.

15

129458A1

BOLT

hex flange, special

2шт.

16

138850A1

RECTIFIER

alternator

1шт.

17

129430A1

BUSHING

insulation

1шт.

18

129459A1

FLANGE NUT

hex flange, special

1шт.

19

129454A1

BOLT

BOLT round head, special, rectifier

6шт.

20

129460A1

HEATED GLASS

REGULATOR voltage

1шт.

21

129431A1

BRUSH HOLDER

HOLDER voltage regulator brush

1шт.

22

129452A1

SPRING

brush

2шт.

23

129432A1

COMMUTATOR BRUSH

BRUSH voltage regulator

2шт.

24

129453A1

BOLT

BOLT round head, special

2шт.

25

129455A1

BOLT

BOLT round head, special

1шт.

26

129428A1

COVER

alternator end

1шт.

27

129456A1

BOLT

hex, special

3шт.

Выбрано товаров: 29