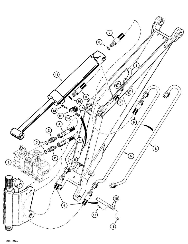
Запчасти Case 1838 (8-34) - BACKHOE BOOM CYLINDER HYDRAULIC CIRCUIT, D100 OR D100XR BACKHOE (08) - HYDRAULICS

Схема запчастей Case 1838 - (8-34) - BACKHOE BOOM CYLINDER HYDRAULIC CIRCUIT, D100 OR D100XR BACKHOE (08) - HYDRAULICS
2
3
2
17
4
5
8
10
6
18
13
16
9
4
12
5
14
15
7
5
1
7
4
11
9
FIT
1:1
100%

Артикул

Название

Примечание

Количество

1

H674300

VALVE

ASSEMBLY, control, backhoe, manufactured by Dukes, parts list Figures 8-44 through 8-50

1шт.

2

218-5059

HYD CONNECTOR,3/4"-16, 37 Degree x 3/4"-16, O-Ring

ADAPTER straight, 3/4-16 inch flare x O-ring boss, Incl. Ref 3

2шт.

3

237-6008

O-RING,0.087" Thk x 0.644" ID, -908, Cl 6, 90 Duro

8-1, 90 Duro, .644" ID x .087" Thk

1шт.

4

H200378

HOSE,0.38" ID x 45.00", SAE 100R1

at Control Valve 0.38" ID x 45.00", SAE 100R1

2шт.

REF #4 - H200378 IS BEING REPLACED BY H434463. ECN H999017. NAPO TECH 6/29/99

1шт.

5

H593392

TUBE,0.5" OD

intermediate, used on D100 backhoe only

2шт.

6

H669804

TUBE,1.27 mm OD x 1065, 35 mm L

intermediate, used on D100XR backhoe only

2шт.

7

H244921

HYDRAULIC HOSE,9.52 mm ID x 381.00 mm, SAE 100R1

To Closed End of Boom Cylinder, Includes Ref. 8 9.52 mm ID x 381.00 mm, SAE 100R1

1шт.

8

237-6008

O-RING,0.087" Thk x 0.644" ID, -908, Cl 6, 90 Duro

8-1, 90 Duro, .644" ID x .087" Thk

1шт.

9

H268540

HYDRAULIC HOSE,9.52 mm ID x 889.00 mm, SAE 100R1

- To rod end of boom cylinder, Includes Ref. 10 9.52 mm ID x 889.00 mm, SAE 100R1

1шт.

10

237-6008

O-RING,0.087" Thk x 0.644" ID, -908, Cl 6, 90 Duro

8-1, 90 Duro, .644" ID x .087" Thk

1шт.

11

G100936

CYLINDER,Double Acting, 38.1mm Rod, 371.35mm Stroke

ASSEMBLY, boom, 76mm, 3 inch ID x 372 mm, 14-5/8 inch stroke, parts list Figure 8-54

1шт.

12

H51763

CLAMP

P-type, hose

2шт.

13

413-412

BOLT,Hex, 1/4" - 20 x 3/4", Gr 5

- hex, 1/4 NC x 3/4 inch

2шт.

14

495-11028

WASHER,1/4", SAE

(flat, 9/32 x 5/8 x 1/16") 1/4", SAE

2шт.

15

230-4214

LOCK NUT,1/4"-20, GA

NUT hex, self locking, 1/4 inch NC

2шт.

16

H429696

MOUNTING CLIP

CLAMP tube and hose

2шт.

18

230-4214

LOCK NUT,1/4"-20, GA

NUT hex, self locking, 1/4 inch NC

2шт.

17

413-420

BOLT,Hex, 1/4" - 20 x 1-1/4", Gr 5

2шт.

Выбрано товаров: 19