Запчасти Case 1838 (8-36) - BACKHOE DIPPER CYLINDER HYDRAULIC CIRCUIT, D100 OR D100XR BACKHOE (08) - HYDRAULICS

Схема запчастей Case 1838 - (8-36) - BACKHOE DIPPER CYLINDER HYDRAULIC CIRCUIT, D100 OR D100XR BACKHOE (08) - HYDRAULICS
3
14
13
13
2
2
14
4
11
6
11
9
15
13
4
3
15
13
7
8
10
14
11
5
7
12
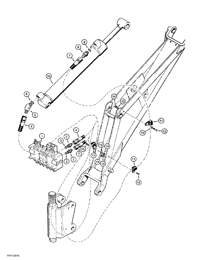
1
FIT
1:1
100%

Артикул

Название

Примечание

Количество

1

H674300

VALVE

ASSEMBLY, control, backhoe, manufactured by Dukes, parts list Figures 8-44 through 8-50

1шт.

2

218-5059

HYD CONNECTOR,3/4"-16, 37 Degree x 3/4"-16, O-Ring

ADAPTER straight, 3/4-16 inch flare x O-ring boss, Incl. Ref 3

2шт.

3

237-6008

O-RING,0.087" Thk x 0.644" ID, -908, Cl 6, 90 Duro

8-1, 90 Duro, .644" ID x .087" Thk

1шт.

4

H434465

HOSE

to closed end of dipper cylinder, 1600 mm, 63 inch long

1шт.

5

218-5136

ELBOW,45 Degree Elbow, 3/4" - 16 Male JIC x 3/4" - 16 Male ORB

- 45 degree, 3/4-16 inch flare x adj O-ring boss, Incl. Ref 6

1шт.

6

237-6008

O-RING,0.087" Thk x 0.644" ID, -908, Cl 6, 90 Duro

8-1, 90 Duro, .644" ID x .087" Thk

1шт.

7

H434464

HOSE

to rod end of dipper cylinder, 2200 mm, 86-5/8 inch long

1шт.

8

218-5059

HYD CONNECTOR,3/4"-16, 37 Degree x 3/4"-16, O-Ring

ADAPTER straight, 3/4-16 inch flare x O-ring boss, Incl. Ref 9

1шт.

9

237-6008

O-RING,0.087" Thk x 0.644" ID, -908, Cl 6, 90 Duro

8-1, 90 Duro, .644" ID x .087" Thk

1шт.

10

G100936

CYLINDER,Double Acting, 38.1mm Rod, 371.35mm Stroke

ASSEMBLY, dipper, 76 mm, 3 inch ID x 372 mm, 14-5/8 inch stroke, parts list Figure 8-54, used on D100 backhoe only

1шт.

10

G109376

CYLINDER BLOCK

CYLINDER ASSEMBLY, dipper, 76 mm, 3 inch ID x 605 mm, 23-13/16 inch stroke, parts list Figure 8-56, used on D100XR backhoe only

1шт.

11

H51763

CLAMP

P-type, hose

3шт.

12

413-416

BOLT,Hex, 1/4" - 20 x 1", Gr 5

hex, 1/4 NC x 1 inch

1шт.

13

495-11028

WASHER,1/4", SAE

(flat, 9/32 x 5/8 x 1/16") 1/4", SAE

4шт.

14

230-4214

LOCK NUT,1/4"-20, GA

NUT hex, self locking, 1/4 inch NC

3шт.

15

413-412

BOLT,Hex, 1/4" - 20 x 3/4", Gr 5

- hex, 1/4 NC x 3/4 inch

2шт.

Выбрано товаров: 0