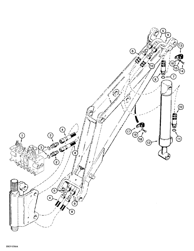
Запчасти Case 1838 (8-38) - BACKHOE BUCKET CYLINDER HYDRAULIC CIRCUIT, D100 OR D100XR BACKHOE (08) - HYDRAULICS

Схема запчастей Case 1838 - (8-38) - BACKHOE BUCKET CYLINDER HYDRAULIC CIRCUIT, D100 OR D100XR BACKHOE (08) - HYDRAULICS
16
5
3
12
4
13
6
4
17
11
14
18
2
7
2
8
15
5
10
1
6
9
9
8
10
19
FIT
1:1
100%

Артикул

Название

Примечание

Количество

1

H674300

VALVE

ASSEMBLY, control, backhoe, manufactured by Dukes, parts list Figures 8-44 through 8-50

1шт.

2

218-5059

HYD CONNECTOR,3/4"-16, 37 Degree x 3/4"-16, O-Ring

ADAPTER straight, 3/4-16 inch flare x O-ring boss, Incl. Ref 3

2шт.

3

237-6008

O-RING,0.087" Thk x 0.644" ID, -908, Cl 6, 90 Duro

8-1, 90 Duro, .644" ID x .087" Thk

1шт.

4

H434463

HOSE

at control valve, to closed end of bucket cylinder, 1225 mm, 48-1/4 inch long

1шт.

5

H593376

TUBE,0.5" OD

intermediate, to closed end of bucket cylinder, used on D100 backhoe only

1шт.

5

H669911

TUBE,12.7 mm OD x 1410, 37 mm L

intermediate, to closed end of bucket cylinder, used on D100XR backhoe

1шт.

6

H268565

HYDRAULIC HOSE,9.52 mm ID x 1066.80 mm, SAE 100R1

- At closed end of bucket cylinder, Used on D100 backhoe only 9.52 mm ID x 1066.80 mm, SAE 100R1

1шт.

6

H383984

HOSE,9.50 mm ID x 1397.00 mm, SAE 100R1

Closed End of Bucket Cylinder, used on D100XR Backhoe Only, Includes Ref. 7 9.50 mm ID x 1397.00 mm, SAE 100R1

1шт.

7

237-6008

O-RING,0.087" Thk x 0.644" ID, -908, Cl 6, 90 Duro

8-1, 90 Duro, .644" ID x .087" Thk, Used on both Ref. 6 hoses

1шт.

8

A167054

HOSE,9.65 mm ID x 1170.00 mm, SAE 100R1

- At control valve to rod end of bucket cylinder 9.65 mm ID x 1170.00 mm, SAE 100R1

1шт.

REF #8 - A167054 BEING REPLACED BY H434463. ECN H999017. NAPO TECH 6/29/99.

1шт.

9

H593384

TUBE,12.7 mm OD

intermediate, to rod end of bucket cylinder, used on D100 backhoe only

1шт.

9

H669929

TUBE,12.7 mm OD x 1372, 12 mm L

intermediate, to rod end of bucket cylinder, used on D100XR backhoe only

1шт.

10

H357863

HOSE,9.65mm ID x 1549.4mm L, SAE 100R1

at Rod End of Bucket Cylinder, used on D100 Backhoe Only 0.38" ID x 61.00", SAE 100R1

1шт.

10

H383976

HOSE,9.5mm ID x 1880mm L, SAE 100R1

at Rod End of Bucket Cylinder, Used on D100XR Backhoe Only, Includes Ref. 11 9.50 mm ID x 1880.00 mm, SAE 100R1

1шт.

11

237-6008

O-RING,0.087" Thk x 0.644" ID, -908, Cl 6, 90 Duro

8-1, 90 Duro, .644" ID x .087" Thk, Used on both Ref. 10 hoses

1шт.

12

G100936

CYLINDER,Double Acting, 38.1mm Rod, 371.35mm Stroke

ASSEMBLY, bucket, 76 mm, 3 inch ID x 372 mm, 14-5/8 inch stroke, parts list Figure 8-54

1шт.

13

H51763

CLAMP

P-type, hose

2шт.

14

413-412

BOLT,Hex, 1/4" - 20 x 3/4", Gr 5

- hex, 1/4 NC x 3/4 inch

2шт.

15

492-11025

LOCK WASHER,1/4"

WASHER, LOCK, 1/4"

2шт.

16

495-11028

WASHER,1/4", SAE

(flat, 9/32 x 5/8 x 1/16") 1/4", SAE

2шт.

17

H46888

CLAMP

at boom

1шт.

18

413-520

BOLT,Hex, 5/16" - 18 x 1-1/4", Gr 5

hex, 5/16 NC x 1-1/4 inch

1шт.

19

H426775

WASHER

flat, special, hardened

1шт.

Выбрано товаров: 0