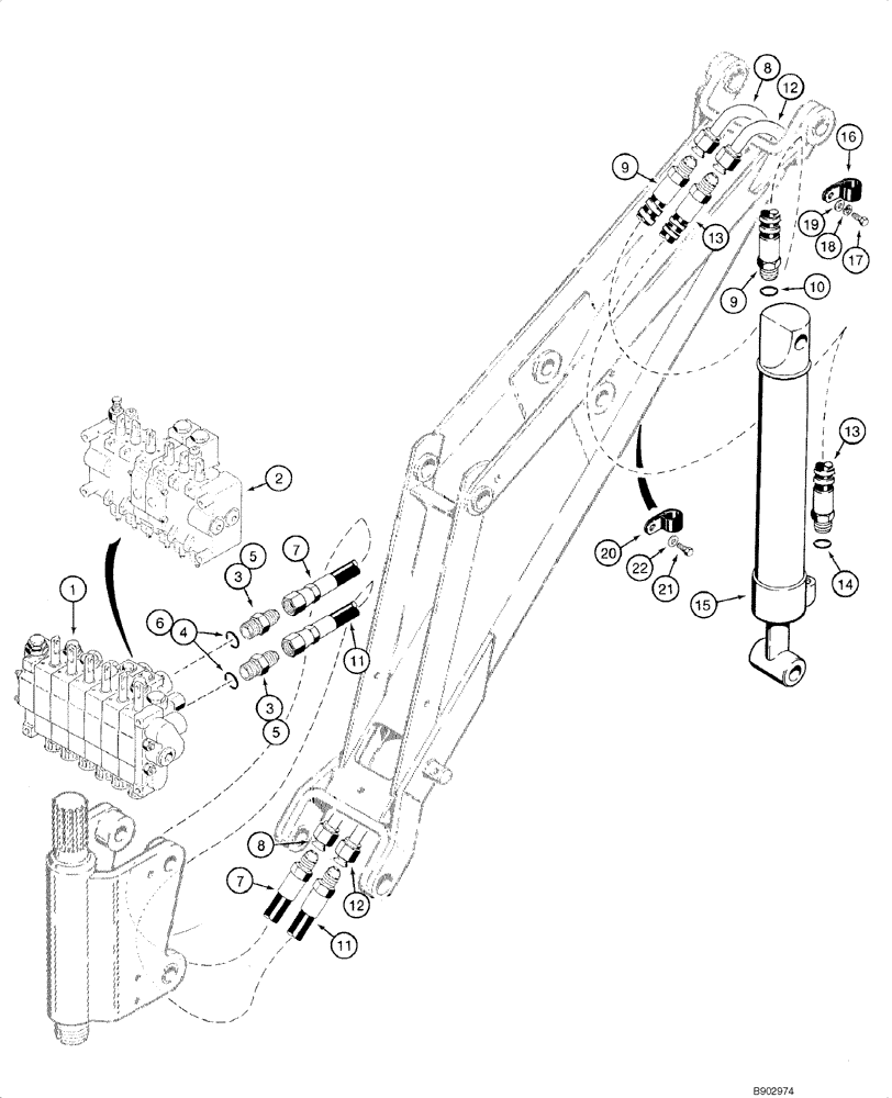
Запчасти Case 1840 (08-33) - HYDRAULIC SYSTEM - BACKHOE BUCKET CYLINDER (D100, D100XR) (08) - HYDRAULICS

Схема запчастей Case 1840 - (08-33) - HYDRAULIC SYSTEM - BACKHOE BUCKET CYLINDER (D100, D100XR) (08) - HYDRAULICS
16
21
10
8
13
11
7
6
9
2
3
12
7
8
22
3
5
19
20
17
14
5
1
12
11
13
15
4
18
9
FIT
1:1
100%

Артикул

Название

Примечание

Количество

1

H672636

VALVE

Control; Backhoe; Manufactured By Kontak; Incl. 08-36 - 08-40; No Longer Available, Order H674300, REF 2

1шт.

2

H674300

VALVE

Control; Backhoe; Manufactured By Dukes; Incl. Figure 08-41 - 08-43; See Figure 08-57A

1шт.

2

87400023

VALVE

Control; Backhoe; Replaces H674300; See Figure 08-57A

1шт.

3

218-5060

HYD CONNECTOR,3/4" - 16 Male JIC x 7/8" - 14 Male ORB

O-ring boss, Used with Ref 1

2шт.

4

237-6010

O-RING,0.097" Thk x 0.755" ID, -910, Cl 6, 90 Duro

1шт.

5

218-5059

HYD CONNECTOR,3/4"-16, 37 Degree x 3/4"-16, O-Ring

3/4-16 in flare x O-ring boss; Incl. 6; Used With REF 2

2шт.

6

237-6008

O-RING,0.087" Thk x 0.644" ID, -908, Cl 6, 90 Duro

1шт.

7

H434463

HOSE

48-1/4 in (1225 mm); To Closed End Of Bucket Cylinder

1шт.

8

H593376

TUBE,0.5" OD

Intermediate; To Closed End Of Bucket Cylinder; D100

1шт.

8

H669911

TUBE,12.7 mm OD x 1410, 37 mm L

Intermediate; To Closed End Of Bucket Cylinder; D100XR

1шт.

9

H268565

HYDRAULIC HOSE,9.52 mm ID x 1066.80 mm, SAE 100R1

At closed end of bucket cylinder; D100

1шт.

9

H383984

HOSE,9.50 mm ID x 1397.00 mm, SAE 100R1

Includes 10, At Closed End Of Bucket Cylinder, D100XR

1шт.

10

237-6008

O-RING,0.087" Thk x 0.644" ID, -908, Cl 6, 90 Duro

Use on Ref 9

1шт.

11

H434463

HOSE

46 in (1170 mm); At Control Valve To Rod End Of Bucket Cylinder; Replaces A167054

1шт.

12

H593384

TUBE,12.7 mm OD

Intermediate; To Rod End Of Bucket Cylinder; D100

1шт.

12

H669929

TUBE,12.7 mm OD x 1372, 12 mm L

Intermediate; To Rod End Of Bucket Cylinder; D100XR

1шт.

13

H357863

HOSE,9.65mm ID x 1549.4mm L, SAE 100R1

At Rod End Of Bucket Cylinder; D100

1шт.

13

H383976

HOSE,9.5mm ID x 1880mm L, SAE 100R1

Includes 14, At Rod End Of Bucket Cylinder, D100XR

1шт.

14

237-6008

O-RING,0.087" Thk x 0.644" ID, -908, Cl 6, 90 Duro

Use on Ref 13

1шт.

15

G100936

CYLINDER,Double Acting, 38.1mm Rod, 371.35mm Stroke

3 (76) ID x 14-5/8 in (372 mm); Bucket; See Figure 08-44

1шт.

16

H51763

CLAMP

Hose

2шт.

17

413-412

BOLT,Hex, 1/4" - 20 x 3/4", Gr 5

2шт.

18

492-11025

LOCK WASHER,1/4"

2шт.

19

495-11028

WASHER,1/4", SAE

(9/32 x 5/8 x 1/16")

2шт.

20

H46888

CLAMP

Hose

1шт.

21

413-520

BOLT,Hex, 5/16" - 18 x 1-1/4", Gr 5

5/16 NC x 1-1/4 in

1шт.

22

H426775

WASHER

1шт.

Выбрано товаров: 27