Запчасти Case 1840 (08-54) - HYDRAULIC SYSTEM - BACKHOE SWING CYLINDER (D125) (08) - HYDRAULICS

Схема запчастей Case 1840 - (08-54) - HYDRAULIC SYSTEM - BACKHOE SWING CYLINDER (D125) (08) - HYDRAULICS
2
5
3
6
5
4
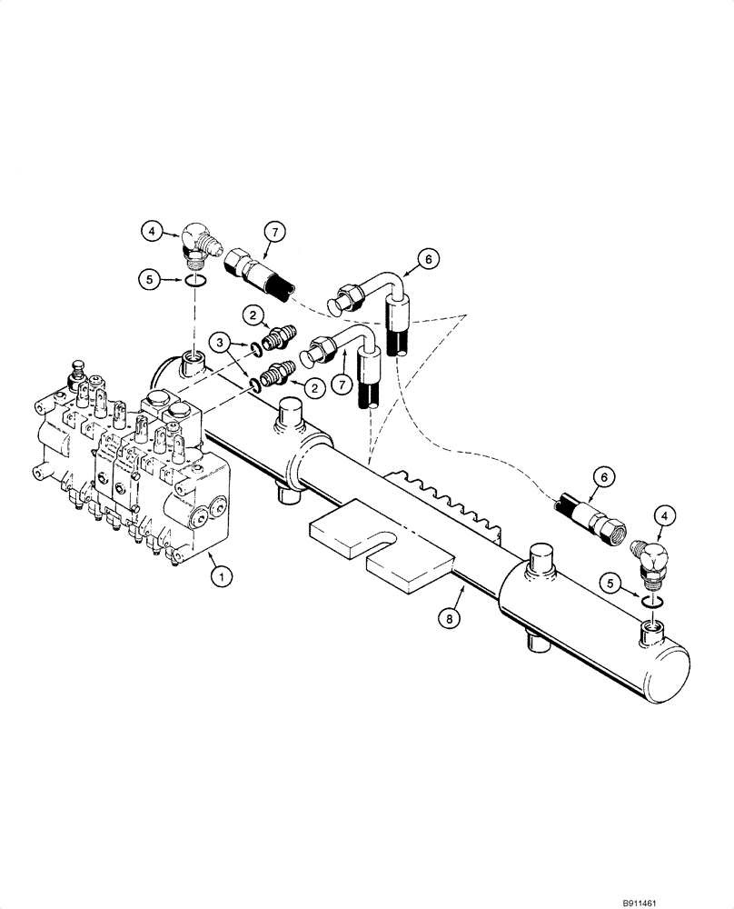
1
2
7
6
7
4
8
FIT
1:1
100%

Артикул

Название

Примечание

Количество

1

H674500

VALVE

Control; Backhoe; See Figure 08-55 -08-57

1шт.

1

87400034

VALVE

Control; Backhoe; Replaces H764500; See Figure 08-57A

1шт.

2

218-5059

HYD CONNECTOR,3/4"-16, 37 Degree x 3/4"-16, O-Ring

3/4-16 in flare x O-ring boss; Incl. 3

2шт.

3

237-6008

O-RING,0.087" Thk x 0.644" ID, -908, Cl 6, 90 Duro

1шт.

4

H439269

ELBOW

Incl. 5

2шт.

5

237-6008

O-RING,0.087" Thk x 0.644" ID, -908, Cl 6, 90 Duro

1шт.

6

H439060

HOSE

50 in (1270 mm)

1шт.

7

H439061

HOSE

40-15/16 in (1040 mm)

1шт.

8

H673149

CYLINDER ASSY.

2-3/4 (70) ID x 10 in (254 mm); Swing; See Figure 08-62; No Longer Available, Order 379623A1

1шт.

8

379623A1

CYLINDER ASSY.,Double Acting, 60.8mm Rod, 254mm Stroke

70 ID x 254 mm strk; See Figure 08-69A

1шт.

Выбрано товаров: 10