Запчасти Case 1840 (09-10) - COUNTERWEIGHTS, REAR - DOOR, REAR SWING-OUT (09) - CHASSIS/ATTACHMENTS

Схема запчастей Case 1840 - (09-10) - COUNTERWEIGHTS, REAR - DOOR, REAR SWING-OUT (09) - CHASSIS/ATTACHMENTS
16
5
3
1a
15
6
15
2
19
7
14
13
8
18
17
14
12
4
11
5
6
6
1
6
9
10
7
FIT
1:1
100%

Артикул

Название

Примечание

Количество

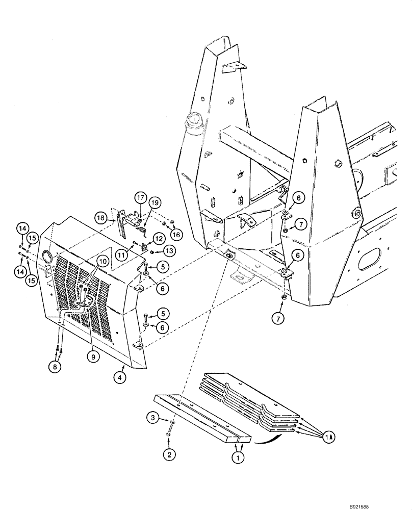
1

D134463

WEIGHT

2 (51) x 3 (76) x 19-1/8 in (755 mm); Rear; From Machinery Parts List; No Longer Available, Order 108380A1

2шт.

1a

108380A1

WEIGHT

1/2 (13) x 6 (152) x 19-1/8 in (755 mm); Rear

4шт.

2

413-848

BOLT,Hex, 1/2" - 13 x 3", Gr 5

1/2 NC x 3 in

4шт.

3

H274894

WASHER

4шт.

4

H673388

DOOR

Rear; Swing Out; No Longer Available, Order 228259A2

1шт.

4

228259A2

DOOR ASSY.

Rear; Swing Out; Replaces H672900, H673388

1шт.

5

413-832

BOLT,Hex, 1/2" - 13 x 2", Gr 5

2шт.

6

495-11053

WASHER,1/2", SAE

(17/32" x 1-1/16" x 3/32"), Replaces 195-533

4шт.

7

232-4118

NUT,1/2"-13, GC

2шт.

8

411-620

CARRIAGE BOLT,Sq Nk, 3/8" - 16 x 1 1/4", Gr 2

Replaces 111-319

2шт.

9

D128034

BRACKET

Rear Door; Lower

1шт.

10

231-5146

FLANGE NUT,3/8"-16

2шт.

11

411-516

CARRIAGE BOLT,Sq Nk, 5/16" - 18 x 1", Gr 2

1шт.

12

D124776

BRACKET

Latch Positioning; Outer

1шт.

13

231-5145

SERRATED NUT,Flg, USR, 5/16"-18

1шт.

14

413-620

BOLT,Hex, 3/8" - 16 x 1-1/4", Gr 5

2шт.

15

495-11041

WASHER,0.406" ID x 0.812" OD x 0.065" W

(13/32 x 13/16 x 1/16")

2шт.

16

231-5146

FLANGE NUT,3/8"-16

2шт.

17

D143416

CIRCLIP,15.09mm ID x 27.81mm OD x 1.57mm Thk

Retaining Latch

1шт.

18

D131975

LATCH

Rear Door

1шт.

19

D132020

SPRING

Rear Door Latch

1шт.

Выбрано товаров: 21