Запчасти Case 1840 (09-16) - SEAT, MOUNTING (STANDARD) - SEAT BELTS (MODELS WITHOUT EMISSIONS CERTIFIED ENGINE) (09) - CHASSIS/ATTACHMENTS

Схема запчастей Case 1840 - (09-16) - SEAT, MOUNTING (STANDARD) - SEAT BELTS (MODELS WITHOUT EMISSIONS CERTIFIED ENGINE) (09) - CHASSIS/ATTACHMENTS
9a
2
3
8
13
10
5
14
10a
12
12
7
11
16
12
1
15
11
15
14
12
11
11
13
13
4
6
9
FIT
1:1
100%

Артикул

Название

Примечание

Количество

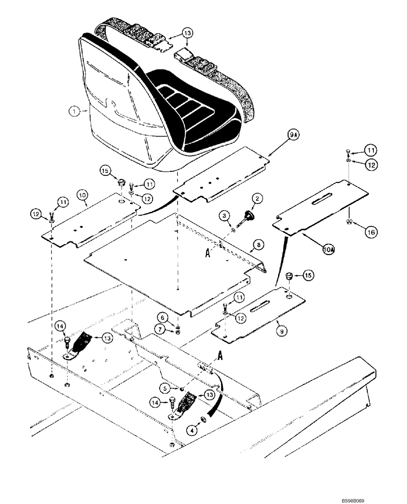
1

D124515

SEAT ASSY.

Operators; Brown Vinyl; Molded Shell; See Figure 09-21

1шт.

1

178763A1

SEAT

Operators; Gray Vinyl; Molded Shell; See Figure 09-21

1шт.

1

179330A1

SEAT

Operators; Deluxe; With Slide; Black Vinyl; See Figure 09-21

1шт.

2

D133068

KNOB

Seat Adjusting

1шт.

3

495-21044

WASHER,3/8"

(7/16 x 1 x 5/64 in)

1шт.

4

84899

SQUARE NUT,Sq, 3/8"-16, G2

1шт.

5

232-4116

NUT,3/8"-16, GC

1шт.

6

492-11031

LOCK WASHER,5/16"

4шт.

7

425-105

NUT,5/16"-18, G5

4шт.

8

H435910

PLATE

Seat Mounting; No Longer Used, Order 295896A1, See Figure 09-19, REF 7

1шт.

9

121042A1

COVER

Right Hand Closure; - JAF0132225

1шт.

9a

133621A1

COVER

Left Hand Closure; JAF0132225 -

1шт.

10

121043A1

COVER

Left Hand Closure; - JAF0132225

1шт.

10a

133620A1

COVER

Right Hand Closure; JAF0132225 -

1шт.

11

413-512

BOLT,Hex, 5/16" - 18 x 3/4", Gr 5

4шт.

12

H426775

WASHER

4шт.

13

D133868

SAFETY BELT ,2.00" W

1шт.

13

H438265

SAFETY BELT

Non-retractable

1шт.

14

413-816

BOLT,Hex, 1/2" - 13 x 1", Gr 5

2шт.

15

F64486

GROMMET

3/4 in ID; Use With REF 9, 10

2шт.

16

231-5145

SERRATED NUT,Flg, USR, 5/16"-18

If Used

2шт.

Выбрано товаров: 0