Запчасти Case 1840 (09-36) - SPECIAL PARTS FOR GERMANY - TBG APPROVED (09) - CHASSIS/ATTACHMENTS

Схема запчастей Case 1840 - (09-36) - SPECIAL PARTS FOR GERMANY - TBG APPROVED (09) - CHASSIS/ATTACHMENTS
5
30
11
12
2
9
23
2
1
28
18
26
20
14
25
4
15
3
19
8
16
6
17
13
22
10
29
11
13
29
12
28
7
21
24
27
FIT
1:1
100%

Артикул

Название

Примечание

Количество

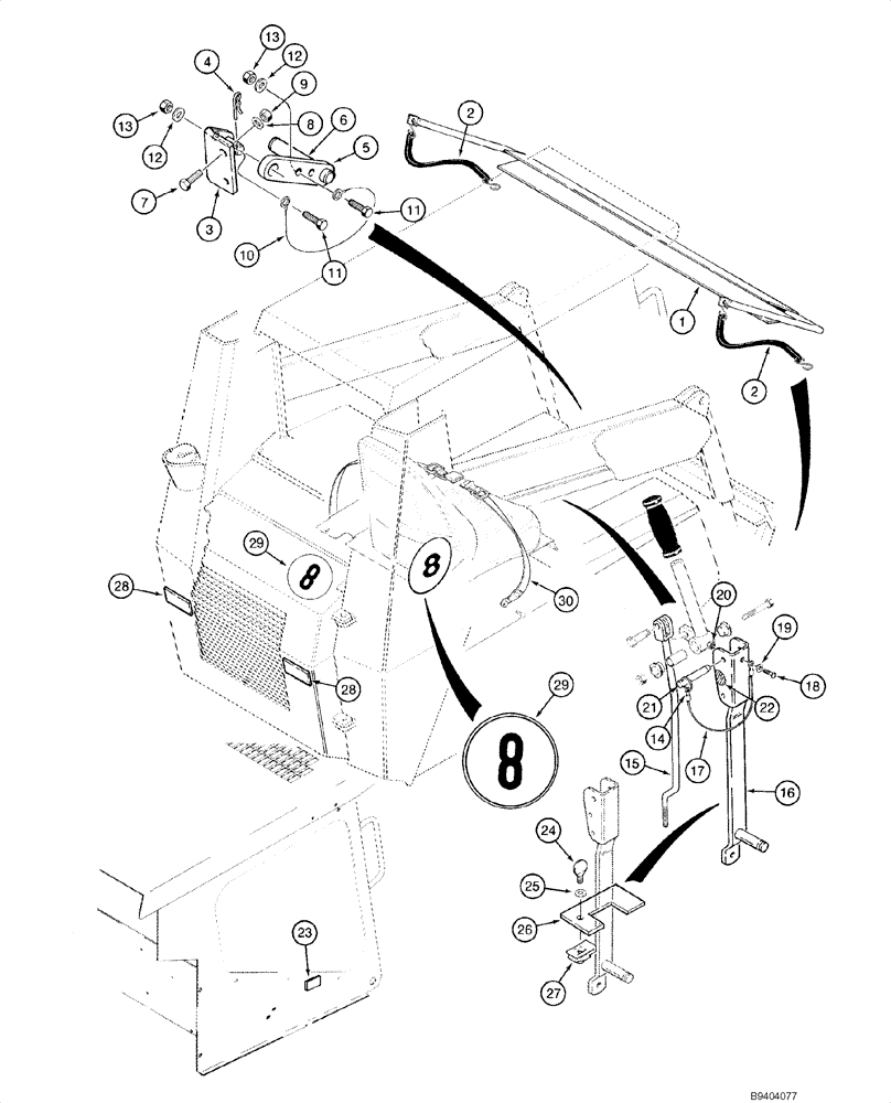
1

118765A1

GUARD ASSY.

Bucket; If Used

1шт.

1

113204A1

Guard, 63 in; Bucket; If Used

1шт.

2

E20151

STRAP

Tool Bag

2шт.

3

111366A1

ANGLE

Mounting; Bucket Locking Link

2шт.

4

A30338

PIN

Self-locking

2шт.

5

115795A1

LINK

Bucket Locking

2шт.

6

111362A1

LINK

Tilt Cylinder Rod

2шт.

7

413-840

BOLT,Hex, 1/2" - 13 x 2-1/2", Gr 5

1/2 NC x 2-1/2 in

2шт.

8

H274894

WASHER

2шт.

9

231-5148

FLANGE NUT,Flg, USR, 1/2"-13

2шт.

10

L78786

CABLE RETAINER

2шт.

11

413-620

BOLT,Hex, 3/8" - 16 x 1-1/4", Gr 5

4шт.

12

495-11041

WASHER,0.406" ID x 0.812" OD x 0.065" W

(13/32 x 13/16 x 1/16")

4шт.

13

231-5146

FLANGE NUT,3/8"-16

4шт.

14

223-54

TERMINAL CONNECTOR,10 - 12

10-12 wire x 1/4 in

4шт.

15

118307A1

ROD ASSY.

Control

2шт.

16

118309A1

LEVER

Control

2шт.

17

H439278

ELECTRICAL WIRE

WIRE Strut And Door Pin Lock

2шт.

18

413-512

BOLT,Hex, 5/16" - 18 x 3/4", Gr 5

2шт.

19

495-31022

WASHER,#10

4шт.

20

231-5145

SERRATED NUT,Flg, USR, 5/16"-18

2шт.

21

H437134

LINCH PIN,6.3mm OD

Self-locking

2шт.

22

H439133

DECAL

Grease Fitting Location; German

2шт.

23

124910A1

DECAL

Loader Control Lock; German/Italian

2шт.

24

H65847

THUMB SCREW,5/16" - 18 x 3/4"

Engine Panel

2шт.

25

495-11034

WASHER,5/16", SAE

(11/32 x 11/16 x 1/16")

2шт.

26

113725A1

BAR

Control Stop

2шт.

27

H435223

NUT

5/16 in

2шт.

28

121573A1

REFLECTOR,94mm L X 44mm W

Red

1шт.

29

112387A1

DECAL

Travel Speed (8 k.p.h.)

3шт.

30

126560A1

SAFETY BELT

48 mm wide; EEC Approved

1шт.

Выбрано товаров: 0