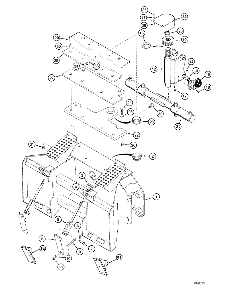
Запчасти Case 1840 (09-55) - BACKHOE FRAME - SWING TOWER (D100 OR D100XR) (09) - CHASSIS/ATTACHMENTS

Схема запчастей Case 1840 - (09-55) - BACKHOE FRAME - SWING TOWER (D100 OR D100XR) (09) - CHASSIS/ATTACHMENTS
19
38
31
11
24
6
8
5
3
34
27
32
9
21
23
4
16
12
1
13
14
10
26
36
2
25
20
35
22
30
8a
15
8b
7
28
37
33
18
17
29
FIT
1:1
100%

Артикул

Название

Примечание

Количество

H673647

FRAME

Backhoe Attachment; Incl. 1, 2

1шт.

1

NSS

NOT SOLD SEPARAT

Frame; Backhoe Attachment

1шт.

2

H434397

BUSHING,70.04mm ID x 89mm OD x 32mm L

Backhoe Frame

1шт.

3

D134787

KNOB

Adjustment; Tie Rod

2шт.

4

D34666

WASHER,33.34mm ID x 63.5mm OD x 2.38mm Thk

2шт.

5

H673638

TRUSS ROD

Backhoe Frame

2шт.

6

136-164

COTTER PIN,Int, 5/16" x .120"

5/16 x 2-25/32 in

2шт.

7

A35113

PIN

3/4 x 1-5/8 in

2шт.

8

H673639

ANCHOR

Tie Rod; Left Hand And Right Hand; If Used

2шт.

8a

110906A1

LARGE PLATE

PLATE, LARGE Tie Rod; Left Hand; If Used

1шт.

8b

110905A1

LARGE PLATE

PLATE, LARGE Tie Rod; Right Hand; If Used

1шт.

9

426-844

BOLT,Hex, 1/2" - 13 x 2-3/4", Gr 8

1шт.

10

496-21053

WASHER,17/32" x 1 1/16" x .134"

1шт.

11

232-4118

NUT,1/2"-13, GC

1шт.

H672641

POST

Swing; Backhoe; Incl. 12, 13

1шт.

12

NSS

NOT SOLD SEPARAT

Tower; Swing

1шт.

13

H56192

BUSHING,28.91mm ID x 36.63mm OD x 44.45mm L

Swing Tower

2шт.

14

219-8

LUBE NIPPLE,1/4" - 28 NPTF

3шт.

15

H625756

BRACKET

Pin Retainer And Swing Cushion

2шт.

16

413-820

BOLT,Hex, 1/2" - 13 x 1-1/4", Gr 5

4шт.

17

230-4218

LOCK NUT,1/2"-13, GA

1/2 in

4шт.

18

H434429

BLOCK

Swing Gear

1шт.

19

H434489

PINION

Swing

1шт.

20

L59033

SNAP RING,#212, Ext

#212, Ext

2шт.

21

H514125

CYLINDER ASSY.

2-3/4 (70) ID x 8 in (203 mm) stroke; Swing; See Figure 08-48; No Longer Available, Order 384865A1

1шт.

21

384865A1

CYLINDER ASSY.

2-3/4 (70) ID x 8 in (203 mm); See Figure 08-62B

1шт.

22

H672652

PLATE

Bushing Mounting; Incl. 23

1шт.

23

H434397

BUSHING,70.04mm ID x 89mm OD x 32mm L

Mounting Plate

1шт.

24

413-1236

BOLT,Hex, 3/4" - 10 x 2-1/4", Gr 5

2шт.

25

D34666

WASHER,33.34mm ID x 63.5mm OD x 2.38mm Thk

2шт.

26

230-42112

LOCK NUT,3/4"-10, GA

3/4 in

2шт.

27

H434386

LARGE PLATE

PLATE, LARGE Lower; Cylinder Mounting Bracket

1шт.

28

H433142

LARGE PLATE

PLATE, LARGE Swing Cylinder Mounting

1шт.

29

413-1256

BOLT,Hex, 3/4" - 10 x 3-1/2", Gr 5

4шт.

30

D34666

WASHER,33.34mm ID x 63.5mm OD x 2.38mm Thk

4шт.

31

230-42112

LOCK NUT,3/4"-10, GA

3/4 in

4шт.

32

H434525

GUIDE

Swing Cylinder

1шт.

33

495-11066

WASHER,5/8", SAE

21/32 x 1-5/16 x 3/32 in

1шт.

34

230-47110

LOCK NUT,5/8"-18, GB

1шт.

35

H672647

COVER

Swing Gear

1шт.

36

413-516

BOLT,Hex, 5/16" - 18 x 1", Gr 5

2шт.

37

H426775

WASHER

2шт.

38

230-4215

NUT,5/16"-18, GA

2шт.

39

H675159

NUT ASSY.

1шт.

Выбрано товаров: 44