Запчасти Case 1840 (04-05) - FRONT HARNESS - INSTRUMENT CLUSTER, - JAF0286784 (04) - ELECTRICAL SYSTEMS

Схема запчастей Case 1840 - (04-05) - FRONT HARNESS - INSTRUMENT CLUSTER, - JAF0286784 (04) - ELECTRICAL SYSTEMS
35
30
30
2
19
8
17
33
25
24
27
28
34
7
34
30
5
11
12
27
10
29
4
28
15
32
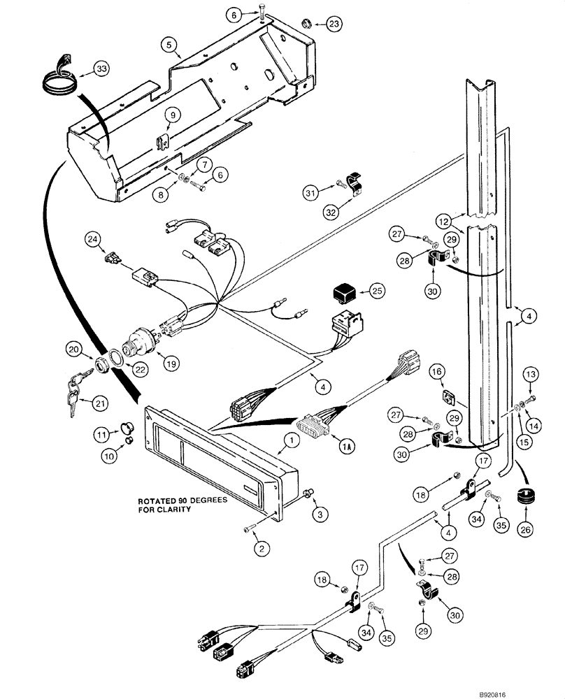
1a
18
16
20
6
31
17
6
9
29
13
26
23
1
14
28
4
35
21
27
4
29
18
3
22
FIT
1:1
100%

Артикул

Название

Примечание

Количество

North American Models, - JAF0286784

1шт.

European Models, - JAF0289364

1шт.

1

H438451

CLUSTER, INSTR.

CLUSTER, INSTRUMENT 10 Pin Connector; Used With 1A; JAF0078496 -

1шт.

367530A1R

REMAN-INSTR CLUSTER

1840, Reman For New P/N H438451

1шт.

367530A1C

CORE-CLUSTER, INSTR

Return Number

1шт.

1

367530A1

CLUSTER, INSTR.

CLUSTER, INSTRUMENT JAF0285319 -

1шт.

367530A1R

REMAN-INSTR CLUSTER

1840

1шт.

367530A1C

CORE-CLUSTER, INSTR

Return Number

1шт.

1a

H439038

HARNESS

Adapter; 10 To 12 Pin Connector; If Used

1шт.

2

190-103

SCREW,Cross Pan Hd, #10 - 32 x 1"

4шт.

3

D122634

ISOLATOR,12.7mm OD x 14.1mm L

4шт.

4

H438248

HARNESS

Front; With 12 Pin Connector At Cluster; North American Models, - JAF0078496

1шт.

4

H439159

HARNESS

Front; With 10 Pin Connector At Cluster; North American Models, Without Emissions Certified Engine, JAF0078496 - ; European Models, JAF0098065 -

1шт.

4

303221A1

HARNESS

Front; With 10 Pin Connector At Cluster; Models With Emissions Certified Engine With Fuel Injection Pump J933090, See Figure 03-07; Not Illustrated

1шт.

4

336227A1

HARNESS

Front; With 10 Pin Connector At Cluster; Models With Emissions Certified Engine With Fuel Injection Pump J935679, See Figure 03-08; Not Illustrated

1шт.

4

E20764

HARNESS

Front; European Models, - JAF0098065

1шт.

5

H674342

PANEL, INSTRUMENTS

PANEL, INSTRUMENT Replaces H673414; North American Models; European Models, JAF0098065 -

1шт.

5

E20766

PANEL ASSY.

European Models, - JAF0098065

1шт.

6

413-416

BOLT,Hex, 1/4" - 20 x 1", Gr 5

3-7шт.

7

492-11025

LOCK WASHER,1/4"

3-7шт.

8

495-11028

WASHER,1/4", SAE

(9/32 x 5/8 x 1/16")

3-7шт.

9

131-610

SPRING NUT,U, Ret, 1/4"-20

If used

3-7шт.

9

E20030

PACKING GLAND

If Used

3-7шт.

10

353-402

PLUG,Dome, .375" hole, Nylon

If used

1шт.

11

353-407

PLUG,Dome, .687" hole, Nylon

11/16 in

1шт.

12

D139504

COVER

Front Harness; North American Models, - JAF0066758; European Models, - JAF0098065

1шт.

13

413-412

BOLT,Hex, 1/4" - 20 x 3/4", Gr 5

Use with Ref 12

3шт.

14

492-11025

LOCK WASHER,1/4"

Use with Ref 12

3шт.

15

495-11028

WASHER,1/4", SAE

(9/32 x 5/8 x 1/16"), Use with Ref 12

3шт.

16

131-610

SPRING NUT,U, Ret, 1/4"-20

If used

3шт.

16

E20030

PACKING GLAND

If Used

3шт.

17

515-22190

CLAMP,3/4", Insul, 5/16" Bolt

P-type, Front Harness

2шт.

18

230-4215

NUT,5/16"-18, GA

2шт.

D134737

IGNITION SWITCH

Switch Assy; Ignition; Incl. 19 - 21

1шт.

19

NSS

NOT SOLD SEPARAT

Switch; Ignition

1шт.

20

A77314

NUT

Key Switch Mounting

1шт.

21

A77313

SET OF 2 KEYS

Ignition; Metal Without Padding

1шт.

22

493-21104

LOCK WASHER,Int Tooth, 1"

1шт.

23

353-405

PLUG,Dome, .562" hole, Nylon

9/16 in

1шт.

24

A149802

FUSE

20 amp; Yellow

1шт.

25

1983394C1

RELAY

Electrical; Replaces D128310

1шт.

26

248-13107

GROMMET,3/4" ID x 1 1/16" Groove Dia, Str Cut

1шт.

27

413-512

BOLT,Hex, 5/16" - 18 x 3/4", Gr 5

3шт.

28

495-11034

WASHER,5/16", SAE

(11/32 x 11/16 x 1/16")

3шт.

29

231-5145

SERRATED NUT,Flg, USR, 5/16"-18

3шт.

30

H437729

CLIP

Harness

3шт.

31

413-412

BOLT,Hex, 1/4" - 20 x 3/4", Gr 5

1шт.

32

H437729

CLIP

Harness

1шт.

33

D52412

RUBBER STRIP

1270 mm (50 inch); Cut From F42827

1шт.

34

492-11031

LOCK WASHER,5/16"

2шт.

35

413-510

BOLT,Hex, 5/16" - 18 x 5/8", Gr 5

2шт.

F42827

TRIM,2946.4mm L

2946 mm (116 inch) long

1шт.

Выбрано товаров: 52