Запчасти Case 1840 (04-10) - ROAD LAMPS AND WIRING, (ITALIAN D.G.M.), - JAF0289363 (04) - ELECTRICAL SYSTEMS

Схема запчастей Case 1840 - (04-10) - ROAD LAMPS AND WIRING, (ITALIAN D.G.M.), - JAF0289363 (04) - ELECTRICAL SYSTEMS
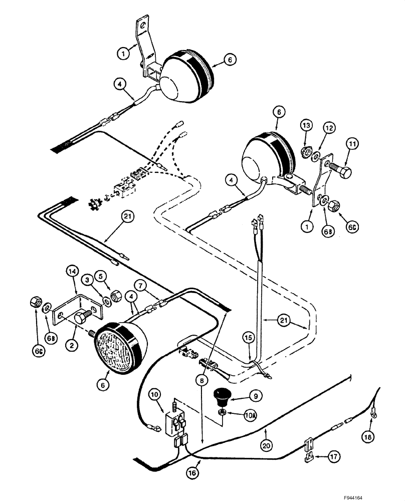
1
2
21
18
9
5
1
20
12
6
6b
4
6c
14
6
4
13
15
3
10
6b
11
10a
8
21
4
16
6
7
17
6c
FIT
1:1
100%

Артикул

Название

Примечание

Количество

1

116502A1

LUG

Mounting; Lamp

2шт.

2

413-516

BOLT,Hex, 5/16" - 18 x 1", Gr 5

1шт.

3

495-11034

WASHER,5/16", SAE

(11/32 x 11/16 x 1/16")

1шт.

4

111159A1

HARNESS

Work Lamp Wiring Harness

3шт.

5

231-5145

SERRATED NUT,Flg, USR, 5/16"-18

1шт.

6

120139A1

LAMP,Halogen, 12V, 55W, Clear

Front And Rear; Incl. 6A - 6C

3шт.

6a

181049A1

BULB

Main Halogen

3шт.

6b

892-11010

LOCK WASHER,M10

3шт.

6c

829-1410

NUT,M10 x 1.5, Cl 10.9

3шт.

7

122182A1

ELECTRICAL WIRE

WIRE Ground To Tail Lamp

1шт.

8

102332A1

ELECTRICAL WIRE

WIRE Tail Lamp To Switch

1шт.

9

108314A1

BUTTON

Lamp Switch

1шт.

10

D74330

SWITCH

Lamp; Incl. 10A

1шт.

10a

N7557

NUT

3/8 inch NF

1шт.

11

413-616

BOLT,Hex, 3/8" - 16 x 1", Gr 5

2шт.

12

495-11041

WASHER,0.406" ID x 0.812" OD x 0.065" W

(13/32 x 13/16 x 1/16")

2шт.

13

231-5146

FLANGE NUT,3/8"-16

6шт.

14

116527A1

BRACKET

Mounting; Tail Lamp

1шт.

15

L18337

CABLE TIE,9.95"-12.1" lg

CABLE STRAP 15 in

7шт.

16

102331A1

ELECTRICAL WIRE

WIRE Switch To Battery

1шт.

18

102330A1

ELECTRICAL WIRE

WIRE

1шт.

17

A149802

FUSE

20 amp; Fuse To Battery

1шт.

20

123900A1

ELECTRICAL WIRE

WIRE Main Harness To No. 6 Terminal In Road Lamp Box

1шт.

21

D139709

HARNESS

Horn And Lamp

1шт.

22

225-14210

NUT,#10-32

Not Illustrated

1шт.

Выбрано товаров: 25