Запчасти Case 1845 (144) - HORN (55) - ELECTRICAL SYSTEMS

Схема запчастей Case 1845 - (144) - HORN (55) - ELECTRICAL SYSTEMS
7
12
9
2
4
9
3
5
8
6
1
9
11
FIT
1:1
100%

Артикул

Название

Примечание

Количество

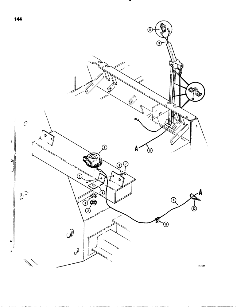
1

S203189

HORN

12V

1шт.

2

L30866

LOCK NUT

hex, 7/8" - 9 NC

1шт.

3

193-36

LOCK WASHER,Int Tooth, 7/8"

WASHER, LOCK, Int Tooth, 7/8"

1шт.

4

D70129

MOUNTING PARTS

ANGLE horn mount

1шт.

5

113-102

BOLT,Hex, 5/16" - 18 x 3/4", Gr 5

Hex, 5/16"-18 x 3/4", G5, Full Thd

1шт.

6

192-20

LOCK WASHER,Helical Spring, 0.318" ID, CST, ZND

WASHER, LOCK, 5/16"

1шт.

7

9635082

NUT,5/16" - 18, Gr 5

1шт.

8

D43839

CLAMP

wire

1шт.

9

D76685

HARNESS

horn

1шт.

10

F93268

CLIP

wire

4шт.

11

D91440

SWITCH

BUTTON horn

1шт.

12

L18331

CABLE TIE,375.9mm L, Nylon, Black

TIE STRAP

1шт.

Выбрано товаров: 12