Запчасти Case 1845 (016) - RADIATOR AND HOSES, USED ON TRACTOR SN. 9855225 AND AFTER (10) - ENGINE

Схема запчастей Case 1845 - (016) - RADIATOR AND HOSES, USED ON TRACTOR SN. 9855225 AND AFTER (10) - ENGINE
12
32
22
8
4
31
27
31
17
25
18
16
9
15
30
32
1
29
14
33
6
23
24
28
5
31
9
16
29
12
20
13
10
28
7
16
17
26
13
2
19
3
21
14
28
31
11
FIT
1:1
100%

Артикул

Название

Примечание

Количество

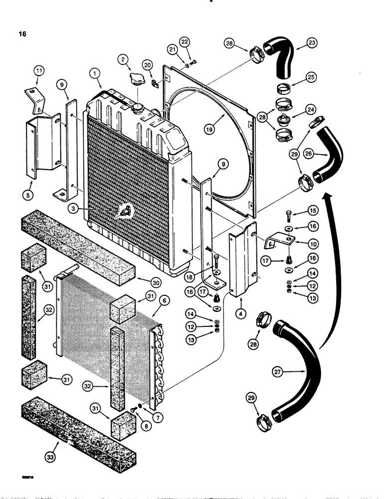
1

D81055

RADIATOR

engine cooling, 1845 model

1шт.

2

F23120

CAP

radiator

1шт.

3

217-103

COCK, DRAIN

VALVE drain

1шт.

4

D93892

BRACKET

cooler mounting, right hand

1шт.

5

D93893

BRACKET

cooler mounting, left hand

1шт.

6

D76096

COOLER

oil

1шт.

7

92-5

LOCK WASHER,5/16"

4шт.

8

13-512

BOLT,Hex, 5/16" - 18 x 3/4", Gr 5

4шт.

9

D93842

MOUNTING PARTS

SUPPORT radiator

2шт.

10

D93844

BRACKET

BRACE radiator support, right hand

1шт.

11

D93845

BRACKET

BRACE radiator support, left hand

1шт.

12

92-6

LOCK WASHER,3/8"

12шт.

13

25-106

NUT,3/8"-16, G5

hex, 3/8" - 16 NC

12шт.

14

195-25

WASHER,3/8"

flat, 3/8"

12шт.

15

13-628

BOLT,Hex, 3/8" - 16 x 1-3/4", Gr 5

2шт.

16

D52275

WASHER,9.92mm ID x 31.75mm OD x 2.78mm Thk

flat, 3/8"

8шт.

17

D52276

ISOLATOR,10.16mm ID x 28.07mm OD x mm L

INSULATOR vibration, rubber

4шт.

18

413-632

BOLT,Hex, 3/8" - 16 x 2", Gr 5

2шт.

19

D93841

SHROUD

radiator

1шт.

20

131-649

BOLT

NUT J-type, 1/4"

8шт.

21

92-4

LOCK WASHER,1/4"

WASHER, LOCK, 1/4"

8шт.

22

13-410

BOLT,Hex, 1/4" - 20 x 5/8", Gr 5, Full Thd

8шт.

23

D93889

RADIATOR HOSE,50.80 mm ID x 175.30 mm, SAE J20 20R4 CLASS SC

Upper 50.80 mm ID x 175.30 mm, SAE J20 20R4 CLASS SC

1шт.

24

G11065

CASE

THERMOSTAT gas models only

1шт.

25

D53507

SUPPORT

hose, gas models only

1шт.

26

D120446

RADIATOR HOSE,44.40 mm ID x 137.20 mm, SAE 20R4 Class D2, SAE J20

HOSE - Lower, Gas models only 44.40 mm ID x 137.20 mm, SAE 20R4 Class D2, SAE J20

1шт.

27

D68788

RADIATOR HOSE,49.20 mm ID x 241.30 mm, SAE 20R4 CLASS R GRADE 1A

Lower (Diesel Models) 49.20 mm ID x 241.30 mm, SAE 20R4 CLASS R GRADE 1A

1шт.

28

214-261

HOSE CLAMP,#40, 2.06" - 3", Type F Worm

CLAMP hose

3шт.

29

214-258

HOSE CLAMP,#28, 1.31" - 2.25", Type F Worm

1-2шт.

30

D76688

FOAM

BAFFLE radiator, top, cut from D59896, base size is 3-1/2", 89 mm x 22", 559 mm

1шт.

31

D76686

FOAM

BAFFLE radiator, upper and lower, cut from D59896 base size is 3", 76 mm x 3-1/2", 89 mm

4шт.

32

D76689

FOAM

BAFFLE radiator, middle, cut from D59896, base size is 1", 25 mm x 15", 381 mm

2шт.

33

D84227

SPARE PART

BAFFLE radiator, bottom, cut from D59896, base size is 3-1/2", 89 mm x 22", 559 mm

1шт.

34

D59896

PADDING

BAFFLE bulk pad, 54", 1372 mm x 36", 914 mm x 2", 51 mm, use to cut Ref. 30, 31, 32, and 33

1шт.

35

345-44

ADHESIVE

for attaching foam pads to metal surface, not shown

1шт.

Выбрано товаров: 35