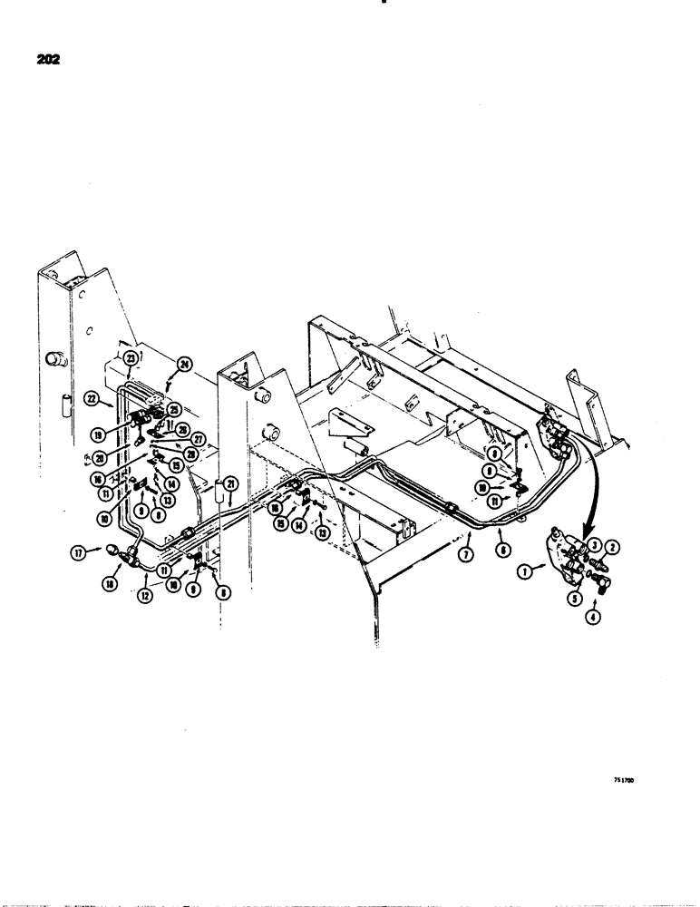
Запчасти Case 1845 (202) - AUXILIARY HYDRAULIC CIRCUITS, FRONT HYDRAULIC CIRCUIT WITHOUT SELECTOR VALVE (35) - HYDRAULIC SYSTEMS

Схема запчастей Case 1845 - (202) - AUXILIARY HYDRAULIC CIRCUITS, FRONT HYDRAULIC CIRCUIT WITHOUT SELECTOR VALVE (35) - HYDRAULIC SYSTEMS
23
17
27
25
3
16
10
5
24
10
10
2
15
15
18
8
6
12
13
11
14
7
16
14
11
8
8
22
9
9
11
19
28
9
26
21
4
20
1
13
FIT
1:1
100%

Артикул

Название

Примечание

Количество

1

D64670

VALVE

auxiliary, parts list Figure 216 (1)

1шт.

2

218-5059

HYD CONNECTOR,3/4"-16, 37 Degree x 3/4"-16, O-Ring

CONNECTER, HYD., , Straight, Male, Incl. Ref 3 3/4"-16, 37º x 3/4"-16, O-Ring

1шт.

4

218-5106

90 ELBOW,90 Degree Elbow, 3/4" - 16 Male JIC x 3/4" - 16 Male ORB

FITTING adjustable, 90 degree, Includes Ref. 5

1шт.

6

D87629

HYD TUBE,0.5" OD x 20.6, 5.46" L

TUBE hydraulic

1шт.

7

D87627

HYD TUBE,0.5" OD x 23.93, 27.76" L

TUBE hydraulic

1шт.

8

13-620

BOLT,Hex, 3/8" - 16 x 1-1/4", Gr 5, Full Thd

3шт.

9

92-6

LOCK WASHER,3/8"

3шт.

10

D42504

CLAMP

tube

3шт.

11

D33551

BUSHING

SPACER clamp

3шт.

12

D70297

HYD TUBE,0.5" OD x 4.58, 33.15" L

TUBE hydraulic

1шт.

13

13-516

BOLT,Hex, 5/16" - 18 x 1", Gr 5

3шт.

14

92-5

LOCK WASHER,5/16"

3шт.

15

R17319

CLAMP

tube

3шт.

16

D33551

BUSHING

SPACER clamp

3шт.

17

218-755

CAP,37 Degree, 3/4"-16

1шт.

18

218-594

TEE,3/4"-16, 37 Degree

street

1шт.

19

D60707

COUPLING, BREAK AWAY

QUICK DISCONNECT female

2шт.

20

D62402

PLUG

dust

2шт.

21

D69438

TUBE,0.5" OD x 35, 4.7" L

hydraulic

1шт.

22

D69452

HYD TUBE,0.5" OD x 37, 18.58" L

TUBE hydraulic

1шт.

23

D69446

TUBE,0.5" OD x 26.47, 20.6" L

hydraulic

1шт.

24

13-524

BOLT,Hex, 5/16" - 18 x 1-1/2", Gr 5

hex head, 5/16"-18 NC x 1-1/2"

1шт.

25

D33551

BUSHING

SPACER clamp

1шт.

26

R17319

CLAMP

tube

1шт.

27

92-5

LOCK WASHER,5/16"

1шт.

28

25-106

NUT,3/8"-16, G5

hex, 5/16" - 18 NC

1шт.

3

218-5006

O-RING,0.087" Thk x 0.644" ID, -908, Cl 6, 90 Duro

1шт.

5

218-5006

O-RING,0.087" Thk x 0.644" ID, -908, Cl 6, 90 Duro

1шт.

Выбрано товаров: 28