Запчасти Case 1845B (114) - FORWARD AND REVERSE CONTROLS (11) - TRACKS/STEERING

Схема запчастей Case 1845B - (114) - FORWARD AND REVERSE CONTROLS (11) - TRACKS/STEERING
28
5
9
4
13
18
24
17
12
18
18
18
17
15
22
16
17
8
11
4
1
23
13
3
18
26
13
10
17
11
6
17
9
20
10
15
14
18
19
12
13
25
7
25
18
16
24
14
5
29
27
17
18
2
21
6
21
24
FIT
1:1
100%

Артикул

Название

Примечание

Количество

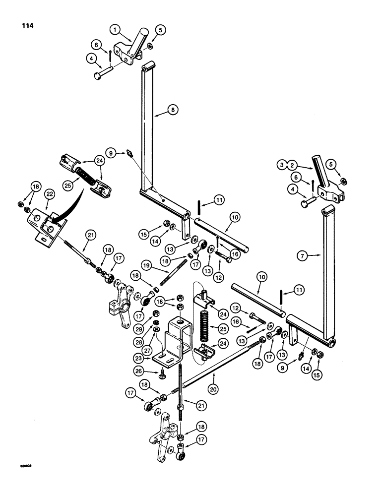
1

D94361

HANDLE

left-hand control

1шт.

2

D94360

HANDLE

right-hand control

1шт.

3

D94175

HANDLE

right-hand control, models with horn, not shown, see Figure: 108 for horn

1шт.

4

141-58

CLEVIS PIN,1/2" x 2.218"

1/2"

2шт.

5

195-533

WASHER,1/2", SAE

flat, 1/2", plated

2шт.

6

132-310

COTTER PIN,1/8" x 1"

PIN, SPLIT (COTTER), 1/8" x 1"

2шт.

7

D92640

LEVER

control, right-hand

1шт.

8

D120837

LEVER

control, left-hand

1шт.

9

219-1

LUBE NIPPLE,1/8" - 27 NPTF

GREASE FITTING straight, 1/8" NPT

2шт.

10

D64193

SHAFT

lever

2шт.

11

138-321

LOCK PIN,3/16" x 2", Slotted

Pin, 3/16" x 2", Slotted

2шт.

12

D72104

BOLT

hex head, special

2шт.

13

D41740

WASHER

flat, 3/8", hardened

4шт.

14

195-525

WASHER,3/8", SAE

flat, 3/8", plated

2шт.

15

131-52

NUT,3/8"-16, GC

NUT hex, self-locking, 3/8" - 16 NC, plated

2шт.

16

132-310

COTTER PIN,1/8" x 1"

PIN, SPLIT (COTTER), 1/8" x 1"

2шт.

17

S108030

JOINT

BALL JOINT female, 3/8" - 24 NF

6шт.

18

129-123

NUT,3/8"-24, G5

10шт.

19

D90862

ROD

control, left-hand

1шт.

20

D92636

ROD

control, right-hand

1шт.

21

D70310

ROD

return, vertical

2шт.

22

D72484

HOUSING

HOLDER spring, left-hand

1шт.

23

D72482

HOUSING

HOLDER spring, right-hand

1шт.

24

D72479

SUPPORT

RETAINER spring

4шт.

25

D70304

COMPRESSION SPRING,0.955" OD x 4.00" L

centering

2шт.

26

111-317

CARRIAGE BOLT,Short NK, 3/8"-16 x 1", G2

BOLT, CARRIAGE, Short NK, 3/8"-16 x 1", G2

4шт.

27

195-525

WASHER,3/8", SAE

flat, 3/8", plated

4шт.

28

192-21

LOCK WASHER,3/8"

WASHER, LOCK, 3/8"

4шт.

29

129-103

NUT,Hex, 3/8" - 16, Gr 5

NUT, 3/8"-16, G5

4шт.

DUPLICATE OF A32398

1шт.

Выбрано товаров: 0