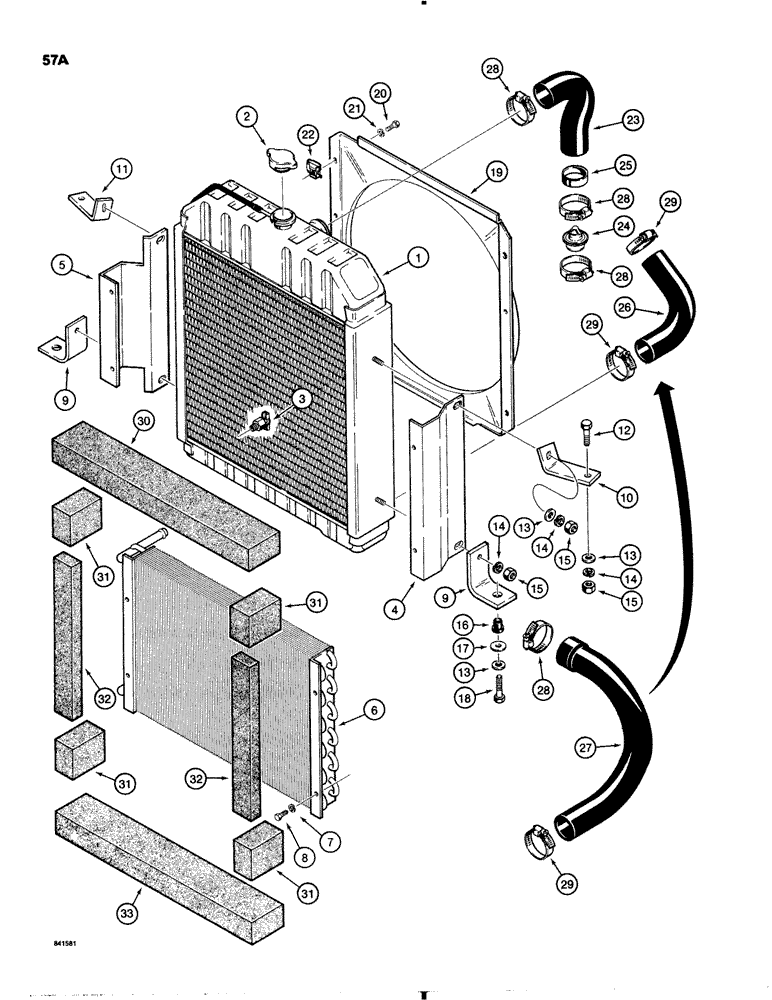
Запчасти Case 1845B (057A) - RADIATOR, HOSES AND SHROUD, MODELS WITH SHORT RADIATOR SUPPORTS ( ITEM 9) (02) - ENGINE

Схема запчастей Case 1845B - (057A) - RADIATOR, HOSES AND SHROUD, MODELS WITH SHORT RADIATOR SUPPORTS ( ITEM 9) (02) - ENGINE
25
31
16
31
6
14
18
4
15
26
28
11
31
32
15
1
29
10
14
30
32
29
28
8
7
5
17
23
22
15
28
28
3
29
9
27
33
14
13
2
13
9
13
21
24
31
12
20
19
FIT
1:1
100%

Артикул

Название

Примечание

Количество

1

D81055

RADIATOR

engine cooling

1шт.

2

F23120

CAP

radiator

1шт.

3

217-103

COCK, DRAIN

VALVE drain

1шт.

4

D123412

BRACKET

cooler mounting, right-hand

1шт.

5

D123410

BRACKET cooler mounting, left-hand

1шт.

6

D76096

COOLER

oil

1шт.

7

192-20

LOCK WASHER,Helical Spring, 0.318" ID, CST, ZND

WASHER, LOCK, 5/16"

4шт.

8

113-102

BOLT,Hex, 5/16" - 18 x 3/4", Gr 5

Hex, 5/16"-18 x 3/4", G5, Full Thd

4шт.

9

D126798

SUPPORT radiator

2шт.

10

D123406

BRACKET

BRACE radiator support, right-hand

1шт.

11

D123407

BRACKET

BRACE radiator support, left-hand

1шт.

12

113-207

BOLT,Hex, 3/8" - 16 x 1", Gr 5

2шт.

13

195-525

WASHER,3/8", SAE

flat, 3/8", plated

6шт.

14

192-21

LOCK WASHER,3/8"

WASHER, LOCK, 3/8"

6шт.

15

129-103

NUT,Hex, 3/8" - 16, Gr 5

NUT, 3/8"-16, G5

6шт.

16

D75755

ISOLATOR

INSULATOR vibration, rubber

2шт.

17

D52275

WASHER,9.92mm ID x 31.75mm OD x 2.78mm Thk

flat, 3/8", special

2шт.

18

113-120

BOLT,Hex, 5/16" - 18 x 1-3/4", Gr 5

hex head, 3/8" - 16 NC x 1-3/4", plated

2шт.

19

D81056

SHROUD ASSY.

SHROUD radiator fan

1шт.

20

113-2

BOLT,Hex, 1/4" - 20 x 5/8", Gr 5

6шт.

21

192-19

LOCK WASHER,Helical Spring, 0.256" ID, CST, ZND

WASHER, LOCK, 1/4"

6шт.

22

131-620

SPRING NUT,J, 1/4" - 20, 0.025" Thk

J-type, 1/4" - 20 NC

6шт.

23

D93889

RADIATOR HOSE,50.80 mm ID x 175.30 mm, SAE J20 20R4 CLASS SC

Upper 50.80 mm ID x 175.30 mm, SAE J20 20R4 CLASS SC

1шт.

24

G11065

CASE

THERMOSTAT gasoline models

1шт.

25

D53507

SUPPORT

hose, gasoline models

1шт.

26

D120446

RADIATOR HOSE,44.40 mm ID x 137.20 mm, SAE 20R4 Class D2, SAE J20

HOSE - Lower, Gasoline models 44.40 mm ID x 137.20 mm, SAE 20R4 Class D2, SAE J20

1шт.

27

D68788

RADIATOR HOSE,49.20 mm ID x 241.30 mm, SAE 20R4 CLASS R GRADE 1A

Lower (Diesel Models) 49.20 mm ID x 241.30 mm, SAE 20R4 CLASS R GRADE 1A

1шт.

28

214-261

HOSE CLAMP,#40, 2.06" - 3", Type F Worm

CLAMP hose

3шт.

29

214-258

HOSE CLAMP,#28, 1.31" - 2.25", Type F Worm

1-2шт.

30

REF

INSTRUCTION

BAFFLE radiator, top, cut from D59896, base size is 3-1/2" 89 mm x 22" 559 mm

1шт.

31

REF

INSTRUCTION

BAFFLE radiator, upper and lower, cut from D59896, base size is 3" 76 mm x 3-1/2" 89 mm

1шт.

32

REF

INSTRUCTION

BAFFLE radiator, middle, cut from D59896, base size is 1" 25 mm x 15" 381 mm

2шт.

33

REF

INSTRUCTION

BAFFLE radiator, bottom, cut from D59896, base size is 3-1/2" 89 mm x 22" 559 mm

1шт.

D59896

PADDING

BAFFLE bulk pad, 54" 1372 mm x 36" 914 mm x 2" 51 mm, use to cut Refs. 30, 31, 32, and 33

1шт.

345-44

ADHESIVE

for attaching foam pads to metal surface

1шт.

Выбрано товаров: 35