Запчасти Case 1845B (060) - AIR CLEANER AND PRECLEANER MOUNTING PARTS, GASOLINE MODELS (02) - ENGINE

Схема запчастей Case 1845B - (060) - AIR CLEANER AND PRECLEANER MOUNTING PARTS, GASOLINE MODELS (02) - ENGINE
15
9
3
10
12
4
2
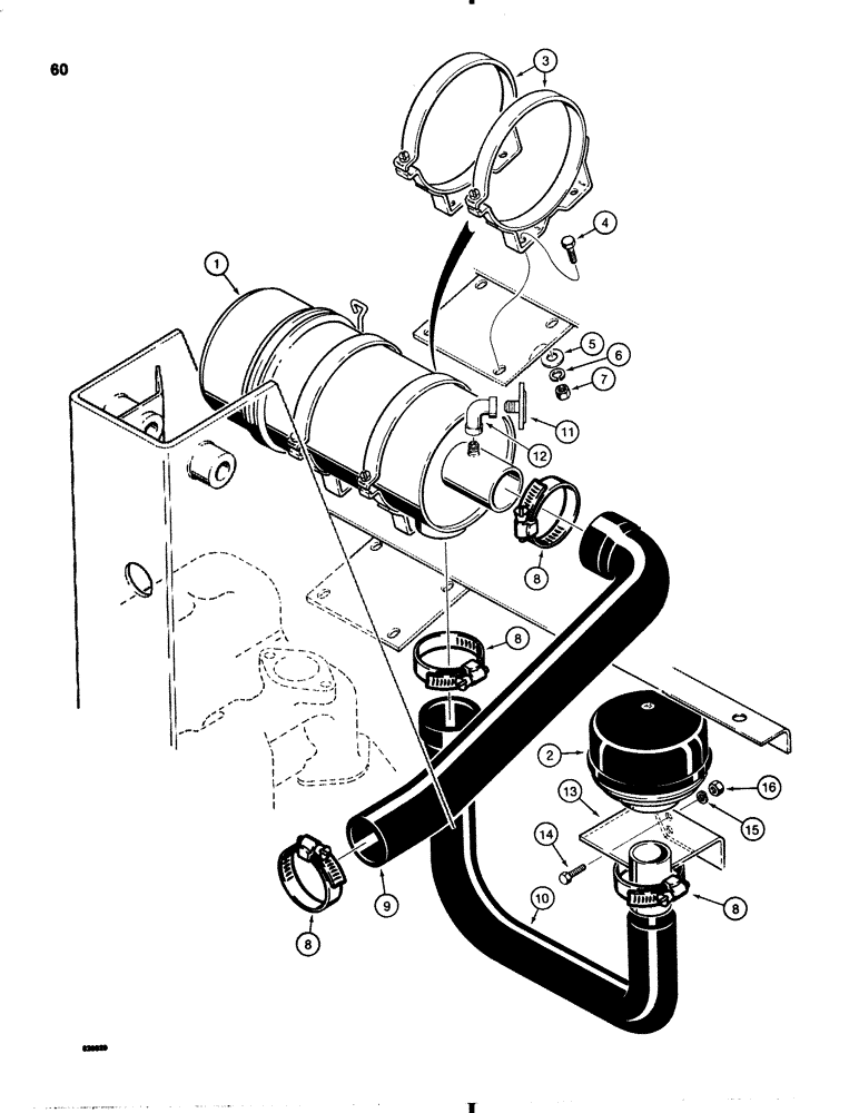
1
16
8
7
8
8
14
11
13
5
8
6
FIT
1:1
100%

Артикул

Название

Примечание

Количество

1

REF

INSTRUCTION

AIR CLEANER ASSEMBLY dry type, parts list Figure 64

1шт.

2

REF

INSTRUCTION

PRECLEANER ASSEMBLY includes mounting clamp, parts list Figure 64

1шт.

3

L113910

CLAMP

BAND ASSEMBLY air cleaner, includes hardware

2шт.

4

113-206

BOLT,Hex, 3/8" - 16 x 3/4", Gr 5, Full Thd

4шт.

5

195-525

WASHER,3/8", SAE

flat, 3/8", plated

4шт.

6

192-21

LOCK WASHER,3/8"

WASHER, LOCK, 3/8"

4шт.

7

129-103

NUT,Hex, 3/8" - 16, Gr 5

NUT, 3/8"-16, G5

4шт.

8

214-261

HOSE CLAMP,#40, 2.06" - 3", Type F Worm

CLAMP worm screw type

4шт.

9

D64641

INTAKE AIR HOSE,57.20 mm ID x 330.20 mm, SAE 20R4 CLASS R

Air Cleaner 57.20 mm ID x 330.20 mm, SAE 20R4 CLASS R

1шт.

10

D71013

INTAKE AIR HOSE,2.00" ID, 2.50" ID x 13.20", SAE 20R4 CLASS R GRADE 1A

Precleaner 2.00" ID, 2.50" ID x 13.20", SAE 20R4 CLASS R GRADE 1A

1шт.

11

L103131

INDICATOR

air restriction

1шт.

12

221-1374

ELBOW,90 Degree, 1/8" NPT

90 degree, 1/8" NPT, plated, replaces 45 degree elbow on some models

1шт.

13

D83909

BRACKET

precleaner mounting

1шт.

14

113-103

BOLT,Hex, 5/16" - 18 x 1", Gr 5

2шт.

15

192-20

LOCK WASHER,Helical Spring, 0.318" ID, CST, ZND

WASHER, LOCK, 5/16"

2шт.

16

9635082

NUT,5/16" - 18, Gr 5

2шт.

Выбрано товаров: 16