Запчасти Case 1845B (078) - INJECTION PUMP, 188 DIESEL ENGINE (03) - FUEL SYSTEM

Схема запчастей Case 1845B - (078) - INJECTION PUMP, 188 DIESEL ENGINE (03) - FUEL SYSTEM
4
7
2
20
23
15
14
10
8
11
21
17
19
18
9
5
22
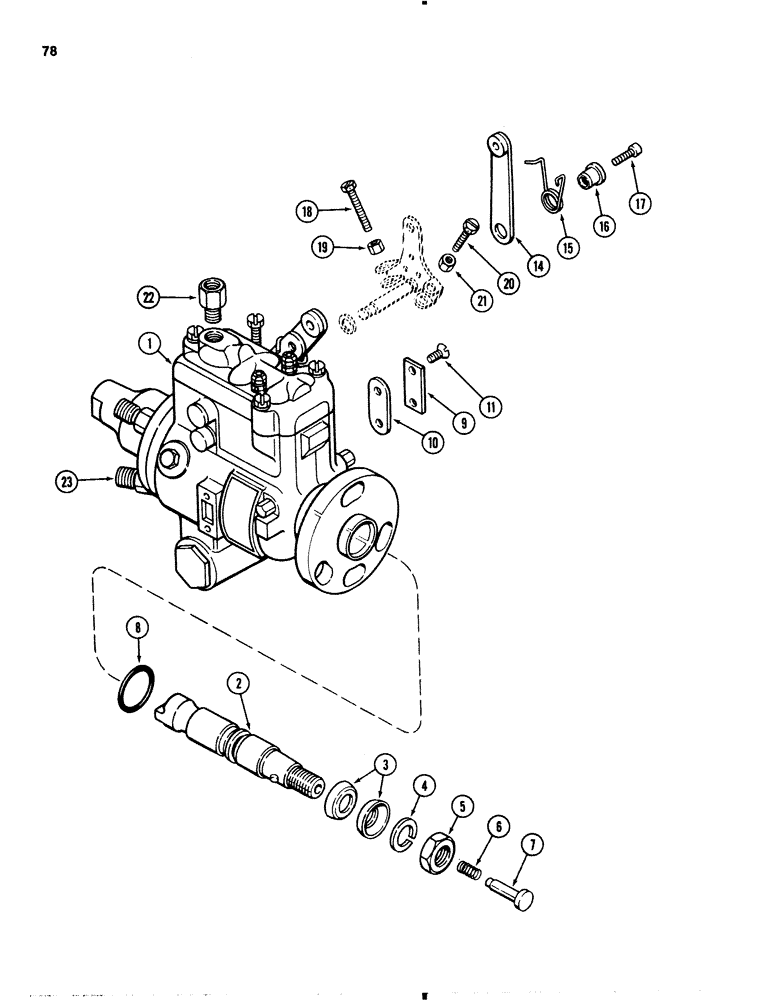
1
16
6
3
FIT
1:1
100%

Артикул

Название

Примечание

Количество

1

A156736

PUMP

ASSEMBLY fuel injection, 2200 RPM, Inc: Refs. 2 - 23

1шт.

2

A44710

SHAFT

ASSEMBLY pump drive

1шт.

3

R14711

SEAL

pump shaft

1-2шт.

4

192-24

LOCK WASHER,9/16"

WASHER, LOCK, 9/16"

1шт.

5

25-119

NUT,9/16"-18, G5

hex, 9/16 inch NF

1шт.

6

G48502

SPRING

plunger, 1-3/16 inch free length 30 mm

1шт.

7

A44653

PLUNGER

thrust, pump drive shaft

1шт.

8

74244

SEAL,0.139" Thk x 1.046" ID, -215, Cl 5, 75 Duro

SEAL pilot tube o-ring 1-1/16 x 1-5/16 x 1/8 inch, 27 x 33 x 3 mm

1шт.

9

73452

COVER

timing hole

1шт.

10

NLS

NO LONGER SERVICED

timing hole cover

1шт.

11

A47591

SCREW

timing hole cover

2шт.

14

G45338

ARM

LEVER throttle

1шт.

15

G48505

SPRING

throttle lever

1шт.

16

G49621

RETAINER

throttle lever spring

1шт.

17

165-124

HEX SOC SCREW,Prev Torque, #10 - 32 x 3/4"

SCREW retainer

1шт.

18

G49088

ADJUSTMENT SCREW,#10 - 32 x 1.781"

high idle adjustment No. 10-32 x 1-3/4 inch

1шт.

19

51200274

NUT

lock, No. 10-32 hex

1шт.

20

NSS

NOT SOLD SEPARAT

SCREW low idle adjustment

1шт.

21

NSS

NOT SOLD SEPARAT

NUT lock, low idle adjustment screw

1шт.

22

A47592

ROD, CONNECTING

CONNECTOR return line

1шт.

23

A47593

CONNECTOR, ELEC

CONNECTOR fuel lines

4шт.

Выбрано товаров: 21