Запчасти Case 1845C (06-02) - TANDEM PUMP LINKAGE (06) - POWER TRAIN

Схема запчастей Case 1845C - (06-02) - TANDEM PUMP LINKAGE (06) - POWER TRAIN
17
4
8
23
6
10
14
22
5
19
6
7
19
24
20
13
3
10
23
1
19
2
18
22
12
4
18
18
9
16
11
20
15
24
15
11
9
18
22
8
14
3
2
19
20
20
FIT
1:1
100%

Артикул

Название

Примечание

Количество

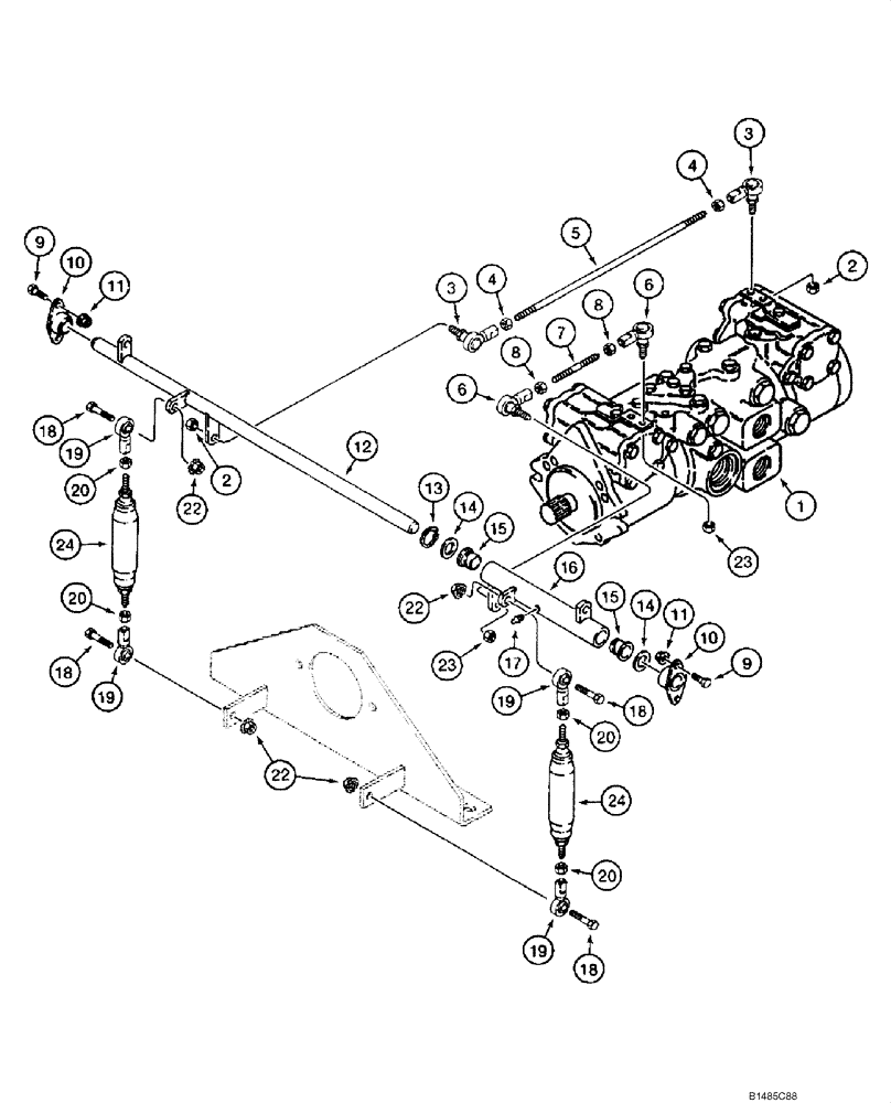
1

REF

INSTRUCTION

Pump Assy; See Figs 06-13 - 06-14D

1шт.

2

231-2446

NUT,3/8"-24, GB

2шт.

3

230425A1

BALL JOINT,3/8" - 24 x 1-3/5"

Isolator; North American Models; Replaces R47940

2шт.

3

313593A1

BALL JOINT

Isolator; European Models; Replaces R47940

2шт.

4

425-116

NUT,3/8" - 24, Gr 5

2шт.

5

D127560

ROD

LH; Control

1шт.

6

R47940

BALL JOINT

3/8 NF

2шт.

7

H435922

ROD

RH; Control; Replaces D83595

1шт.

8

425-116

NUT,3/8" - 24, Gr 5

2шт.

9

413-512

BOLT,Hex, 5/16" - 18 x 3/4", Gr 5

4шт.

10

D139039

BEARING ASSY,19mm ID

2шт.

11

231-5145

SERRATED NUT,Flg, USR, 5/16"-18

4шт.

12

H674446

SHAFT

Replaces D138024

1шт.

13

103-1475

SNAP RING,#75, Ext

1шт.

14

A30881

SEALING WASHER,19.45mm ID x 31.35mm OD

2шт.

15

72323

BUSHING,19.07mm ID x 28.57mm OD x 19.05mm L

2шт.

16

D128252

HOUSING

1шт.

17

219-86

LUBE NIPPLE,1/8" NPTF

1шт.

18

413-620

BOLT,Hex, 3/8" - 16 x 1-1/4", Gr 5

4шт.

19

A32398

BALL JOINT

3/8 fem NF; Replaces S108030

4шт.

20

425-116

NUT,3/8" - 24, Gr 5

4шт.

22

231-5146

FLANGE NUT,3/8"-16

4шт.

23

232-1416

LOCK NUT,3/8"-16, GC

Replaces 231-2446

2шт.

24

D66538

SHOCK ABSORBER

Pump Control

2шт.

Выбрано товаров: 0