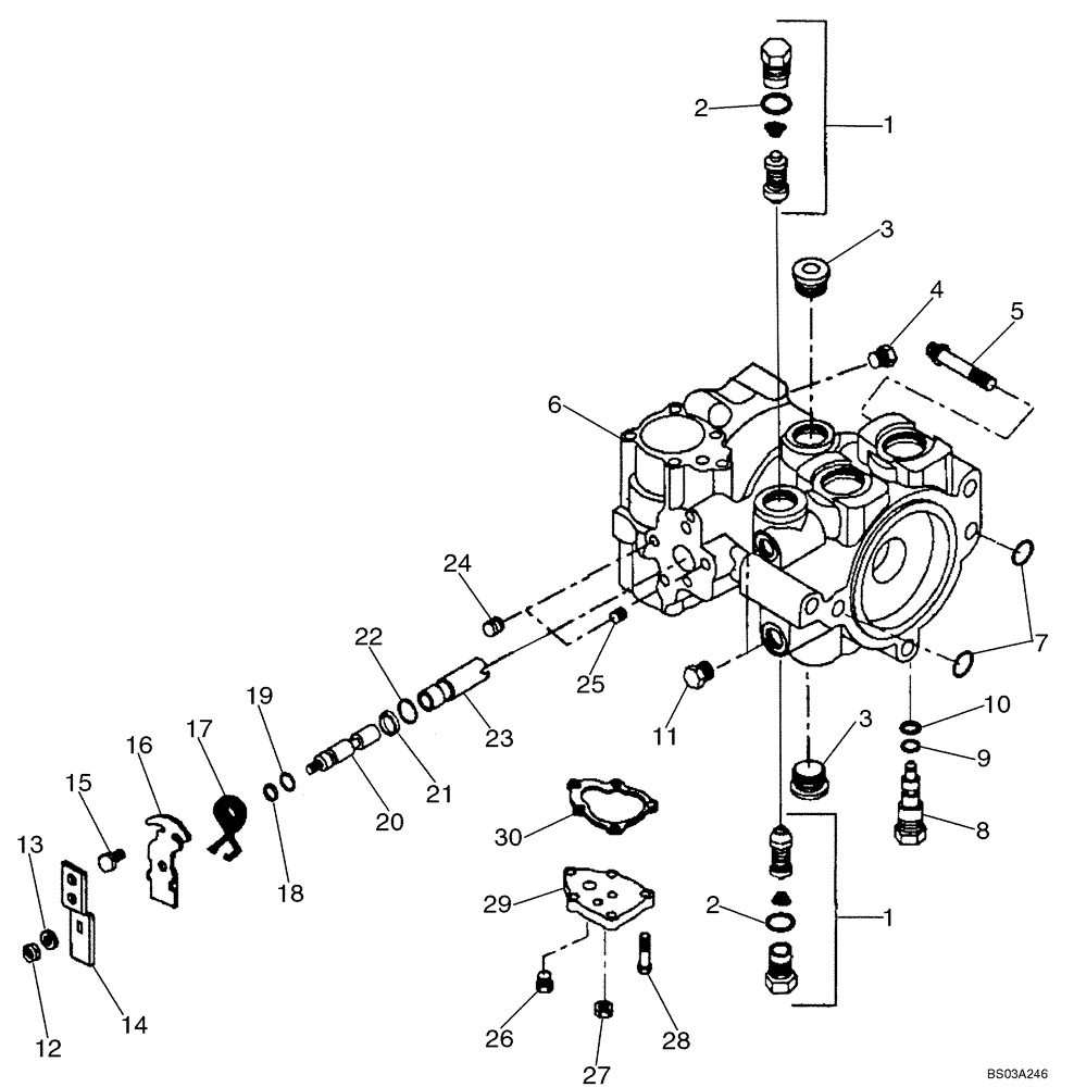
Запчасти Case 1845C (06-14C) - PUMP ASSY, TANDEM, JAF0339424 - (06) - POWER TRAIN

Схема запчастей Case 1845C - (06-14C) - PUMP ASSY, TANDEM, JAF0339424 - (06) - POWER TRAIN
20
8
28
15
21
1
23
1
16
14
12
26
24
22
3
13
27
11
19
6
3
29
2
10
5
30
7
9
17
4
2
18
25
FIT
1:1
100%

Артикул

Название

Примечание

Количество

388796A1

PUMP,45.88 CC

Tandem; See Fig 06-13; Incl. 06-14 - 06-14D; JAF0339424 -

1шт.

388796A1R

REMAN-HYD PUMP

1845C, SN JAF0339424 & After

1шт.

388796A1C

CORE-HYDRAULIC PUMP

Return Part Number

1шт.

1

N14848

VALVE, PRESSURE RELI

EF Component Parts Not Serviced Separately

2шт.

140008A1

GASKET KIT

Incl. 2, 19, 22, 30

1шт.

2

237-6012

O-RING,0.116" Thk x 0.924" ID, -912, Cl 6, 90 Duro

2шт.

3

9841223

PLUG,1-1/16" - 12 ORB

1шт.

4

9672438

PLUG,7/16" - 20 ORB

1шт.

5

166-89

12 PT SCREW,1/2" - 13 x 2", Gr 8

1шт.

6

402365A1

HOUSING

1шт.

7

NSS

NOT SOLD SEPARAT

O-ring

2шт.

8

N14663

BY-PASS VALVE

1шт.

9

S99877

BACK-UP RING,Split, 9.91mm ID x 12.65mm OD x 1.32mm Thk

1шт.

10

238-5012

O-RING,0.07" Thk x 0.364" ID, -12, Cl 5, 75 Duro

1шт.

11

76349

PLUG,9/16" - 18 ORB

2шт.

12

H436054

SPECIAL NUT,Lock, 5/16" - 18

1шт.

13

493-41033

LOCK WASHER,0.33" ID x 0.61" OD x 0.03" Thk

1шт.

14

N13251

HANDLE

Control

1шт.

15

H435770

FLANGE BOLT,1/4" - 20 x 5/8"

1шт.

16

N13250

BRACKET

Neutral Return

1шт.

17

N13248

SPRING,3/4" OD

Neutral Return

1шт.

18

S99877

BACK-UP RING,Split, 9.91mm ID x 12.65mm OD x 1.32mm Thk

1шт.

19

NSS

NOT SOLD SEPARAT

O-ring; Order 140008A1

2шт.

20

H435769

SPOOL

1шт.

21

V39097

RING

1шт.

22

NSS

NOT SOLD SEPARAT

O-ring; Order 140008A1

2шт.

23

110671A2

SLEEVE

1шт.

402366A1

KIT

Cylinder Block; Incl. 24

1шт.

24

NSS

NOT SOLD SEPARAT

Retaining Ring

1шт.

25

H435774

PLUG

1шт.

26

76349

PLUG,9/16" - 18 ORB

1шт.

27

N13260

NUT,Inverted Lock

1шт.

28

H438321

BOLT,M6 x 1 x 20mm, Cl 10.9

5шт.

29

H436065

COVER

Servo

1шт.

30

NSS

NOT SOLD SEPARAT

Servo Cover Gasket; Order 140008A1

2шт.

Выбрано товаров: 35