Запчасти Case 1845C (06-25) - AXLES - WHEEL, JAF0192379 - (06) - POWER TRAIN

Схема запчастей Case 1845C - (06-25) - AXLES - WHEEL, JAF0192379 - (06) - POWER TRAIN
4
1
12
14
13
9
10
5
2
11
3
7
4
8
6
6
FIT
1:1
100%

Артикул

Название

Примечание

Количество

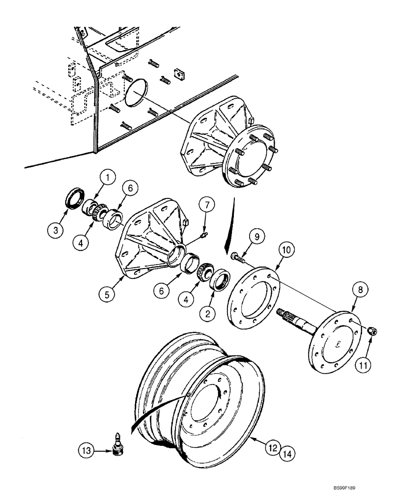
1

D64018

SPACER,50.85mm ID x 63.58mm OD x 18.11mm L

4шт.

2

D63674

SEAL,63.5mm ID x 89.15mm OD x 11.13mm Thk

Outer

4шт.

3

A156927

OIL SEAL,63.5mm ID x 89.08mm OD x 6.76mm Thk

Inner

4шт.

4

D63653

ROLLER BEARING,2.0005" ID

Replaces 364463C91

8шт.

222930A1

HUB

Incl. 5 - 7

4шт.

5

NSS

NOT SOLD SEPARAT

Hub

1шт.

6

199955

BEARING CUP,82mm OD x 17mm W

Replaces 376463C1

2шт.

7

219-86

LUBE NIPPLE,1/8" NPTF

1шт.

8

222931A1

HALF SHAFT

Incl. 9, 10

4шт.

9

H439302

WHEEL BOLT

9/16 NF

8шт.

10

198784A1

GUARD

1шт.

11

G49041

WHEEL NUT

9/16 NF

32шт.

12

H438567

RIM

WHEEL 9.75 x 16.5; For 12 x 16.5 Tire

4шт.

13

T57461

VALVE STEM

4шт.

14

238584A1

RIM

WHEEL 12 x 16.5; For 33/15.5 - 16.5 Tire

4шт.

15

121099A1

RIM

WHEEL 10 x 16.5; Offset; Used with 10 x 16.5 Tire; Not Illustrated

4шт.

Выбрано товаров: 16