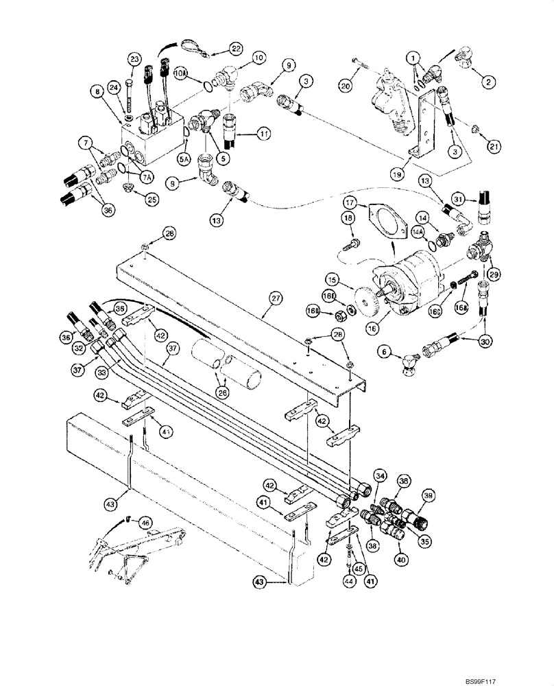
Запчасти Case 1845C (08-10) - HYDRAULICS - OPTIONAL HIGH FLOW (08) - HYDRAULICS

Схема запчастей Case 1845C - (08-10) - HYDRAULICS - OPTIONAL HIGH FLOW (08) - HYDRAULICS
36
13
43
37
5a
42
35
7
14a
36
16e
31
33
22
38
16a
19
32
13
43
41
1
3
20
42
10a
34
15
26
40
9
16c
46
42
28
11
5
18
16d
8
24
29
42
42
2
44
3
7a
10
14
23
16
37
25
21
45
41
38
17
6
27
28
9
30
41
39
36
FIT
1:1
100%

Артикул

Название

Примечание

Количество

1

112327A1

ELBOW

90; Models with Hand Operated Loader Controls

1шт.

1a

129878A1

FITTING

Models with Foot Operated Loader Controls; See Fig 08-24, Ref 21; Not Illustrated

1шт.

2

218-5232

ELBOW,90 Degree, 7/8"-14, 37 Degree x 7/8"-14, 37 Degree Fem Sw

If used

1шт.

3

117286A1

HOSE ASSY.

1950 mm (76-7/8 in); If Used

1шт.

3

300851A1

HOSE ASSY.

If Used

1шт.

5

218-5294

TEE,37 Degree, 7/8"-14, 1 1/16"-12 O-Ring Run, 7/8"-14

Incl. 5A

1шт.

5a

237-6012

O-RING,0.116" Thk x 0.924" ID, -912, Cl 6, 90 Duro

1шт.

6

218-5231

ELBOW,90 Degree, 1 1/16"-12, 37 Degree x 1 1/16"-12, 37 Degree Fem Sw

1шт.

7

218-5064

HYD CONNECTOR,1-1/16" - 12 Male JIC x 1-1/16" - 12 Male ORB

Incl. 7A

2шт.

7a

237-6012

O-RING,0.116" Thk x 0.924" ID, -912, Cl 6, 90 Duro

1шт.

8

117870A1

SOLENOID

Single Directional; See Fig 08-19

1шт.

8a

111479A1

SOLENOID VALVE

Bi-Directional; See Fig 08-20

1шт.

9

218-5174

ELBOW,45 Degree Elbow, 7/8" - 14 Male JIC x 7/8" - 14 Female JIC

1-2шт.

10

218-5108

ELBOW,90 Degree Elbow, 1-1/16" - 12 Male JIC x 1-1/16" - 12 Male ORB

Incl. 10A

1шт.

10a

237-6012

O-RING,0.116" Thk x 0.924" ID, -912, Cl 6, 90 Duro

1шт.

11

117289A1

HOSE ASSY.

1250 mm (49-1/4 in); Solenoid, Serial Range: Valve-Manifold

1шт.

13

117287A1

HOSE ASSY.

1000 mm (39-3/8 in);, Serial Range: Pump-Valve

1шт.

14

218-5063

HYD CONNECTOR,7/8" - 14 Male JIC x 1-1/16" - 12 Male ORB

Incl. 14A

1шт.

14a

237-6012

O-RING,0.116" Thk x 0.924" ID, -912, Cl 6, 90 Duro

1шт.

15

J924187

PINION

Replaces J905607

1шт.

16

323426A1

PUMP, HYDRAULIC

High Flow; Incl. 361942A1

1шт.

361942A1

SEAL KIT

Repair Kit for 323426A1; Not Illustrated

1шт.

16

113461A1

PUMP, HYDRAULIC

Incl. 16A - 16F; No Longer Used; Order 323426A1

1шт.

16a

NSS

NOT SOLD SEPARAT

Seal; Order 132967Al, Ref 16F; Not Illustrated

2шт.

16b

115115A1

BOLT

M12 x 128; 10.9

4шт.

16c

892-11012

LOCK WASHER,M12

4шт.

16d

425-159

JAM NUT,Jam, 9/16"-18, G5

1шт.

16e

495-11059

WASHER,9/16"

19/32 x 1-5/32 x 3/32

1шт.

16f

132967A1

SEAL KIT

Not Illustrated

1шт.

17

144169C2

GASKET,0.79mm Thk

Replaces J919601; If Used

1шт.

18

854-12030

BOLT,Hvy Hex, M12 x 30mm, Cl 10.9

Used with 113461A1, Ref 16

2шт.

18

857-12030

BOLT,Hvy Hex, M12 x 30mm, Cl 10.9

Used with 323426A1, Ref 16

2шт.

19

121022A1

SUPPORT

1шт.

20

413-540

BOLT,Hex, 5/16" - 18 x 2-1/2", Gr 5

2шт.

21

231-5145

SERRATED NUT,Flg, USR, 5/16"-18

2шт.

22

L18337

CABLE TIE,9.95"-12.1" lg

CABLE STRAP 15 in

3шт.

23

413-680

BOLT,Hex, 3/8" - 16 x 5", Gr 5

2шт.

24

495-11041

WASHER,0.406" ID x 0.812" OD x 0.065" W

(13/32 x 13/16 x 1/16")

2шт.

25

231-5146

FLANGE NUT,3/8"-16

2шт.

26

123397A1

SLEEVE

1шт.

27

122340A1

COVER

1шт.

28

231-5145

SERRATED NUT,Flg, USR, 5/16"-18

6шт.

29

218-5513

TEE,1 1/16"-12, 37 Degree x 1 5/16"-12, O-Ring Br

1шт.

30

117288A1

HOSE ASSY.

630 mm (24-7/8 in); Filter Outlet to High Flow Pump

1шт.

31

117290A1

HOSE ASSY.

400 mm (15-3/4 in); Hydraulic Reservoir to High Flow Pump

1шт.

32

117291A1

HOSE ASSY.

2250 mm (88-5/8 in); Case, Serial Range: Drain-Manifold

1шт.

33

117399A1

TUBE,12.7 mm OD, 1030, 40 mm Length

1шт.

34

218-5060

HYD CONNECTOR,3/4" - 16 Male JIC x 7/8" - 14 Male ORB

1шт.

35

122180A1

COUPLING, BREAK AWAY

Male

1шт.

36

117292A1

HOSE ASSY.,19.05mm ID x 3130mm L

3130 mm (123-1/4 in)

2шт.

37

117398A1

TUBE,25.4 mm OD, 1030, 40 mm Length

2шт.

38

218-5050

HYD CONNECTOR,1-5/16" - 12 Male JIC x 1-1/16" - 12 Male ORB

2шт.

39

122179A1

COUPLING, BREAK AWAY

Female

1шт.

40

122178A2

COUPLING, BREAK AWAY

Male

1шт.

41

117639A1

BAR

3шт.

42

117638A1

CLAMP

6шт.

43

117664A1

ROD

2шт.

44

413-544

BOLT,Hex, 5/16" - 18 x 2-3/4", Gr 5

2шт.

45

495-11034

WASHER,5/16", SAE

(11/32 x 11/16 x 1/16")

2шт.

46

219-92

LUBE NIPPLE,90 Degree Elbow, 1/8" NPTF

1шт.

Выбрано товаров: 60