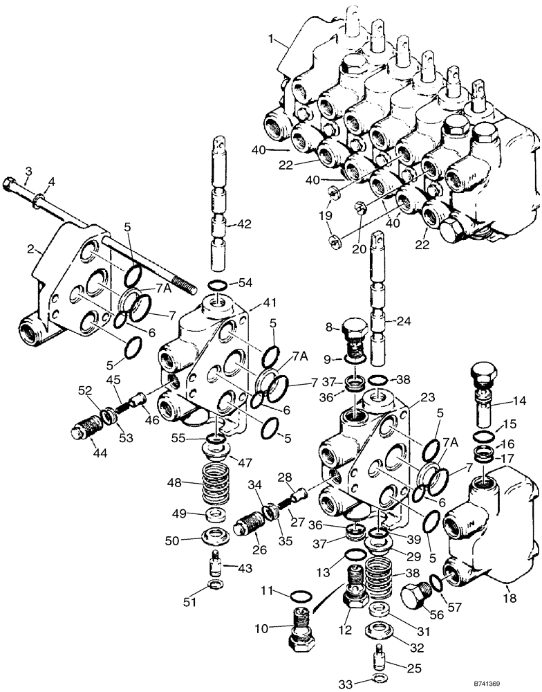
Запчасти Case 1845C (08-37) - VALVE, CONTROL - BACKHOE (NORTH AMERICA), D100XR (08) - HYDRAULICS

Схема запчастей Case 1845C - (08-37) - VALVE, CONTROL - BACKHOE (NORTH AMERICA), D100XR (08) - HYDRAULICS
45
29
24
6
56
43
40
7
5
7a
26
40
34
20
6
54
22
7
7
13
5
17
38
52
31
18
4
5
47
15
27
44
7a
40
33
5
57
36
5
36
5
12
41
14
51
42
46
2
37
32
1
25
55
9
19
49
8
39
50
53
7a
16
37
23
48
22
3
38
28
11
6
35
10
FIT
1:1
100%

Артикул

Название

Примечание

Количество

1

H513788

LOCK VALVE

Backhoe; Manufactured By Cessna; Incl. 2 - 57

1шт.

2

H52803

PLATE ASSY.

Outlet

1шт.

3

H52811

BOLT

4шт.

4

492-11038

LOCK WASHER,3/8"

4шт.

H52969

O-RING,0.103" Thk x 0.924" ID, -119, Cl 6, 90 Duro

Repair; Incl. 5 - 7A

1шт.

5

238-6119

O-RING,0.103" Thk x 0.924" ID, -119, Cl 6, 90 Duro

14шт.

6

238-5115

O-RING,0.103" Thk x 0.674" ID, -115, Cl 5, 75 Duro

7шт.

7

238-6123

O-RING,0.103" Thk x 1.174" ID, -123, Cl 6, 90 Duro

7шт.

7a

H210849

WASHER

7шт.

H52829

VALVE PRESSURE RELIE

Dipper and Boom Section; Incl. 8, 9

2шт.

8

NSS

NOT SOLD SEPARAT

Body

1шт.

9

238-5116

O-RING,0.103" Thk x 0.75" ID, -116, Cl 5, 75 Duro

1шт.

10

H52837

PLUG

Dipper Section; Incl. 11

1шт.

11

238-5116

O-RING,0.103" Thk x 0.75" ID, -116, Cl 5, 75 Duro

1шт.

H351791

VALVE

3000 psi

3шт.

12

NSS

NOT SOLD SEPARAT

Body

1шт.

13

238-5116

O-RING,0.103" Thk x 0.75" ID, -116, Cl 5, 75 Duro

1шт.

F88054

VALVE

200 psi; Inlet and Outlet; Incl. 14 - 17

1шт.

14

NSS

NOT SOLD SEPARAT

Body

1шт.

H52951

KIT

Repair; Incl. 5 - 7A, 34 - 39, 52 - 55

1шт.

H226415

SEAL ASSY.

No Longer Available, Order 15 - 17

1шт.

15

238-5116

O-RING,0.103" Thk x 0.75" ID, -116, Cl 5, 75 Duro

1шт.

16

G32626

RING

1шт.

17

238-5114

O-RING,0.103" Thk x 0.612" ID, -114, Cl 5, 75 Duro

1шт.

18

H52852

PLATE ASSY.

Cover Inlet and Outlet

1шт.

19

H60178

PLATE ASSY.

Swing

2шт.

29

H52878

FITTING

Boom

1шт.

22

H513630

SECTOR

Dipper and Boom Section; Incl. 23 - 39

2шт.

23

NSS

NOT SOLD SEPARAT

Body

1шт.

24

NSS

NOT SOLD SEPARAT

Spool

1шт.

25

H210831

SCREW

1шт.

26

H52886

BODY

Load Check

1шт.

27

FH730374

SPRING

1шт.

28

FH730366

PLUNGER

1шт.

29

H52902

CAP

1шт.

30

F59118

SPRING

1шт.

31

H746164

WASHER

1шт.

32

F59116

WASHER

1шт.

33

100-3350

SNAP RING,#50, .392" Dia, E-Type

1шт.

H52985

GASKET KIT

Repair; No Longer Available, Order 34 - 39

1шт.

34

238-5015

O-RING,0.07" Thk x 0.551" ID, -15, Cl 5, 75 Duro

1шт.

35

L30443

BACK-UP RING,0.547" ID x 0.049" Width

1шт.

36

238-5116

O-RING,0.103" Thk x 0.75" ID, -116, Cl 5, 75 Duro

2шт.

37

S302062

BACK-UP RING

2шт.

38

F37887

O-RING

1шт.

39

238-5114

O-RING,0.103" Thk x 0.612" ID, -114, Cl 5, 75 Duro

1шт.

40

H513648

VALVE

Bucket, Stabilizer, Swing; Incl. 41 - 55

4шт.

41

NSS

NOT SOLD SEPARAT

Body

1шт.

42

NSS

NOT SOLD SEPARAT

Spool

1шт.

43

H210831

SCREW

1шт.

44

H52886

BODY

1шт.

45

FH730374

SPRING

1шт.

46

FH730366

PLUNGER

1шт.

47

H52902

CAP

1шт.

48

F59118

SPRING

1шт.

49

H746164

WASHER

1шт.

50

F59116

WASHER

1шт.

51

100-3350

SNAP RING,#50, .392" Dia, E-Type

1шт.

H52951

KIT

Repair; Incl. 5 - 7A, 34 - 39, 52 - 55

1шт.

H52977

GASKET KIT

Repair; Incl. 52 - 55; No Longer Available, Order Components

1шт.

52

238-5015

O-RING,0.07" Thk x 0.551" ID, -15, Cl 5, 75 Duro

1шт.

53

L30443

BACK-UP RING,0.547" ID x 0.049" Width

1шт.

54

F37887

O-RING

1шт.

55

238-5114

O-RING,0.103" Thk x 0.612" ID, -114, Cl 5, 75 Duro

1шт.

56

86512512

PLUG,7/8" - 14 ORB

Incl. 57

1шт.

57

237-6010

O-RING,0.097" Thk x 0.755" ID, -910, Cl 6, 90 Duro

1шт.

H52951

KIT

Repair; Incl. 5 - 7A, 34 - 39, 52 - 55

1шт.

57

237-6010

O-RING,0.097" Thk x 0.755" ID, -910, Cl 6, 90 Duro

1шт.

Выбрано товаров: 68