Запчасти Case 1845C (09-72) - BACKHOE - STABILIZERS, D100, D100XR (NORTH AMERICA) (09) - CHASSIS/ATTACHMENTS

Схема запчастей Case 1845C - (09-72) - BACKHOE - STABILIZERS, D100, D100XR (NORTH AMERICA) (09) - CHASSIS/ATTACHMENTS
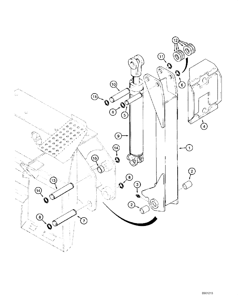
13
4
2
9
11
6
11
6
3
10
7
2
12
1
5
8
14
15
14
8
FIT
1:1
100%

Артикул

Название

Примечание

Количество

H672631

STABILIZER

Arm; Incl. 1, 2

2шт.

1

NSS

NOT SOLD SEPARAT

Arm

1шт.

2

H56192

BUSHING,28.91mm ID x 36.63mm OD x 44.45mm L

2шт.

3

219-8

LUBE NIPPLE,1/4" - 28 NPTF

2шт.

4

H434430

LARGE PLATE

PLATE, LARGE

2шт.

5

H434379

PIN,28.63mm OD x 151mm L

2шт.

6

100-16112

SNAP RING,#112, Ext

4шт.

7

H434382

PIN,38.15mm OD x 204mm L

2шт.

8

D25279

SNAP RING,M35, Int

4шт.

9

REF

INSTRUCTION

Cylinder Assy; Stabilizer; See Fig 08-48, 08-49

2шт.

10

H434380

PIN

2шт.

11

103-16125

SNAP RING,#125, Ext

4шт.

12

495-21138

WASHER,1 1/4"

1-3/8 x 3 x 5/32

12шт.

13

H434381

PIN,31.8mm OD x 31.8mm L

2шт.

14

103-16125

SNAP RING,#125, Ext

4шт.

15

H434394

SPACER

2шт.

Выбрано товаров: 16