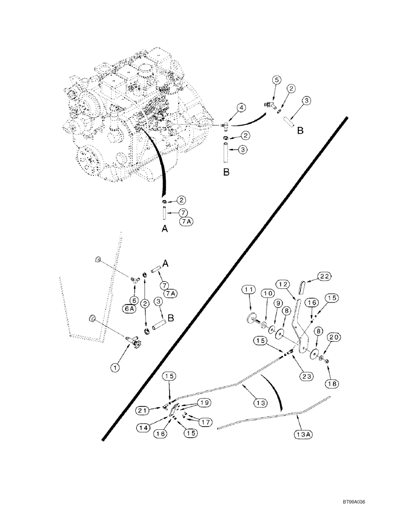
Запчасти Case 1845C (03-02) - FUEL LINES - CONTROLS, THROTTLE, 4-390 EMISSIONS CERTIFIED ENGINE, ASN JAF0250483 (03) - FUEL SYSTEM

Схема запчастей Case 1845C - (03-02) - FUEL LINES - CONTROLS, THROTTLE, 4-390 EMISSIONS CERTIFIED ENGINE, ASN JAF0250483 (03) - FUEL SYSTEM
7
2
15
17
22
14
4
7
6
2
19
2
23
15
16
8
7a
2
6
21
3
3
3
1
20
18
16
12
5
13a
15
9
15
8
7a
11
10
13
FIT
1:1
100%

Артикул

Название

Примечание

Количество

1

H434805

VALVE

1шт.

2

214-1704

HOSE CLAMP,#04, 0.25" - 0.62", Type M Worm

4шт.

3

D124109

FUEL HOSE

1200 mm (47-1/4 in); Cut from A21562X

1шт.

4

217-132

90 ELBOW,90 Degree Elbow, 3/8" Hose Barb x 1/4" Male NPTF

1шт.

5

217-142

ELBOW,45 Degree Elbow, 3/8" Hose Barb x 1/4" Male NPTF

1шт.

6

217-291

FITTING,90 Degree Elbow, 5/16" Hose Barb x 1/8" Male NPTF

Use with J931397; See Fig 03-09

1шт.

6a

217-292

FITTING,90 Degree Elbow, 1/4" Hose Barb x 1/8" Male NPTF

Use with J935677; See Fig 03-10

1шт.

7

H433707

HOSE

1575 mm (62 in); Cut from S120317X; Use with Injection Pump J931397; See Fig 03-09

1шт.

7a

D127925

HOSE,6.35 mm ID x 1420.00 mm, SAE 30R6 or SAE 30R7

Cut from A21561X; Use with Injection Pump J935677; See Fig 03-10

1шт.

8

1342374C1

DISC

Friction

2шт.

9

257971A1

WASHER,13.1mm ID x 48mm OD x 3.05mm Thk

1шт.

10

257973A1

SEALING WASHER,12.5mm ID x 36mm OD x 10mm Thk

1шт.

11

291244A1

LEVER

1шт.

12

291245A1

HANDLE

1шт.

12a

313344A1

LARGE PLATE

PLATE, LARGE Stop; Used with 291450A1, Ref 13; Not Illustrated

1шт.

13

291450A1

LEVER

Use with J931397; See Fig 03-09

1шт.

13a

335722A1

LEVER

Use with J935677; See Fig 03-10

1шт.

14

291506A1

LEVER

Use with 291450A1, Ref 13

1шт.

15

425-114

NUT,1/4"-28, G5

4шт.

16

492-11025

LOCK WASHER,1/4"

2шт.

17

614-6012

BOLT,Hex, M6 x 1 x 12mm, Cl 8.8, Full Thd

Use with 291450A1, Ref. 13

2шт.

18

832-41312

NUT,M12 x 1.75, Cl 10

1шт.

19

892-11006

LOCK WASHER,M6

Use with 291450A1, Ref 13

2шт.

20

896-15012

WASHER,13.5mm ID x 28mm OD x 4mm Thk

1шт.

21

A10329

BALL JOINT,1/4" - 28 x 1"

1/4 NF

1шт.

22

D126613

HANDLE

1шт.

23

H169920

BALL JOINT

1/4 NF

1шт.

Выбрано товаров: 27